GM Service Manual Online
For 1990-2009 cars only
Makes
🢒
Chevrolet
🢒
2000
🢒
Blazer - 4WD - RHD
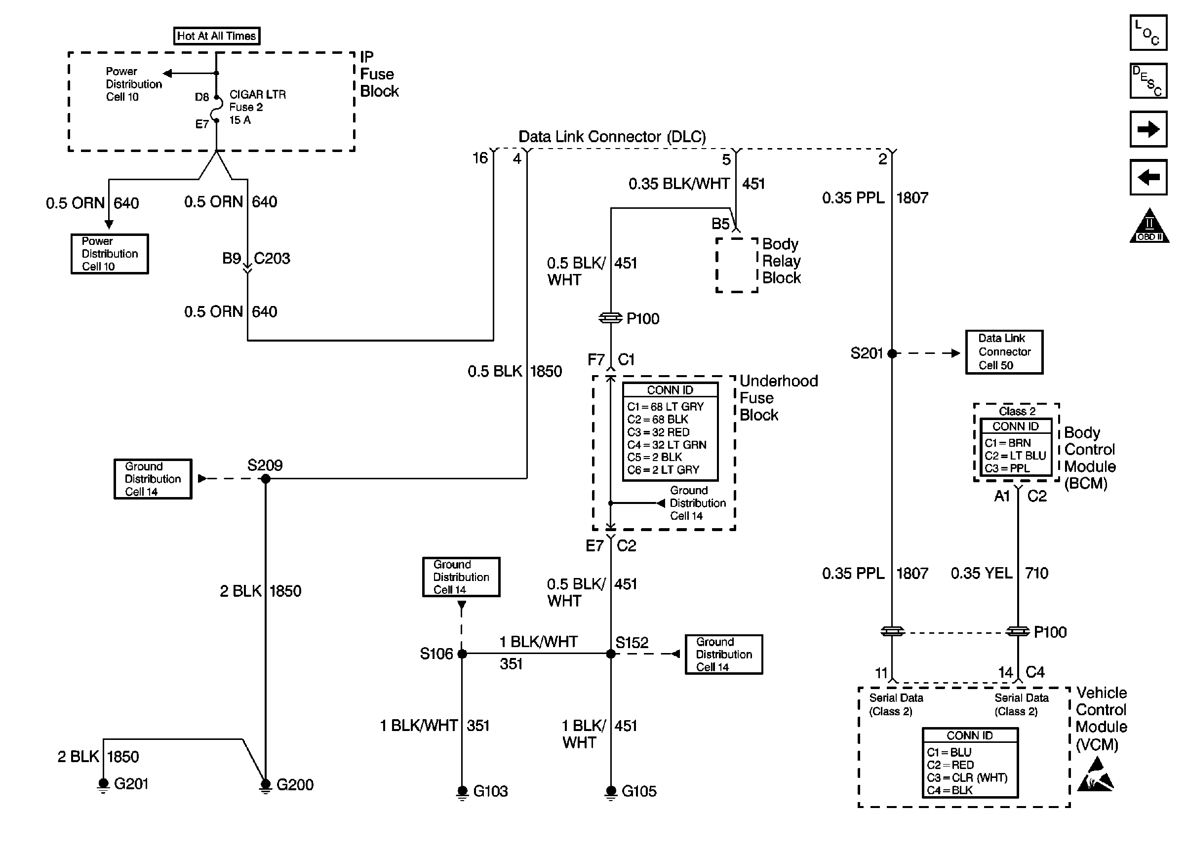
🢒 Cell 20: Data Link Connector (DLC)
Cell 20: Data Link Connector (DLC)
Cell 20: Data Link Connector (DLC)