GM Service Manual Online
For 1990-2009 cars only
Makes
🢒
Chevrolet
🢒
2000
🢒
Blazer - 4WD - RHD
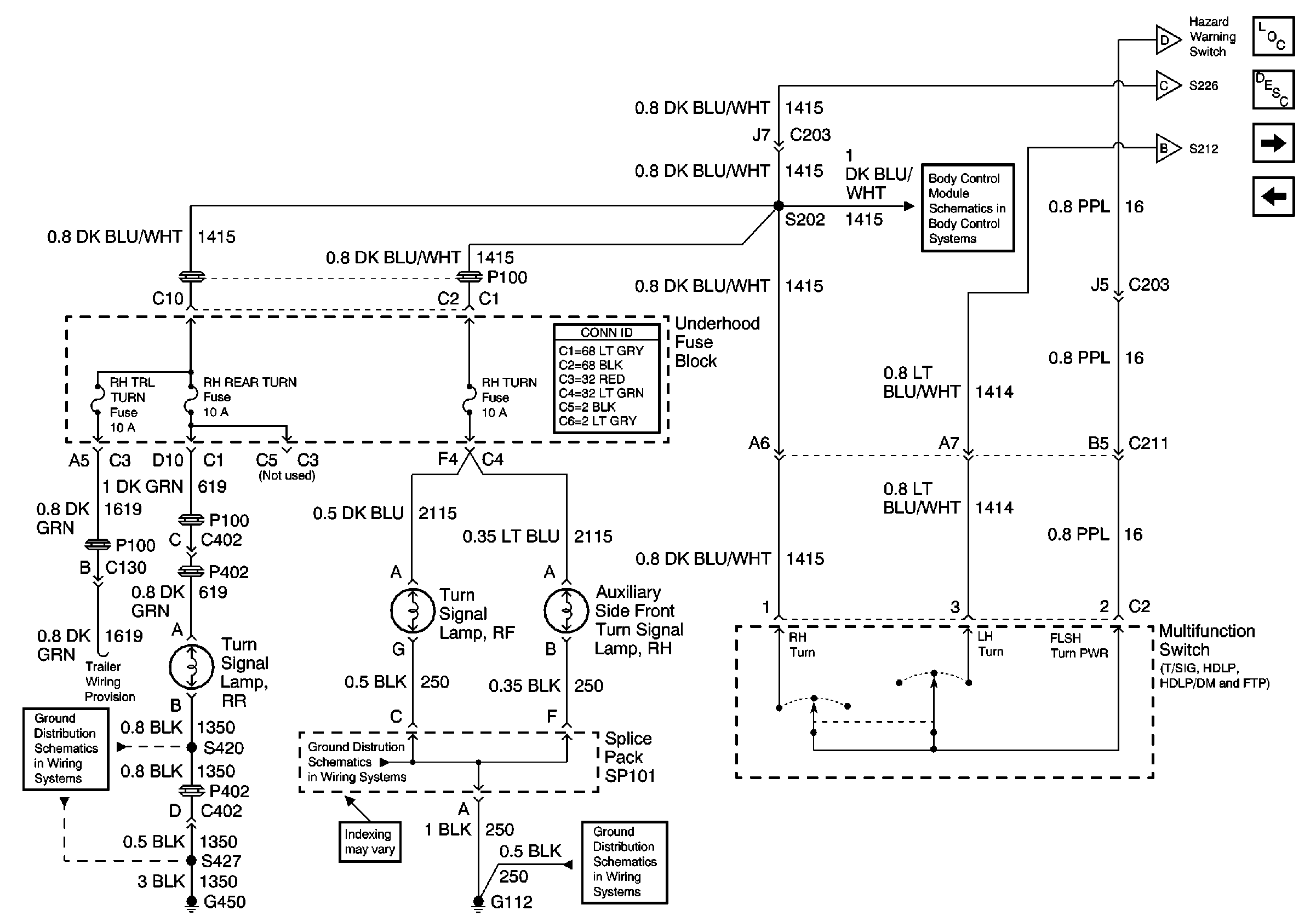
🢒 Turn Signal Switch, RH TURN, RH REAR TURN, and TRL TURN Fuses
Turn Signal Switch, RH TURN, RH REAR TURN, and TRL TURN Fuses
Turn Signal Switch, RH TURN, RH REAR TURN, and TRL TURN Fuses
Lighting Systems Component Views
Exterior Lights Circuit Description
Hazard Switch, TURN, and HAZ LP Fuses
FR PRK LPS, LR PRK LP, RR PRK LP, and TRL PRK LP Fuses
Hazard Switch, TURN, and HAZ LP Fuses
Instrument Cluster, LT TURN and RT TURN Fuses
Power and Grounding Connector End Views
G450
G111 and G112
G111 and G112