GM Service Manual Online
For 1990-2009 cars only
Makes
🢒
Chevrolet
🢒
2000
🢒
Blazer - 4WD - RHD
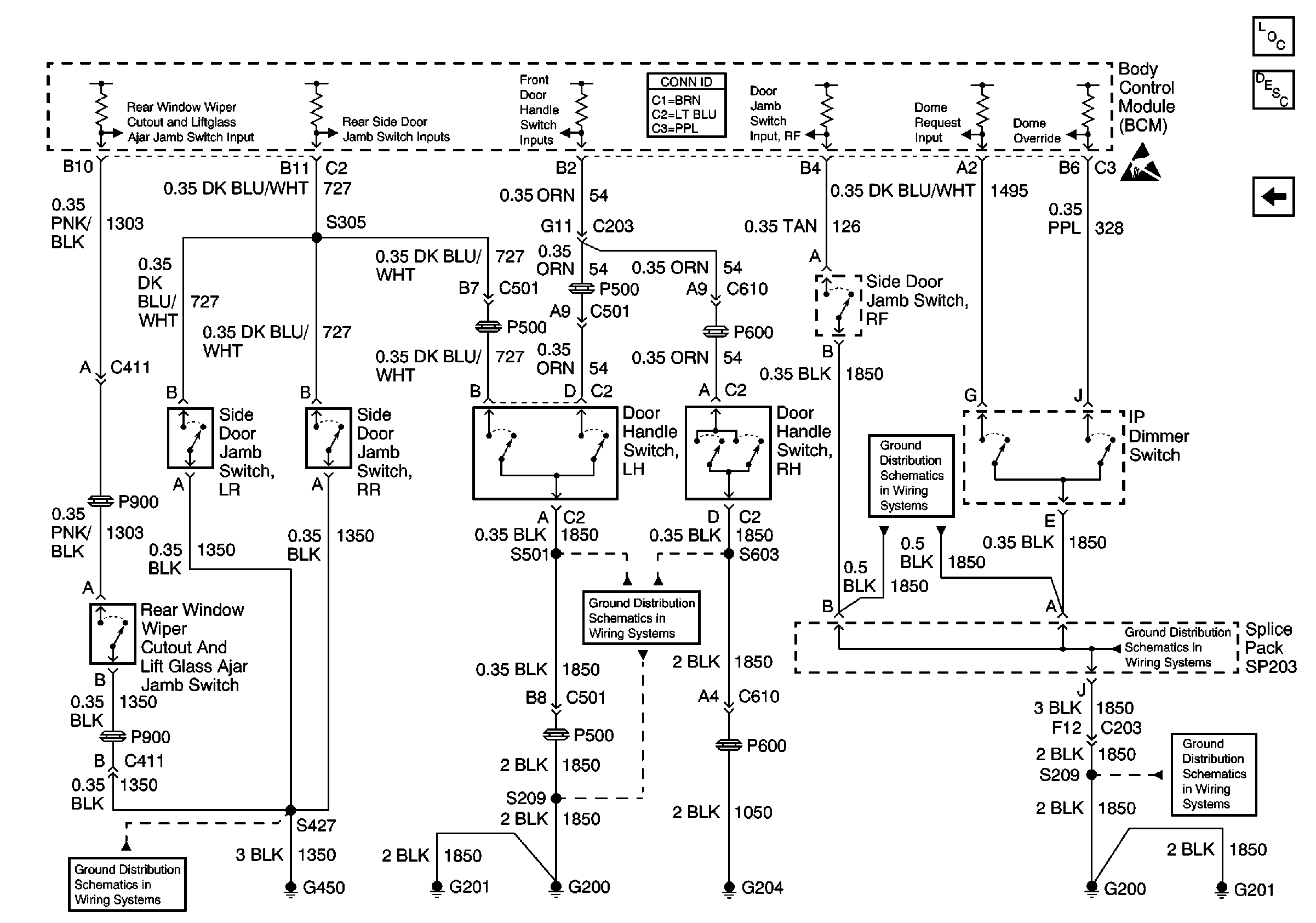
🢒 Body Control Module (BCM) and IP Dimmer Switch
Body Control Module (BCM) and IP Dimmer Switch
Body Control Module (BCM) and IP Dimmer Switch
Lighting Systems Component Views
Interior Lights Circuit Description
Power and Ground
Body Control System Connector End Views
Handling ESD Sensitive Parts Notice
G450
G200 and G201
SP203
SP203
G200 and G201