GM Service Manual Online
For 1990-2009 cars only
Makes
🢒
Chevrolet
🢒
2000
🢒
Blazer - 4WD - RHD
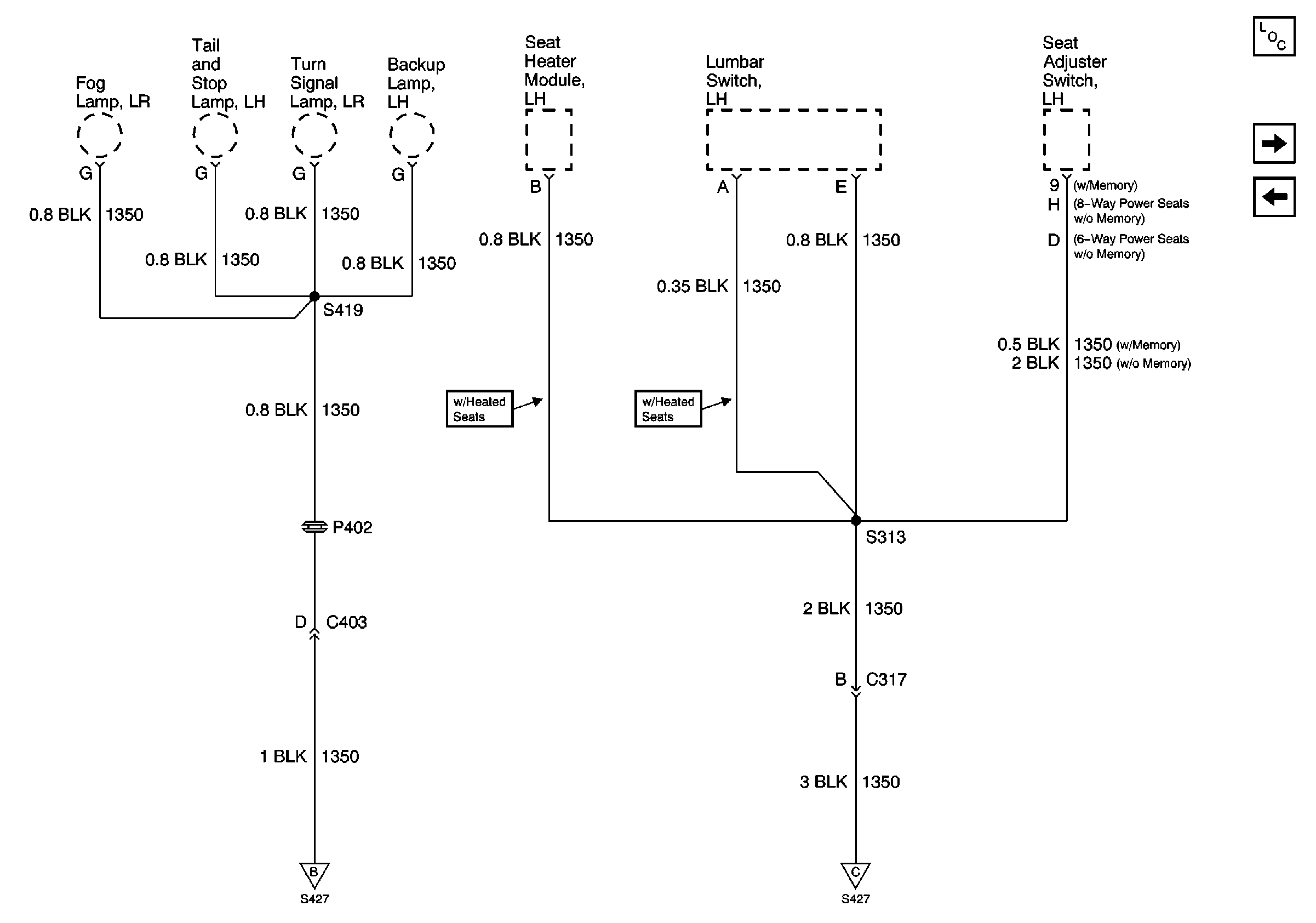
🢒 S313 and S419
S313 and S419
S313 and S419
Power and Grounding Components
G450
S320 and S420
G450
G450