GM Service Manual Online
For 1990-2009 cars only

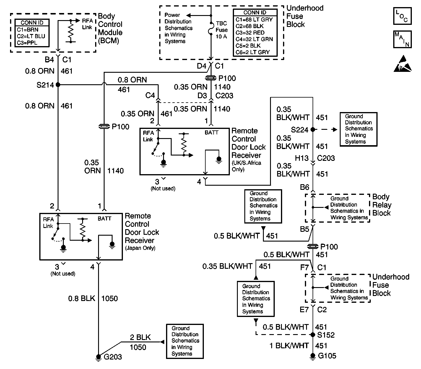
Object Number: 623797  Size: LF
Keyless Entry Components
Keyless Entry Schematics
Handling ESD Sensitive Parts Notice
Power Distribution Schematics
Ground Distribution Schematics
Ground Distribution Schematics
Ground Distribution Schematics
Ground Distribution Schematics
Ground Distribution Schematics
Ground Distribution Schematics

Circuit Description

The body control module (BCM) uses the keyless entry serial data circuit to receive commands from the remote control door lock receiver module to LOCK and UNLOCK the doors. When a key fob button is pressed the key fob transmits a radio frequency keyless entry signal to the remote control door lock receiver. The keyless entry signal is decoded and sent to the BCM on the keyless entry serial data circuit. The BCM then LOCKS or UNLOCKS the doors according to the message received. The keyless entry serial data messages are bi-directional between the BCM and the Remote Control Door Lock Receiver.

Conditions for Running the DTC

The system voltage must be between 9.0 and 16.0 volts.

Conditions for Setting the DTC

    • When the keyless entry serial data circuit is shorted to ground.
    • The above conditions must be met for 0.5 seconds.

Action Taken When the DTC Sets

The keyless entry system will not function.

Conditions for Clearing the MIL/DTC

    • The current DTC will clear immediately after the short to ground is corrected.
    • A history DTC will clear after 100 consecutive ignition cycles without a fault present.
    • Use a scan tool in order to clear history and current DTCs.

Test Description

The number(s) below refer to the step number(s) on the diagnostic table.

  1. The normal state is the state of the input before activation of the fob buttons (NONE). The keyless entry serial data messages is sent bi-directional between the BCM and the Remote Control Door Lock Receiver.

  1. When the UNLOCK button is pressed on the key fob Actv Unlock Fob# will be displayed on Tech2.

  2. The normal state is the state of the input before activation of the fob buttons (NONE).

  3. Tests the signal circuit for a short to ground.

  1. After replacement of the BCM you must calibrate the new module for proper operation.

Step

Action

Value(s)

Yes

No

1

Did you perform the Remote Keyless Entry Diagnostic System Check?

--

Go to Step 2

Go to Diagnostic System Check - Remote Keyless Entry

2

  1. Install a scan tool.
  2. Turn ON the ignition, with the engine OFF.
  3. With a scan tool, observe the RFA Message Since Wake-up parameter in the Body Control Module data list.

Does the scan tool display NONE?

--

Go to Step 3

Go to Step 4

3

  1. Activate the UNLOCK button on the key fob.
  2. With the scan tool, observe the RFA Message Since Wake-up parameter.

Does the RFA Message Since Wake-up parameter change state?

--

Go to Testing for Intermittent Conditions and Poor Connections

Go to Step 4

4

  1. Turn OFF the ignition.
  2. Disconnect the Remote Control Door Lock Receiver.
  3. Turn ON the ignition, with the engine OFF.
  4. With a scan tool, observe the RFA Message Since Wake-up parameter.

Does the scan tool display NONE?

--

Go to Step 7

Go to Step 5

5

Test the signal circuit of the Remote Control Door Lock Receiver for a short to ground. Refer to Circuit Testing and Wiring Repairs in Wiring Systems.

Did you find and correct the condition?

--

Go to Step 10

Go to Step 6

6

Inspect for poor connections at the harness connector of the body of the body control module. Refer to Testing for Intermittent Conditions and Poor Connections and Connector Repairs in Wiring Systems.

Did you find and correct the condition?

--

Go to Step 10

Go to Step 8

7

Inspect for poor connections at the harness connector of the Remote Control Door Lock Receiver. Refer to Testing for Intermittent Conditions and Poor Connections and Connector Repairs in Wiring Systems.

Did you find and correct the condition?

--

Go to Step 10

Go to Step 9

8

  1. Replace the BCM. Refer to Body Control Module Replacement in Body Control Systems.
  2. Program the BCM with the proper calibrations. Refer to Body Control Module (BCM) Programming/RPO Configuration in Body Control Systems.
  3. Perform the learn procedure.

Did you complete the replacement?

--

Go to Step 10

--

9

Replace the Remote Control Door Lock Receiver. Refer to

    •  Receiver Replacement for Japanese models
    •  Receiver Replacement for UK/South Africa models

Did you complete the replacement?

--

Go to Step 10

--

10

  1. Use a scan tool in order to clear the DTCs.
  2. Operate the vehicle within the Conditions for Running the DTC as specified in the supporting text.

Does the DTC reset?

--

Go to Step 2

System OK