GM Service Manual Online
For 1990-2009 cars only

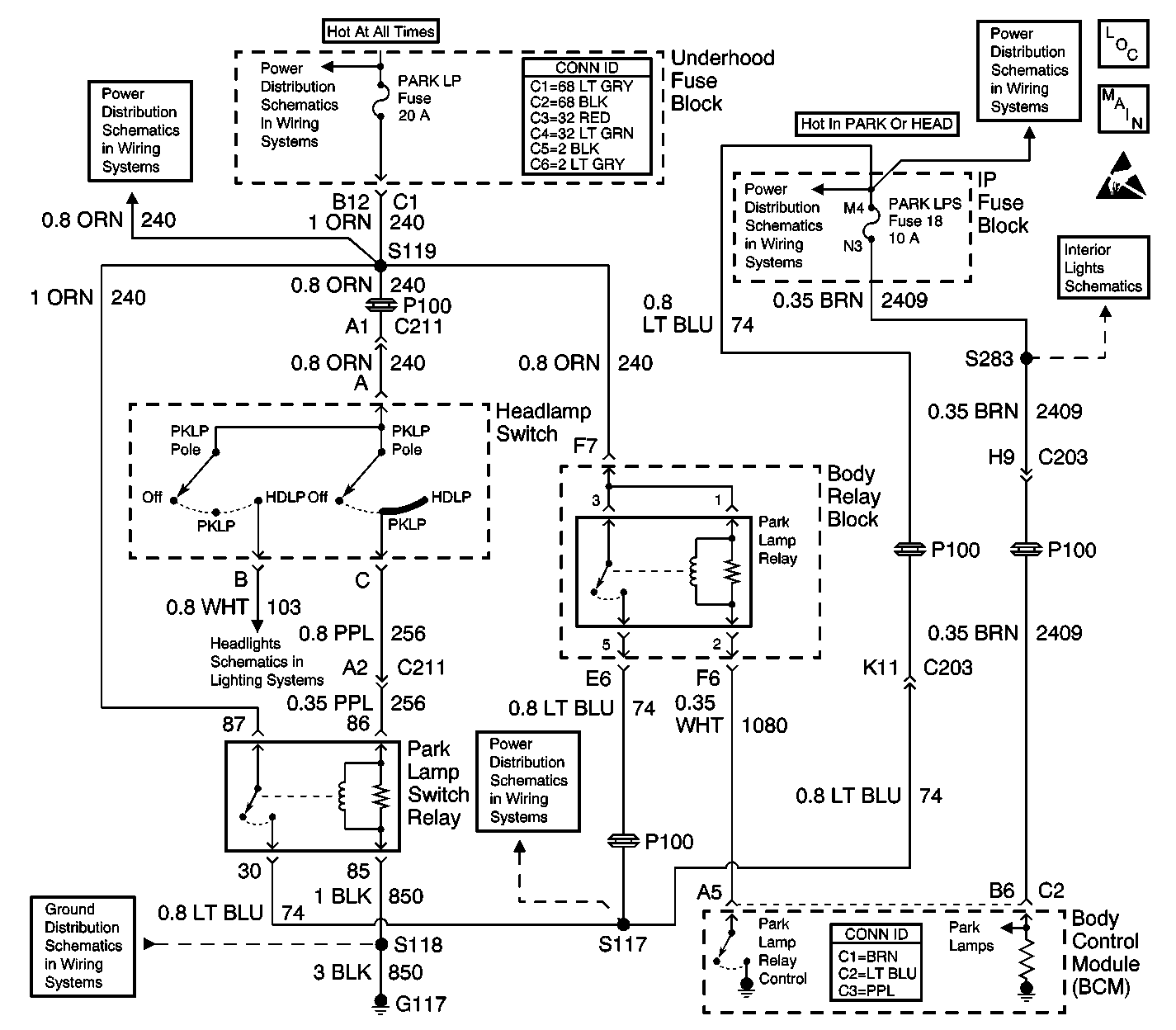
Object Number: 623243  Size: LF
Lighting Systems Components
Fog Lights Schematics
Handling ESD Sensitive Parts Notice
Power Distribution Schematics
Power Distribution Schematics
Headlights Schematics
Power Distribution Schematics
Power Distribution Schematics
Power Distribution Schematics
Ground Distribution Schematics
Interior Lights Schematics

Circuit Description

The body control module (BCM) monitors the voltage on CKT 2409 in order to determine the actual state of the park lamp relay. The BCM also uses CKT 1080 in order to energize the park lamp relay.

Conditions for Running the DTC

    • The key is in the RUN position.
    • The park brake is released.
    • The headlamp and panel dimmer switch is in the AUTO mode.
    • The ambient light sensor is in the DARK state.
    • The system voltage must be between 9.0 and 16.0 volts.

Conditions for Setting the DTC

    • The key is in the RUN position.
    • The park brake is released.
    • The headlamp and panel dimmer switch is in the AUTO mode.
    • The ambient light sensor is in the DARK state.
    • There is a short to ground in CKT 2409 or an open in CKT 1080.
    • If CKT 2409 is open, regardless of the headlamp and panel dimmer switch position, the DTC will set.
    • If CKT 1080 is open, with the headlamp and panel dimmer switch in the AUTO mode, the DTC will set.
    • The system voltage must be between 9.0 and 16.0 volts.
    • The above conditions must be met for 0.5 seconds.

Action Taken When the DTC Sets

The park lamps will be inoperative in the AUTO mode.

Conditions for Clearing the MIL/DTC

    • A current DTC will clear immediately when the condition for setting the fault is corrected with the key ON.
    • A history DTC will clear after 100 consecutive ignition cycles without a fault present.
    • Use a scan tool in order to clear the history and current DTCs.

Diagnostic Aids

Important: Use the appropriate probe from the J 35616 for any probing of electrical components in this table, in order to prevent damage to them.

Perform a visual inspection for loose or poor connections at all related components. Refer to Testing for Intermittent Conditions and Poor Connections in Wiring Systems.

Test Description

The number(s) below refer to the step number(s) on the diagnostic table.

  1. Command both the ON and OFF states. Repeat the commands as necessary.

  2. This step determines if the condition is located on the coil side or the switch side of the circuit.

  3. This step determines if the body control module (BCM) is providing ground for the park lamp relay.

  4. This step determines if a ground is constantly being applied to the park lamp relay.

  5. After you replace the BCM, you must calibrate the new module for proper operation.

Step

Action

Value(s)

Yes

No

1

Did you perform the Lighting System Diagnostic System Check?

--

Go to Step 2

Go to Diagnostic System Check - Lighting Systems

2

  1. Install a scan tool.
  2. Turn ON the ignition, with the engine OFF.
  3. With a scan tool, command the park lamps relay ON and OFF.

Do the park lamps turn ON and OFF with each command?

--

Go to Testing for Intermittent Conditions and Poor Connections

Go to Step 3

3

With a scan tool, command the park lamp relay ON and OFF.

Do you hear a click when you command the park lamp relay ON and OFF?

--

Go to Step 9

Go to Step 4

4

  1. Turn OFF the ignition.
  2. Disconnect the park lamp relay.
  3. Turn ON the ignition, with the engine OFF.
  4. Probe the PARK LPS voltage circuit of the park lamp coil with a test lamp that is connected to a good ground.

Does the test lamp illuminate?

--

Go to Step 5

Go to Step 19

5

  1. Connect a test lamp between the control circuit of the park lamp relay and the PARK LPS voltage circuit of the park lamp relay coil.
  2. With a scan tool, command the park lamp relay ON and OFF .

Does the test lamp turn ON and OFF with each command?

--

Go to Step 16

Go to Step 6

6

Does the test lamp remain illuminated with each command?

--

Go to Step 8

Go to Step 7

7

Test the control circuit of the park lamp relay for a short to voltage or an open. Refer to Circuit Testing and Wiring Repairs in Wiring Systems.

Did you find and correct the condition?

--

Go to Step 24

Go to Step 17

8

Test the control circuit of the park lamp relay for a short to ground. Refer to Circuit Testing and Wiring Repairs in Wiring Systems.

Did you find and correct the condition?

--

Go to Step 24

Go to Step 23

9

Turn ON the ignition, with the engine OFF.

Do the park lamps operate continuously?

--

Go to Step 10

Go to Step 11

10

  1. Turn OFF the ignition.
  2. Disconnect the park lamp relay.
  3. Turn ON the ignition, with the engine OFF.

Do the park lamps operate continuously?

--

Go to Step 18

Go to Step 22

11

  1. Turn OFF the ignition.
  2. Disconnect the park lamp relay.
  3. Probe the PARK LPS voltage circuit of the park lamp relay switch with a test lamp that is connected to a good ground.

Does the test lamp illuminate?

--

Go to Step 12

Go to Step 20

12

Connect a 3 amp fused jumper wire between the PARK LPS voltage circuit of the park lamp relay switch and the supply voltage circuit of the park lamps.

Do the park lamps operate?

--

Go to Step 16

Go to Step 13

13

Test the supply voltage circuit of the park lamps for an open or high resistance. Refer to Circuit Testing and Wiring Repairs in Wiring Systems.

Did you find and correct the condition?

--

Go to Step 24

Go to Step 14

14

Test the ground circuit of the park lamps for an open or high resistance. Refer to Circuit Testing and Wiring Repairs in Wiring Systems.

Did you find and correct the condition?

--

Go to Step 24

Go to Step 15

15

Inspect for poor connections at the headlamp panel dimmer switch. Refer to Testing for Intermittent Conditions and Poor Connections and Connector Repairs in Wiring Systems.

Did you find and correct the condition?

--

Go to Step 24

Go to Step 21

16

Inspect for poor connections at the park lamp relay. Refer to Testing for Intermittent Conditions and Poor Connections and Connector Repairs in Wiring Systems.

Did you find and correct the condition?

--

Go to Step 24

Go to Step 22

17

Inspect for poor connections at the harness connector of the body control module. Refer to Testing for Intermittent Conditions and Poor Connections and Connector Repairs in Wiring Systems.

Did you find and correct the condition?

--

Go to Step 24

Go to Step 23

18

Repair the supply voltage circuit of the park lamps for a short to voltage. Refer to Wiring Repairs in Wiring Systems.

Did you complete the repair?

--

Go to Step 24

--

19

Repair the PARK LPS voltage circuit of the park lamp relay coil. Refer to Wiring Repairs in Wiring Systems.

Did you complete the repair?

--

Go to Step 24

--

20

Repair the PARK LPS voltage circuit of the park lamp relay switch. Refer to Wiring Repairs in Wiring Systems.

Did you complete the repair?

--

Go to Step 24

--

21

Replace the headlamp and panel dimmer switch. Refer to Turn Signal Switch Replacement - On Vehicle .

Did you complete the replacement?

--

Go to Step 24

--

22

Replace the park lamp relay.

Did you complete the replacement?

--

Go to Step 24

--

23

  1. Replace the BCM. Refer to Body Control Module Replacement in Body Control System.
  2. Program the BCM with the proper calibrations. Refer to Body Control Module (BCM) Programming/RPO Configuration .
  3. Perform the learn procedure.

Did you complete the replacement?

--

Go to Step 24

--

24

Operate the system in order to verify the repair.

Did you correct the condition?

--

Go to Step 2

System OK