GM Service Manual Online
For 1990-2009 cars only
Makes
🢒
Chevrolet
🢒
2001
🢒
Blazer - 4WD - RHD
🢒
Body and Accessories
🢒
Lighting Systems
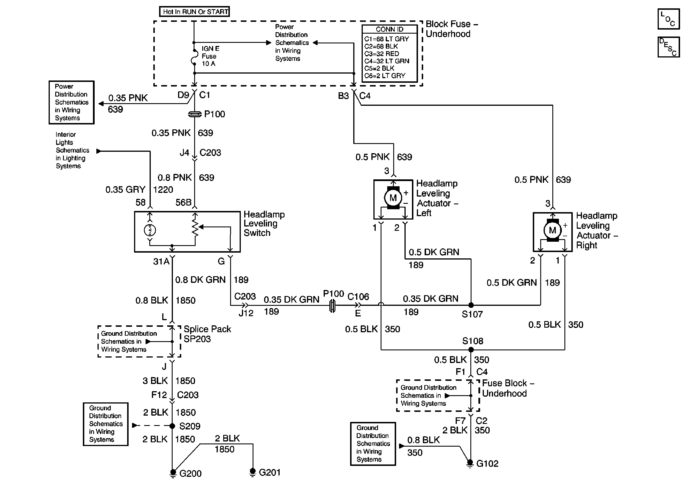
🢒 Headlight Leveling Schematics
Master Electrical Component List
Exterior Lighting Systems Description and Operation
IGN E, GAUGES, and SIR Fuses
IGN E, GAUGES, and SIR Fuses
Hazard Switch, Radio, Instrument Panel Cluster (IPC) And Ground
SP203
G200 and G201
G102
G102