GM Service Manual Online
For 1990-2009 cars only
Makes
🢒
Chevrolet
🢒
2001
🢒
Blazer - 4WD - RHD
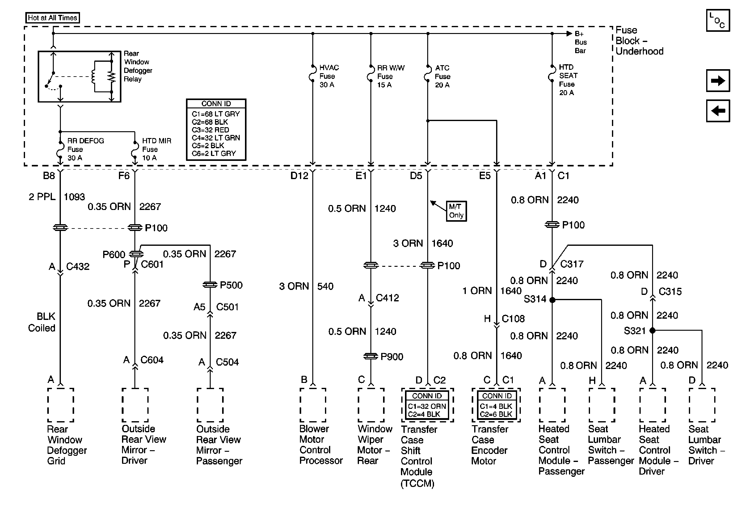
🢒 HVAC, RR W/W, ATC, HTD SEAT, RR DEFOG and HTD MIR Fuses
HVAC, RR W/W, ATC, HTD SEAT, RR DEFOG and HTD MIR Fuses
HVAC, RR W/W, ATC, HTD SEAT, RR DEFOG and HTD MIR Fuses
Master Electrical Component List
HDLP W/W, IGN C, TBC, LDLEV, and HORN Fuses
A/C, ABS, ECM B, FOG LP, STOP LP, VECHMSL, and TRCHMSL Fuses
B+ Bus Bar