GM Service Manual Online
For 1990-2009 cars only
Makes
🢒
Chevrolet
🢒
2001
🢒
Blazer - 4WD - RHD
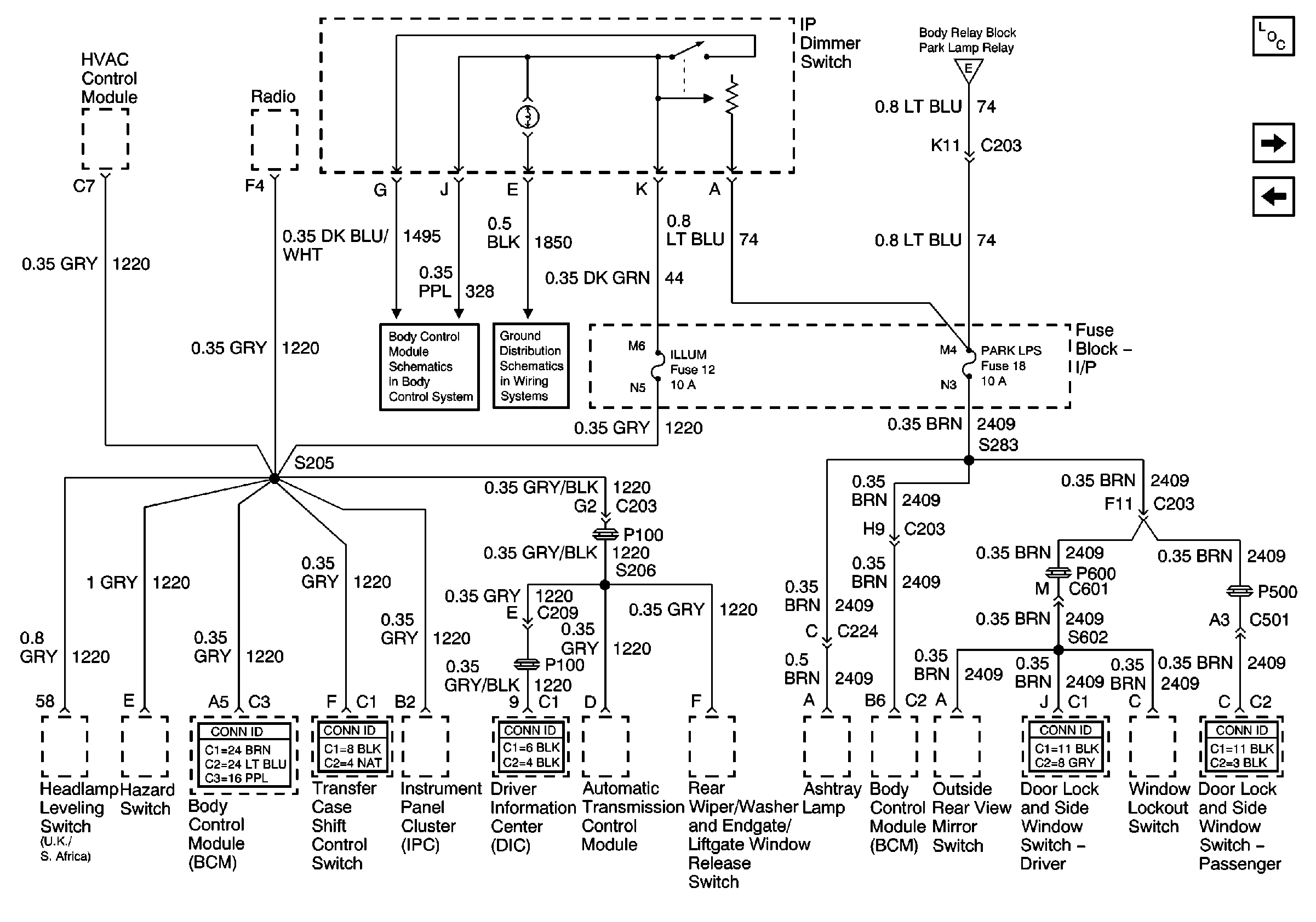
🢒 ILLUM and PARK LP Fuses
ILLUM and PARK LP Fuses
ILLUM and PARK LP Fuses
Master Electrical Component List
B/U LP, OXYSEN, ENG I, TRL B/U, VEH B/U and BTSI Fuses
PARK LP, FR PRK, LR PRK, RR PRK, and TRL PRK Fuses
PARK LP, FR PRK, LR PRK, RR PRK, and TRL PRK Fuses
Interior Lamps
SP203