GM Service Manual Online
For 1990-2009 cars only
Makes
🢒
Chevrolet
🢒
2001
🢒
Blazer - 4WD - RHD
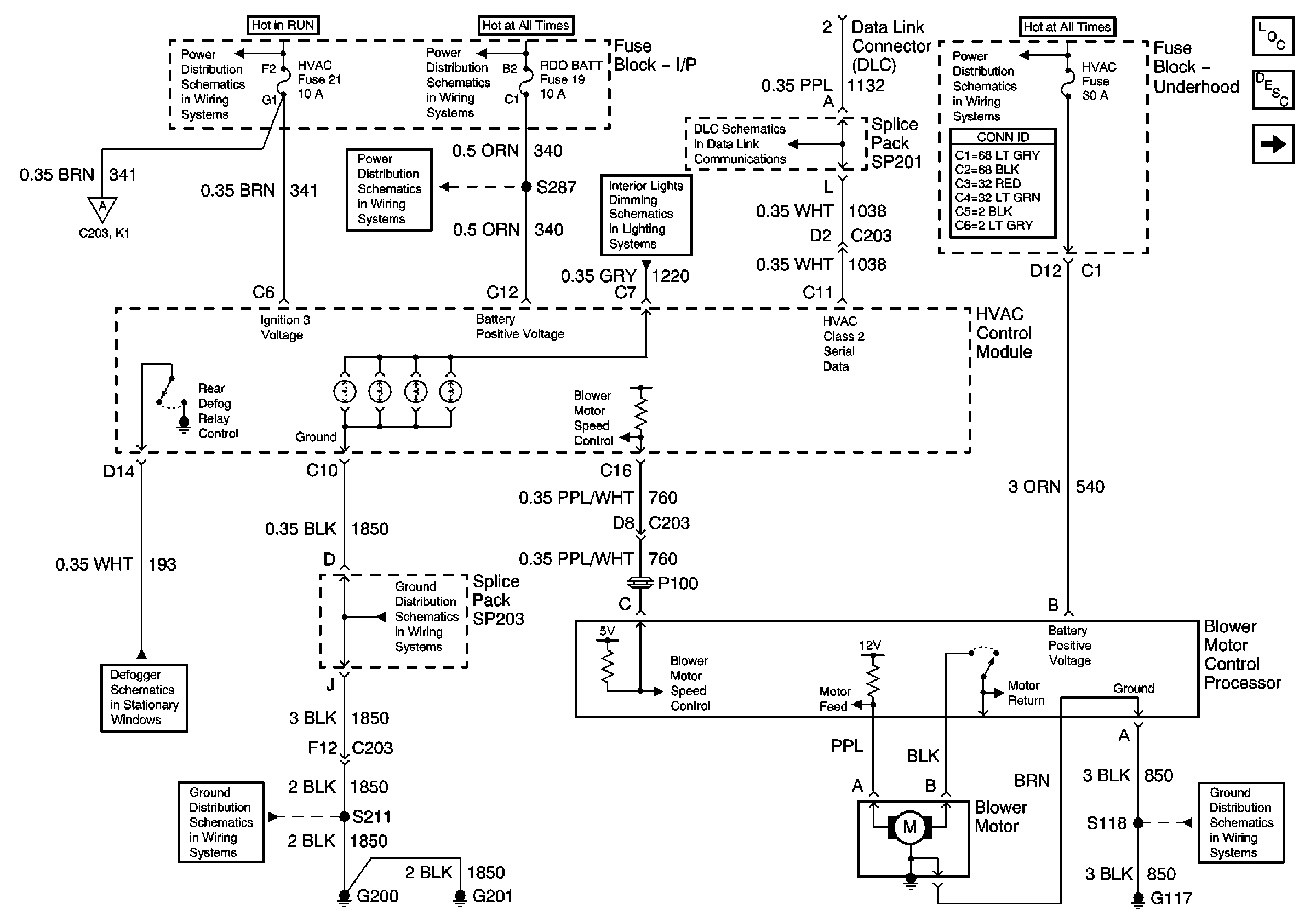
🢒 Blower Motor, Blower Motor Control Processor, HVAC Control Module, DLC, G203 and G204
Blower Motor, Blower Motor Control Processor, HVAC Control Module, DLC, G203 and G204
Blower Motor, Blower Motor Control Processor, HVAC Control Module, DLC, G203 and G204
Master Electrical Component List
Air Delivery Description and Operation
A/C Low and High Pressure Switches, A/C Compressor Clutch , D100, G102,G103, G105, HVAC Control Module and PCM
Ign RUN and START Bus Bar
RDO BAT and AUX PWR Fuses
HVAC Control Module, Air Temperature Actuator, Vacuum Control Assembly, Air Temperature Sensor - Inside, and G202
RDO BAT and AUX PWR Fuses
Hazard Switch, Radio, Instrument Panel Cluster (IPC) And Ground
Splice Pack SP201 and Modules
B+ Bus Bar
Defogger Schematics
G203 and G205
SP203
G117