GM Service Manual Online
For 1990-2009 cars only
Makes
🢒
Chevrolet
🢒
2001
🢒
Blazer - 4WD - RHD
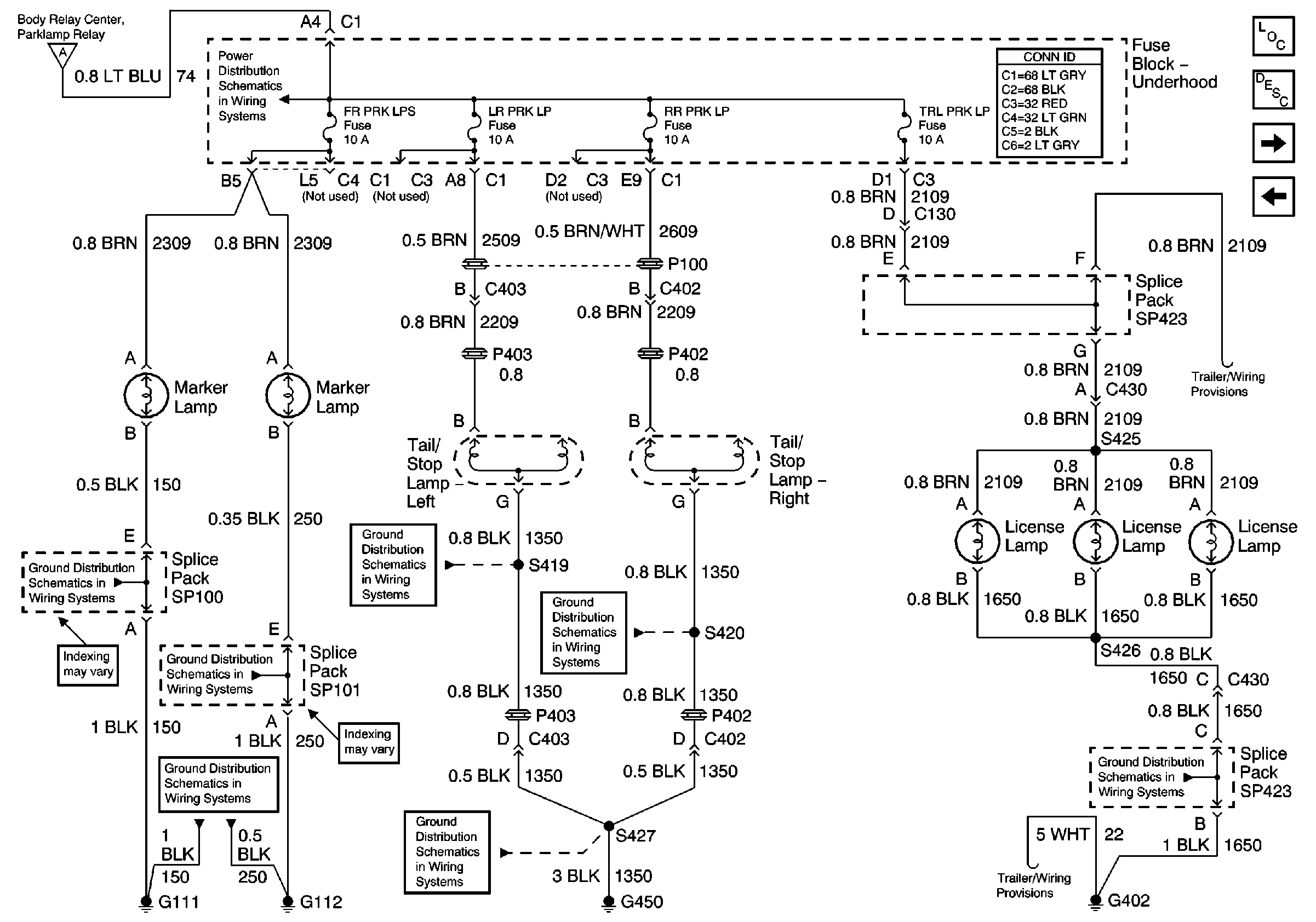
🢒 FR PRK LPS, LR PRK LP, RR PRK LP, and TRL PRK LP Fuses
FR PRK LPS, LR PRK LP, RR PRK LP, and TRL PRK LP Fuses
FR PRK LPS, LR PRK LP, RR PRK LP, and TRL PRK LP Fuses
Master Electrical Component List
Exterior Lighting Systems Description and Operation
Turn Signal Switch, RH TURN, RH REAR TURN, and TRL TURN Fuses
Power and Headlamp Switch
Power and Headlamp Switch
PARK LP, FR PRK, LR PRK, RR PRK, and TRL PRK Fuses
G111 and G112
G111 and G112
G111 and G112
S313 and S419
G450
S320 and S420
G402 and G420