GM Service Manual Online
For 1990-2009 cars only
Makes
🢒
Chevrolet
🢒
2001
🢒
Blazer - 4WD - RHD
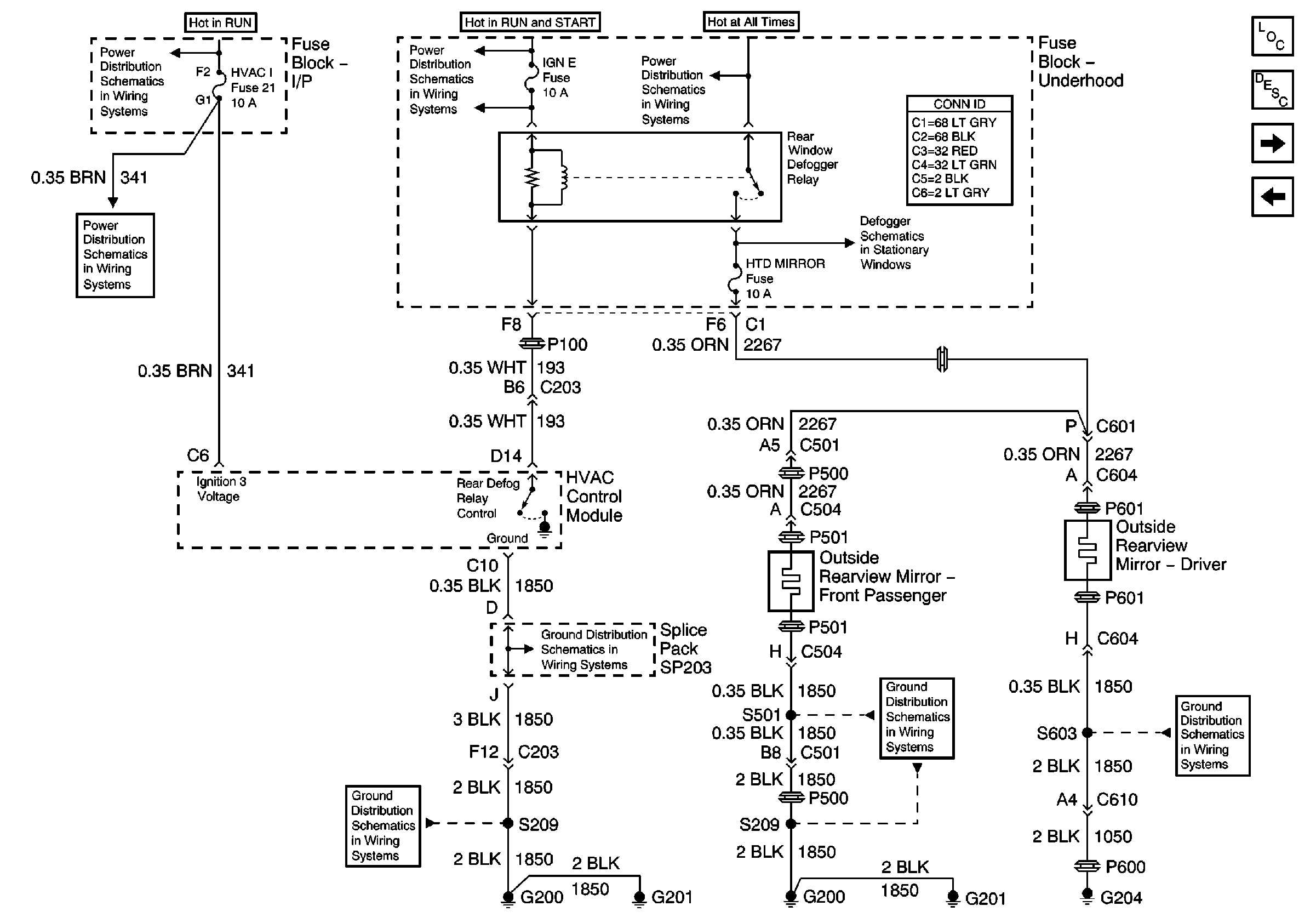
🢒 Heated Mirrors
Heated Mirrors
Heated Mirrors
Master Electrical Component List
Outside Mirror Description and Operation Heated Mirrors
Outside Rear View Mirror Controls
Power and Ground
Ign RUN and START Bus Bar
IGN E, GAUGES, and SIR Fuses
B+ Bus Bar
HVAC Control Module, Air Temperature Actuator, Vacuum Control Assembly, Air Temperature Sensor - Inside, and G202
Defogger Schematics
G200 and G201
SP203
G200 and G201
G202 and G204