GM Service Manual Online
For 1990-2009 cars only
Makes
🢒
Chevrolet
🢒
2002
🢒
Blazer - 4WD - RHD
🢒
Body and Accessories
🢒
Seats
🢒 Heated Seats Schematics
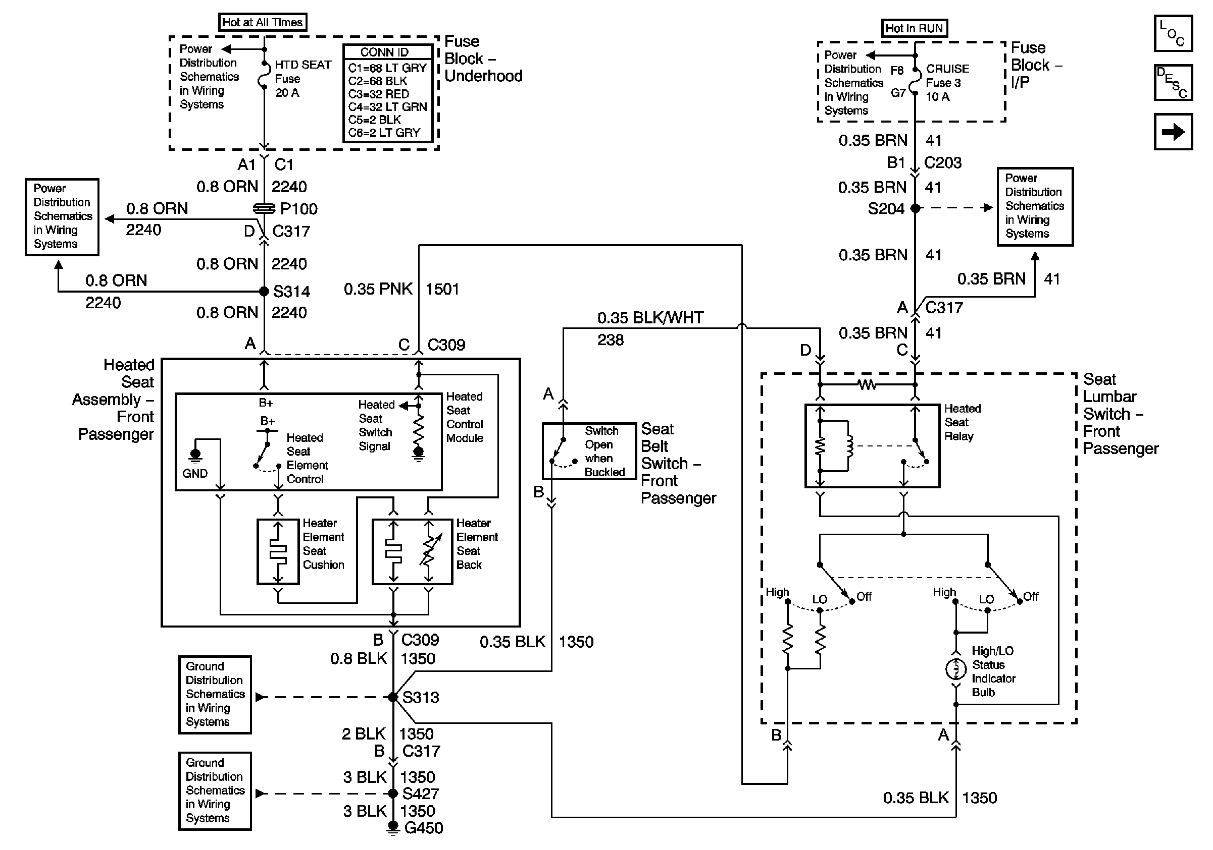
Figure
1:
Heated Seat Control Module and Lumbar Switch (w/ Heat) - Front Passenger
Master Electrical Component List
Heated Seats Description and Operation
Heated Seat Control Module and Lumbar Switch (w/ Heat) - Driver
B+ Bus Bar
Ign RUN and START Bus Bar
HVAC, RR W/W, ATC, HTD SEAT, RR DEFOG and HTD MIR Fuses
RDO IGN, FRT WPR, RR WIPER, ABS and CRUISE Fuses
S313 and S419
G450
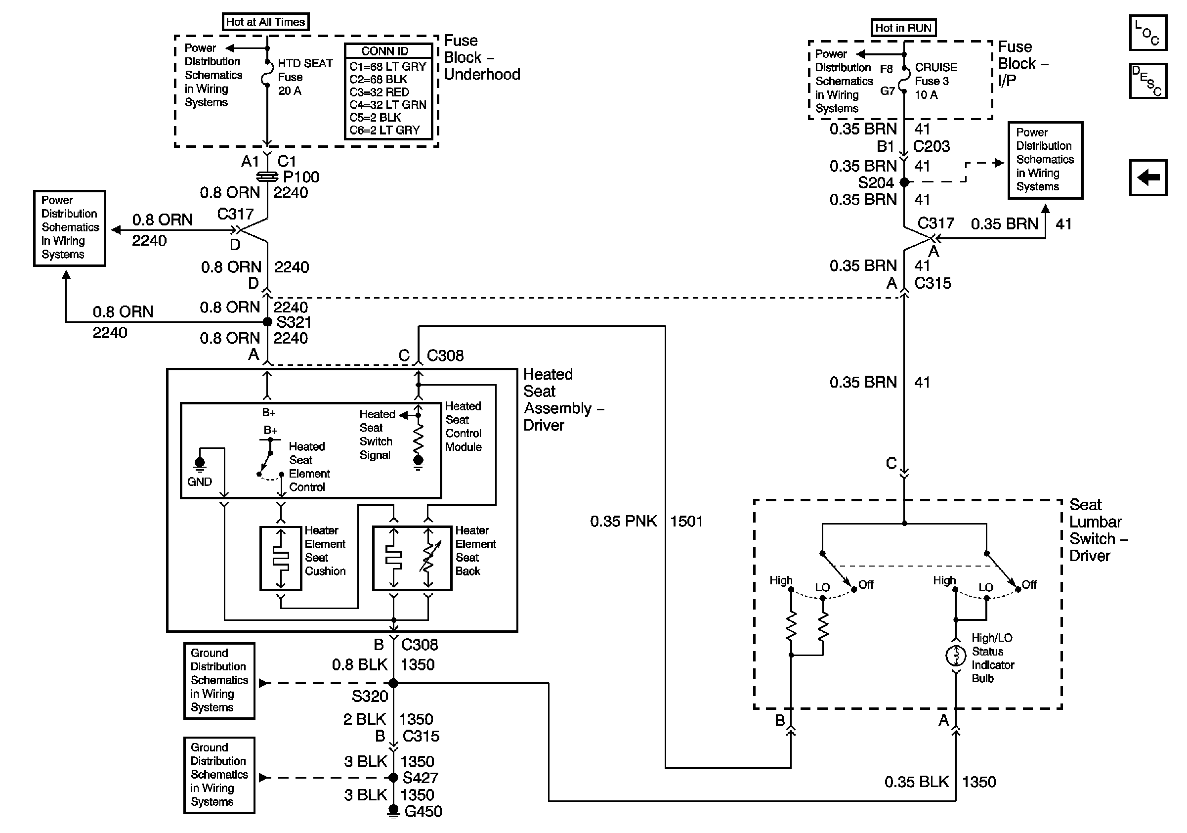
Figure
2:
Heated Seat Control Module and Lumbar Switch (w/ Heat) - Driver
Master Electrical Component List
Heated Seats Description and Operation
Heated Seat Control Module and Lumbar Switch (w/ Heat) - Front Passenger
B+ Bus Bar
Ign RUN and START Bus Bar
HVAC, RR W/W, ATC, HTD SEAT, RR DEFOG and HTD MIR Fuses
S320 and S420
G450