GM Service Manual Online
For 1990-2009 cars only
Makes
🢒
Chevrolet
🢒
2002
🢒
Blazer - 4WD - RHD
🢒
Body and Accessories
🢒
Wipers/Washer Systems
🢒 Wiper/Washer Schematics
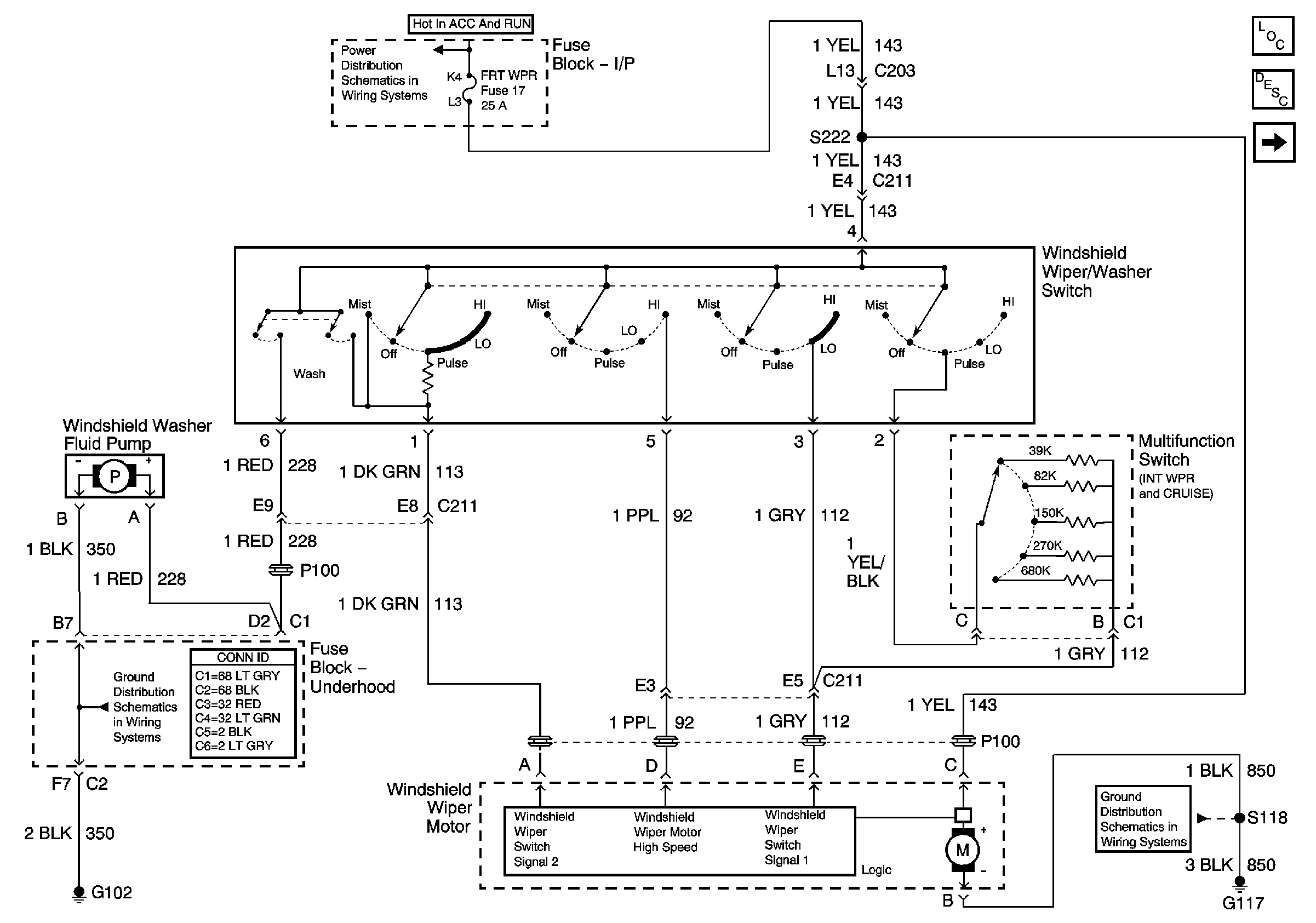
Figure
1:
Pulse Wipers
Master Electrical Component List
Wiper/Washer System Description and Operation
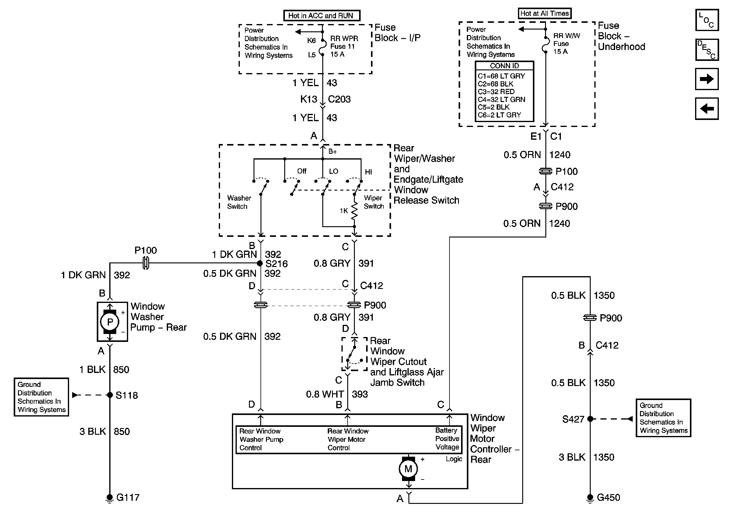
Rear Wipers
G102
Ign START, RUN and ACC Bus Bar
G117
Figure
2:
Rear Wipers
Master Electrical Component List
Rear Wiper/Washer System Description and Operation
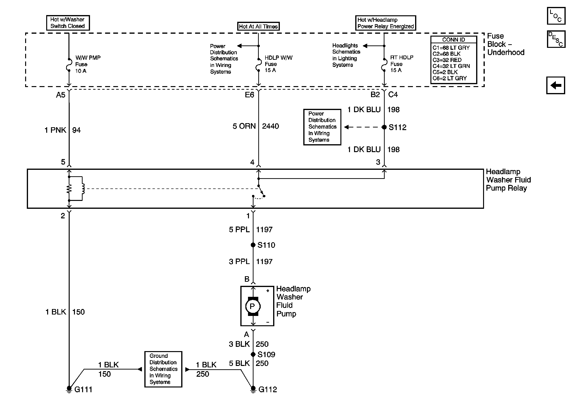
Headlamp Washers
Pulse Wipers
G117
Ign START, RUN and ACC Bus Bar
B+ Bus Bar
G450
Figure
3:
Headlamp Washers
Master Electrical Component List
Headlamp Washer System Description and Operation
Rear Wipers
G111 and G112
B+ Bus Bar
MIR/LKS, LH HDLP and RH HDLP Fuses
Power, Flash-to-Pass, and BCM