GM Service Manual Online
For 1990-2009 cars only
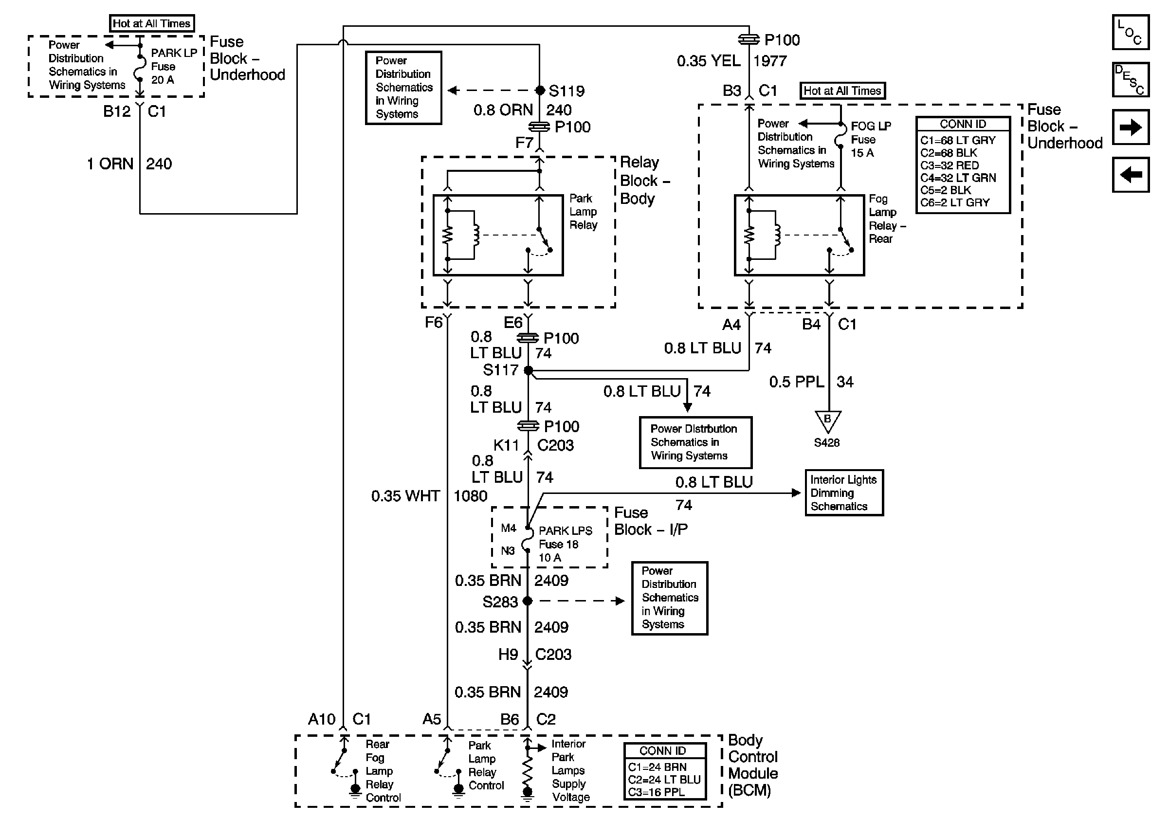
Figure 1:

Fog Lamp Relay - Front


Object Number: 753119  Size: FS
Master Electrical Component List
Exterior Lighting Systems Description and Operation
Fog Lamps - LF/RF, and Fog Lamp Switch - Front
B+ Bus Bar
PARK LP, FR PRK, LR PRK, RR PRK, and TRL PRK Fuses
PARK LP, FR PRK, LR PRK, RR PRK, and TRL PRK Fuses
Fog Lamps - LF/RF, and Fog Lamp Switch - Front
Power, Ground and BCM
ILLUM and PARK LP Fuses
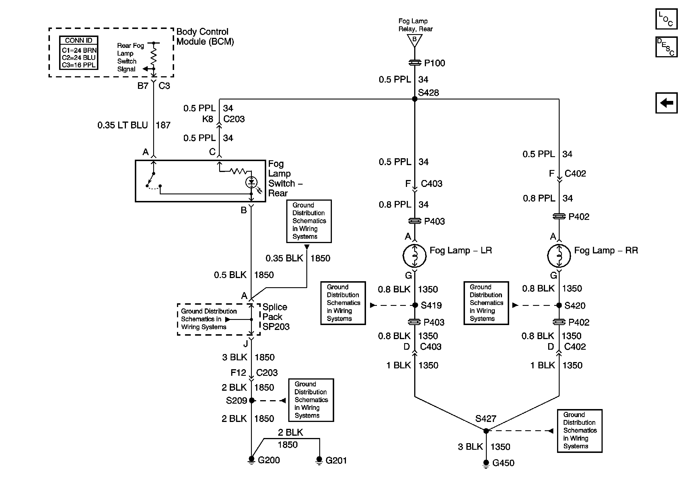
Figure 2:

Fog Lamps - LF/RF, and Fog Lamp Switch - Front


Object Number: 753121  Size: FS
Master Electrical Component List
Exterior Lighting Systems Description and Operation
Fog Lamp Relay - Rear
Fog Lamp Relay - Front
Fog Lamp Relay - Front
SP203
G111 and G112
G111 and G112
G200 and G201
G111 and G112
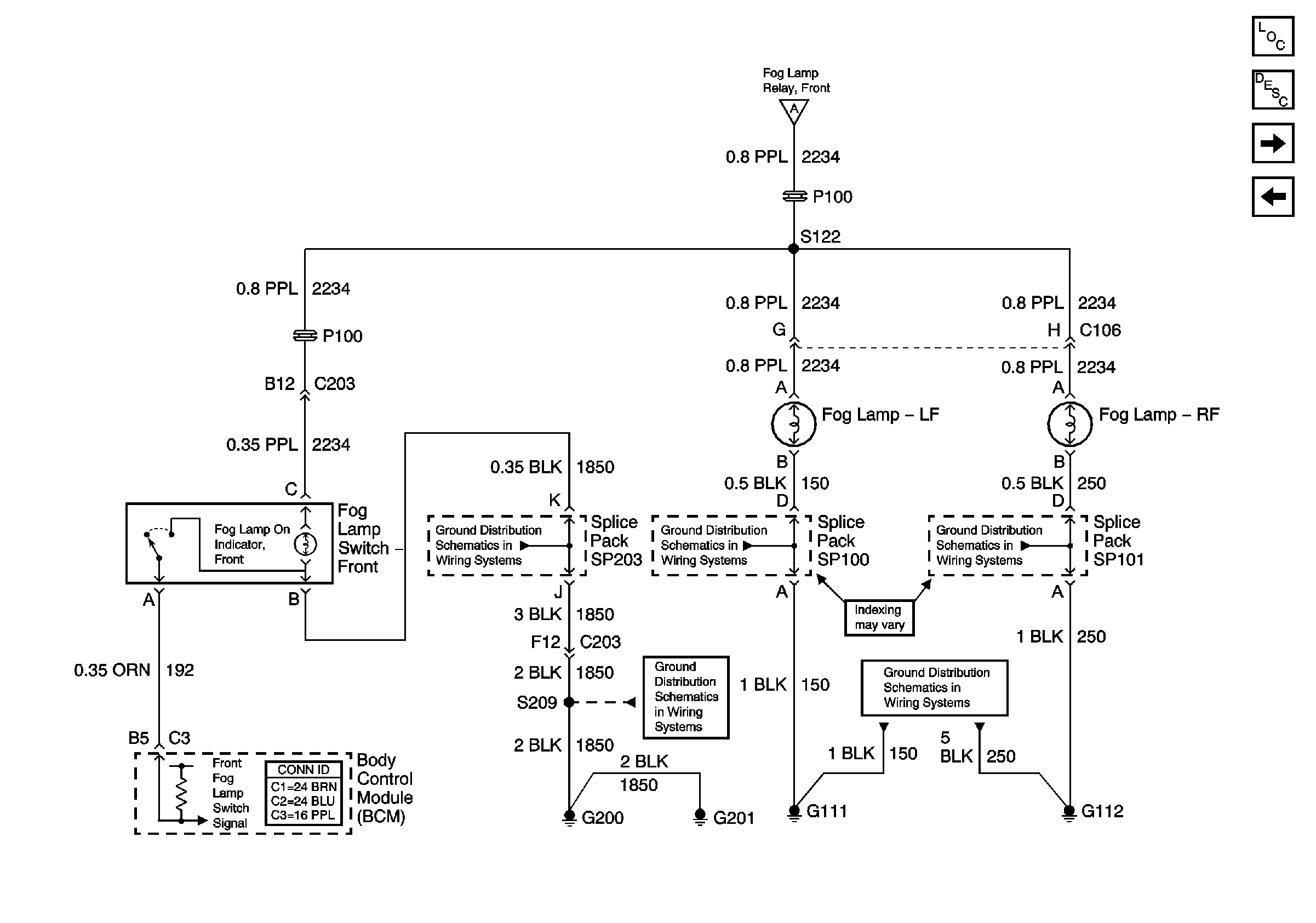
Figure 3:

Fog Lamp Relay - Rear


Object Number: 753122  Size: FS
Master Electrical Component List
Exterior Lighting Systems Description and Operation
Fog Lamps - LR/RR, and Fog Lamp Switch - Rear
Fog Lamps - LF/RF, and Fog Lamp Switch - Front
B+ Bus Bar
PARK LP, FR PRK, LR PRK, RR PRK, and TRL PRK Fuses
B+ Bus Bar
Fog Lamp Relay - Front
Fog Lamps - LR/RR, and Fog Lamp Switch - Rear
Power, Ground and BCM
ILLUM and PARK LP Fuses
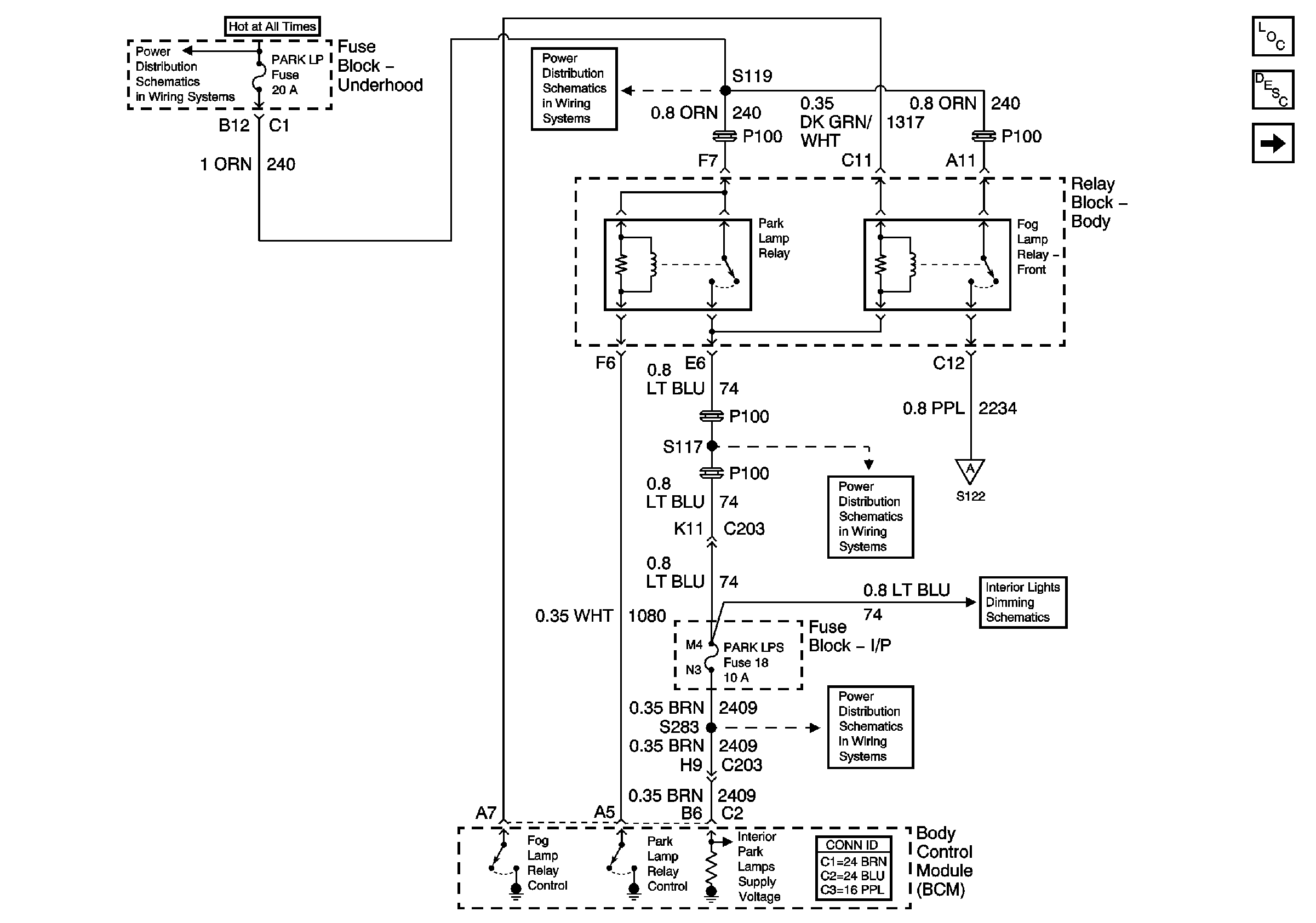
Figure 4:

Fog Lamps - LR/RR, and Fog Lamp Switch - Rear


Object Number: 753123  Size: FS
Master Electrical Component List
Exterior Lighting Systems Description and Operation
Fog Lamp Relay - Rear
SP203
SP203
S313 and S419
G200 and G201
Fog Lamp Relay - Rear
S320 and S420
G450