GM Service Manual Online
For 1990-2009 cars only
Makes
🢒
Chevrolet
🢒
2002
🢒
Blazer - 4WD - RHD
🢒
Body and Accessories
🢒
Wiring Systems
🢒 Headlights Schematics
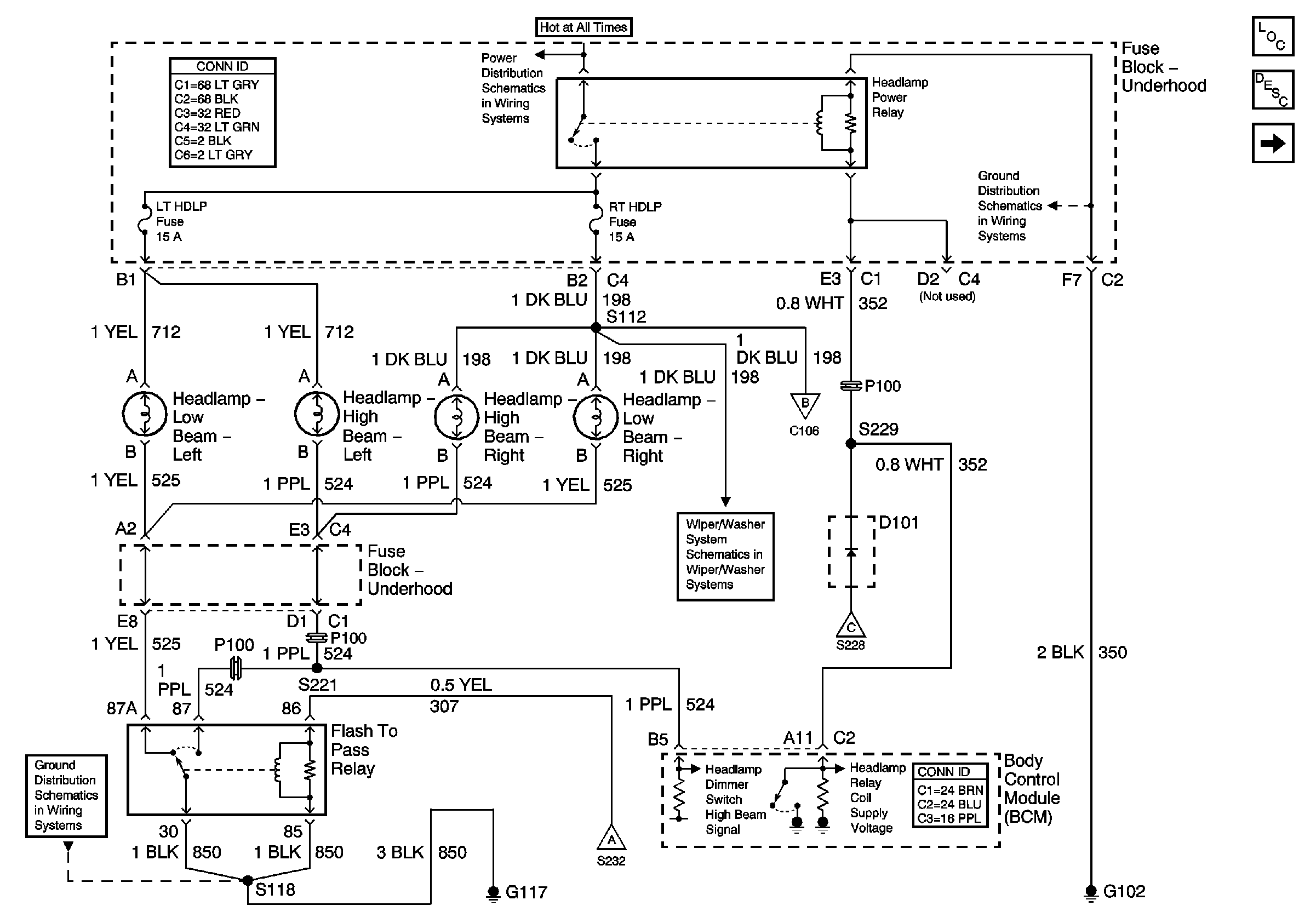
Figure
1:
Power, Flash-to-Pass, and BCM
Master Electrical Component List
Exterior Lighting Systems Description and Operation
Power, Headlamp Switch, and Multifunction Switch
G117
B+ Bus Bar
Power, Headlamp Switch, and Multifunction Switch
Headlamp Washers
Power, Headlamp Switch, and Multifunction Switch
Power, Headlamp Switch, and Multifunction Switch
G102
Figure
2:
Power, Headlamp Switch, and Multifunction Switch
Master Electrical Component List
Exterior Lighting Systems Description and Operation
Power, Flash-to-Pass, and BCM
PARK LP, FR PRK, LR PRK, RR PRK, and TRL PRK Fuses
B+ Bus Bar
Power and Headlamp Switch
Power, Flash-to-Pass, and BCM
Ign START, RUN and ACC Bus Bar
IGN E, GAGES, and SIR Fuses
G200 and G201
Power, Flash-to-Pass, and BCM
Power, Flash-to-Pass, and BCM