GM Service Manual Online
For 1990-2009 cars only
Makes
🢒
Chevrolet
🢒
2002
🢒
Blazer - 4WD - RHD
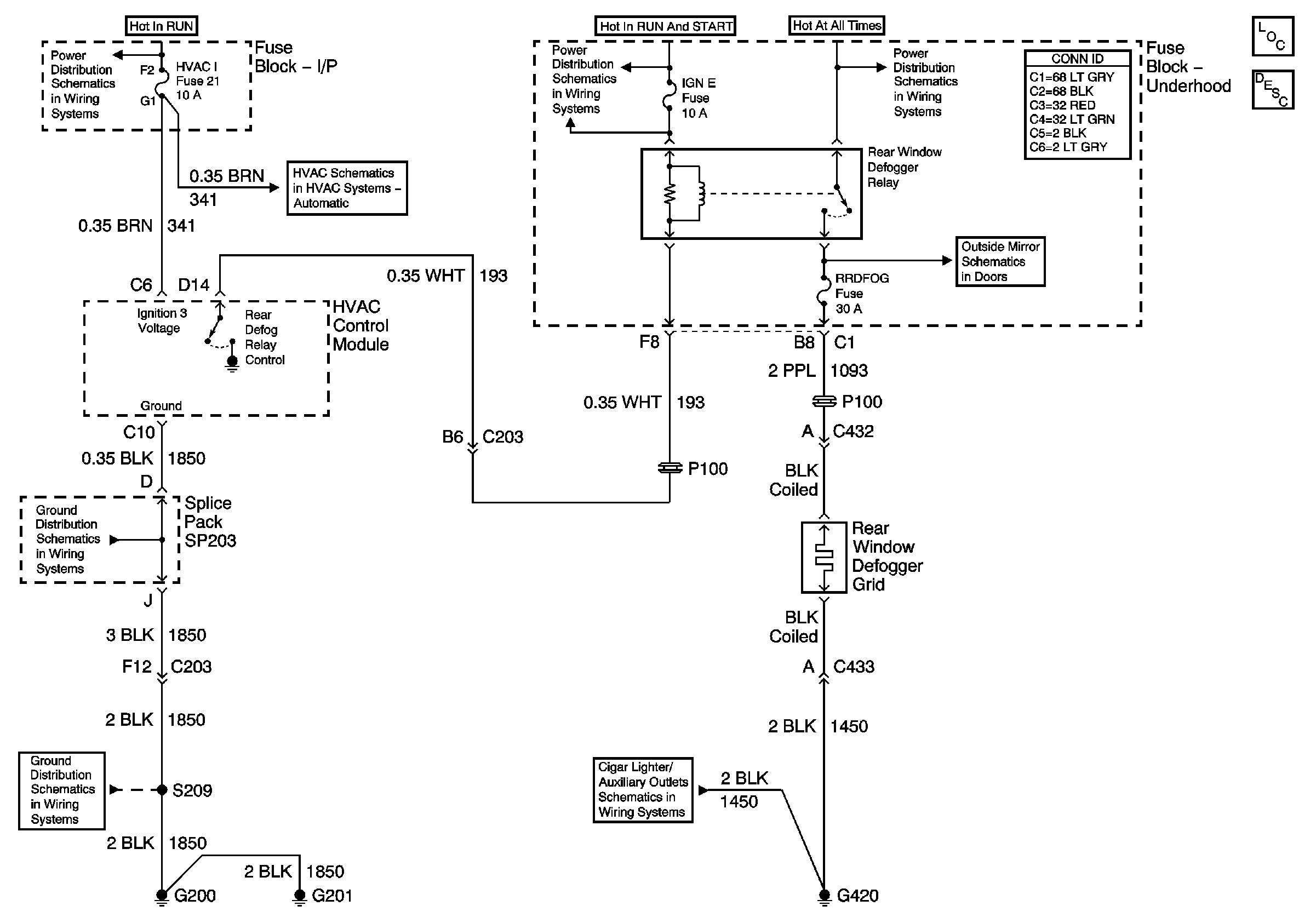
🢒 Defogger Schematics
Defogger Schematics
Master Electrical Component List
Rear Window Defogger Description and Operation
Ign RUN and START Bus Bar
Blower Motor, Blower Motor Control, HVAC Control Module, DLC, G203and G204
SP203
G200 and G201
Ign START, RUN and ACC Bus Bar
Cigar Lighter/Auxiliary Outlets Schematics
B+ Bus Bar
Heated Mirrors