GM Service Manual Online
For 1990-2009 cars only
Makes
🢒
Chevrolet
🢒
2002
🢒
Blazer - 4WD - RHD
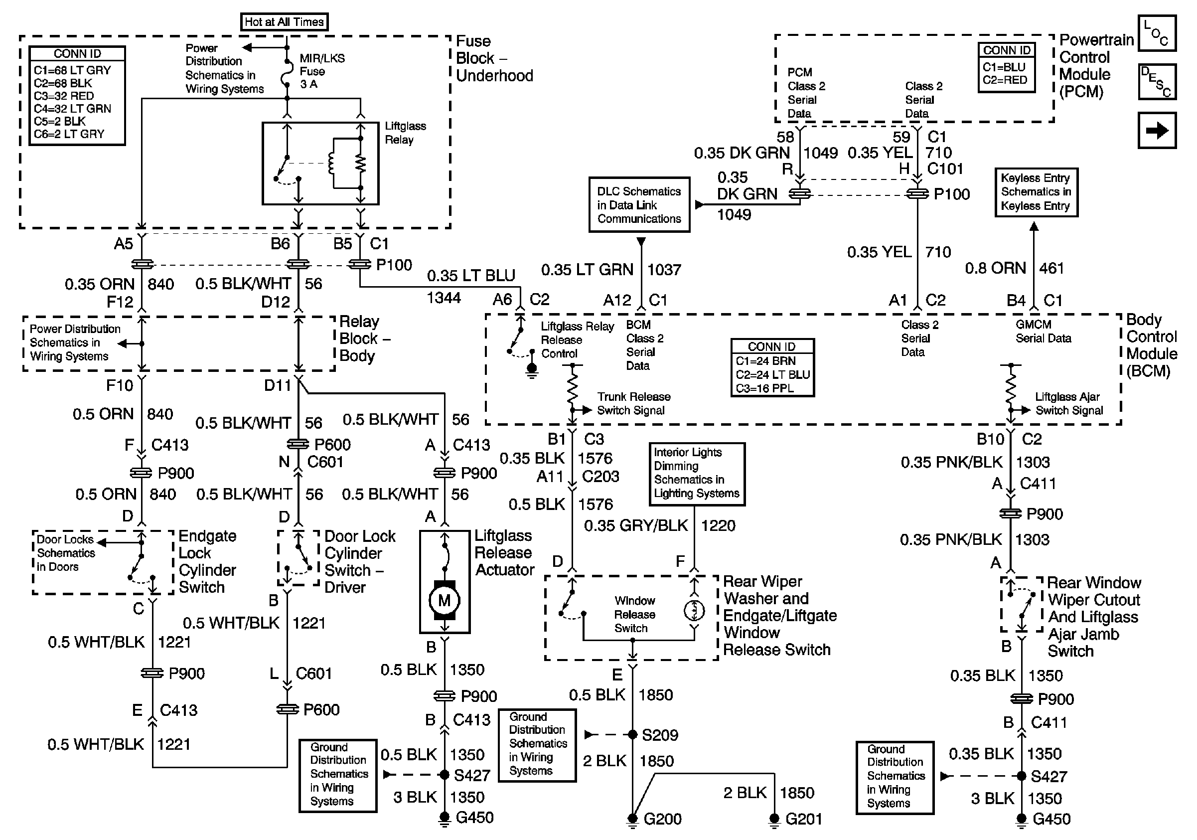
🢒 Liftglass Release Actuator and Switch
Liftglass Release Actuator and Switch
Liftglass Release Actuator and Switch
Master Electrical Component List
Rear Hatch/Gate Description and Operation General
Gate Ajar Indicator
B+ Bus Bar
Splice Pack SP201 and Modules
Keyless Entry Schematics
MIR/LKS, LH HDLP and RH HDLP Fuses
Hazard Switch, Radio, Instrument Panel Cluster (IPC) and Ground
Underhood Fuse Block and Endgate Lock Cylinder Switch
G450
G200 and G201
G450