GM Service Manual Online
For 1990-2009 cars only
Makes
🢒
Chevrolet
🢒
2002
🢒
Blazer - 4WD - RHD
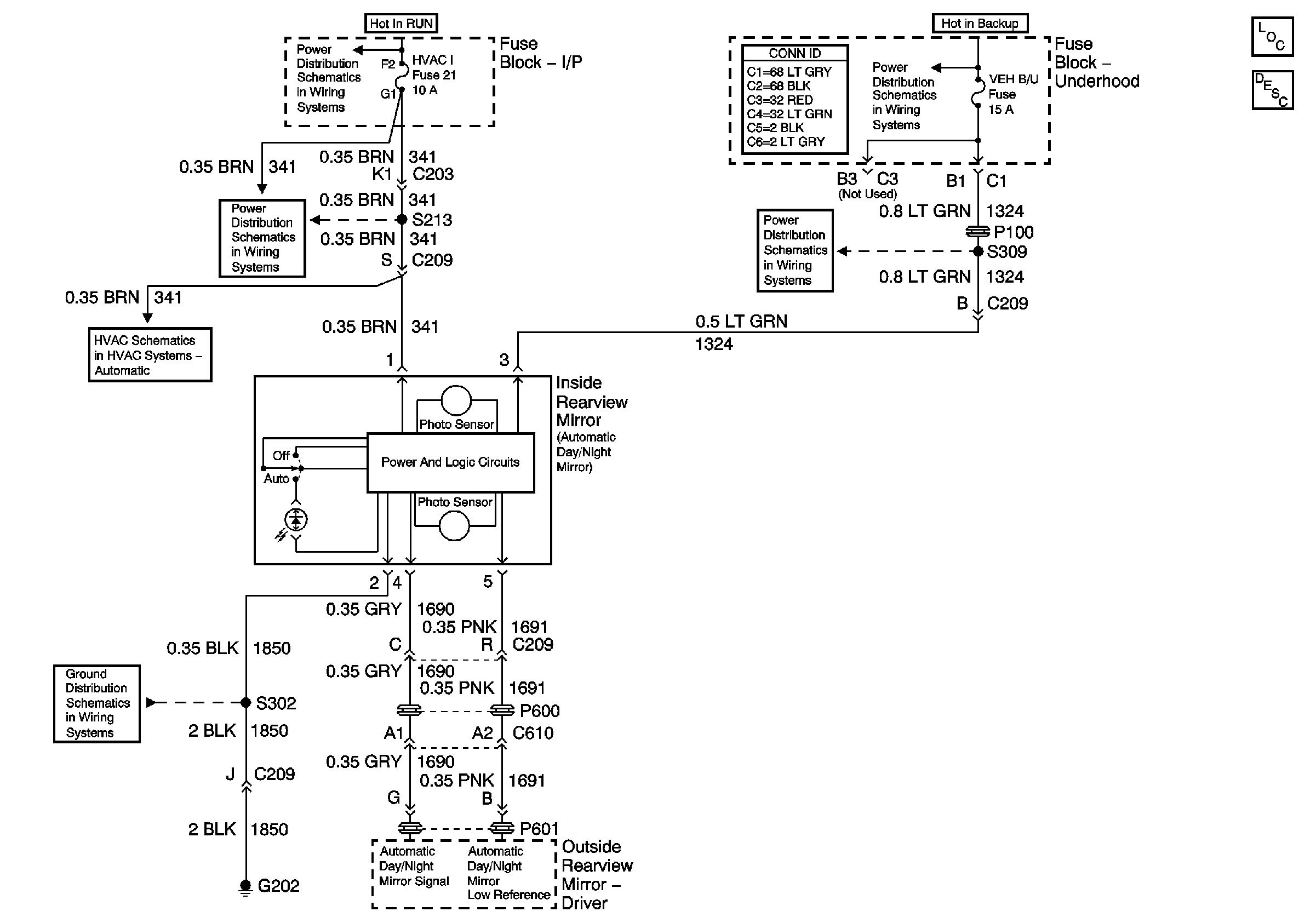
🢒 Automatic Day-Night Mirrors Schematics
Automatic Day-Night Mirrors Schematics
Master Electrical Component List
Inside Rearview Mirror Description and Operation
Ign RUN and START Bus Bar
B/U LP, OXYGEN, ENG I, TRL B/U, VEH B/U and BTSI Fuses
4WD and HVAC I Fuses
B/U LP, OXYGEN, ENG I, TRL B/U, VEH B/U and BTSI Fuses
HVAC Control Module, Air Temperature Actuator, Vacuum Control Assembly, Air Temperature Sensor - Inside, and G202
G202 and G204