GM Service Manual Online
For 1990-2009 cars only
Makes
🢒
Chevrolet
🢒
2003
🢒
Blazer - 4WD - RHD
🢒
Driveline/Axle
🢒
Transfer Case - NVG 236-NP8
🢒 Transfer Case Control Schematics
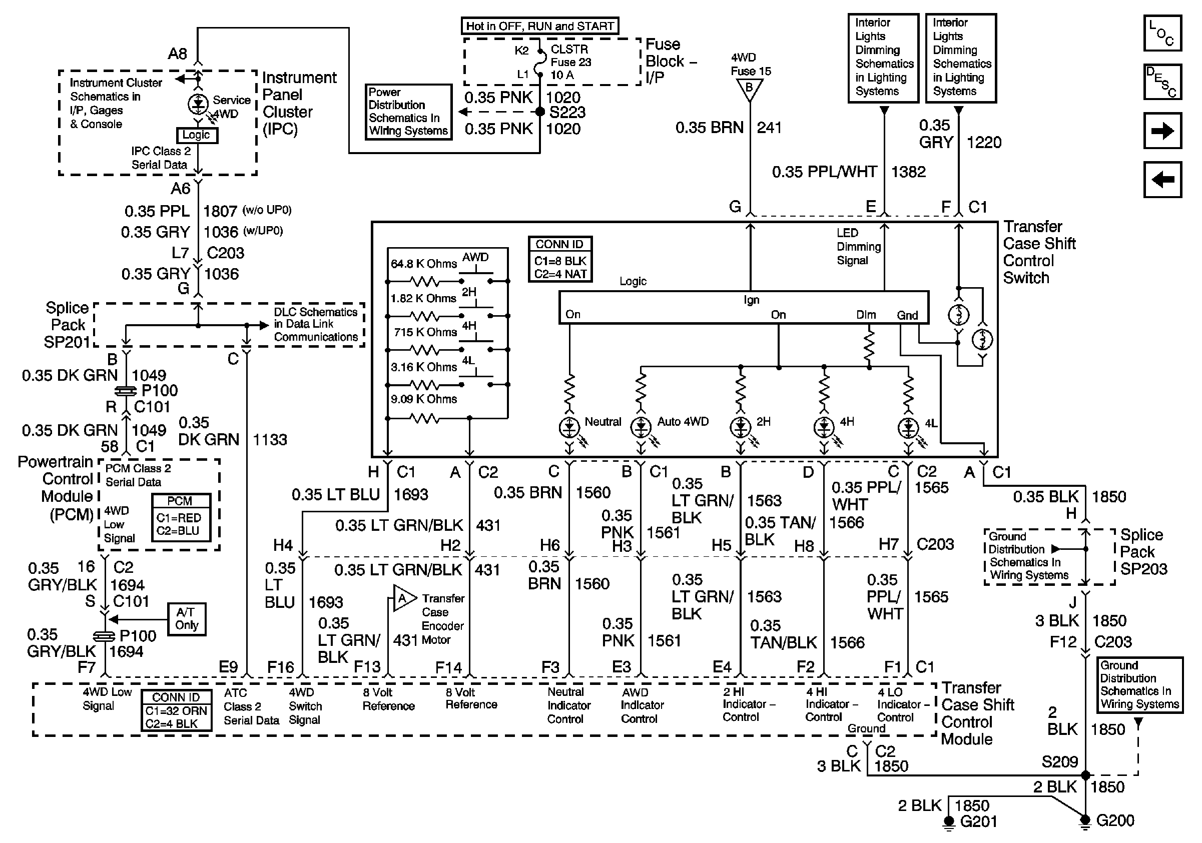
Figure
1:
Transfer Code Encoder Motor
Master Electrical Component List
Transfer Case Description and Operation
Transfer Case Shift Control Switch
G103 and G105
G103 and G105
G103 and G105
G103 and G105
Ign RUN and START Bus Bar
Transfer Case Shift Control Switch
Transfer Case Shift Control Switch
Propshaft Speed Sensors, Front Axle Vacuum Solenoid
Propshaft Speed Sensors, Front Axle Vacuum Solenoid
B+ Bus Bar
Figure
2:
Transfer Case Shift Control Switch
Master Electrical Component List
Transfer Case Description and Operation
Propshaft Speed Sensors, Front Axle Vacuum Solenoid
Transfer Code Encoder Motor
Data Link Connector (DLC), PCM and Engine Oil Pressure Gauge Sensor
Splice Pack SP201 and Modules
CLSTR Fuse
Transfer Code Encoder Motor
Transfer Code Encoder Motor
LED Dimming
Hazard Switch, Radio, Instrument Panel Cluster (IPC) and Ground
SP203
G200 and G201
Figure
3:
Propshaft Speed Sensors, Front Axle Vacuum Solenoid
Master Electrical Component List
Transfer Case Description and Operation
Transfer Case Shift Control Switch
Transfer Code Encoder Motor
Transfer Code Encoder Motor
Transfer Case Control Schematic Icons
Transfer Case Control Schematic Icons
G104, G106, G107, G108 and G118
Transfer Case Control Schematic Icons
Transfer Case Control Schematic Icons