GM Service Manual Online
For 1990-2009 cars only
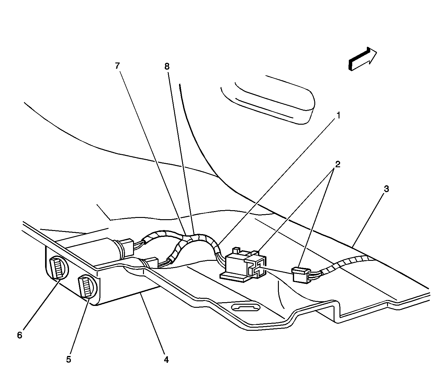
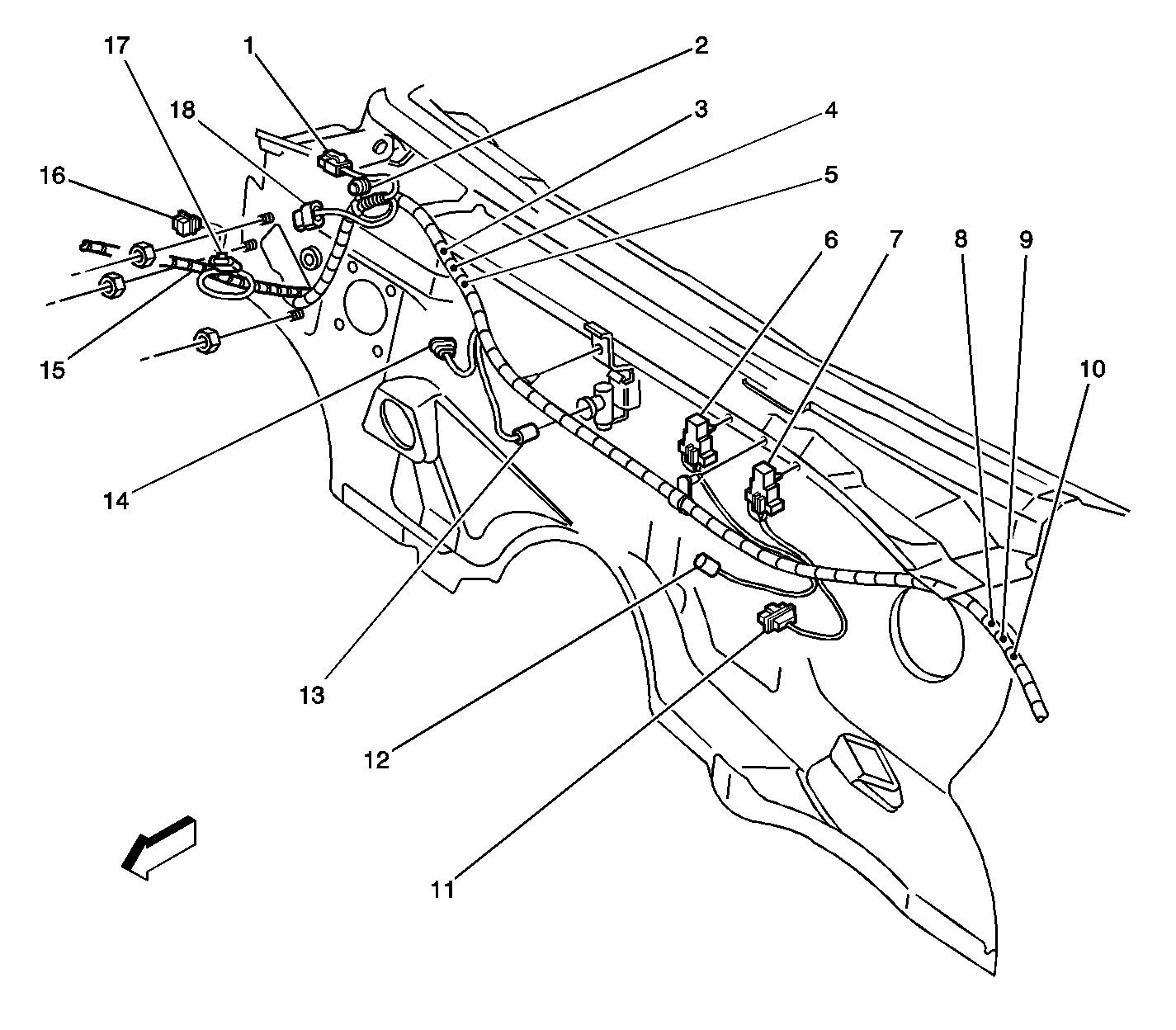
Figure 1:

Forward Lamps Wiring Harness


Object Number: 785359  Size: LF
(1)Ambient Air Temperature Sensor (DIC)
(2)Headlamp, High Beam - Left Connector
(3)Ground G111
(4)Splice Pack SP100
(5)Headlamp, Low Beam - Left Connector
(6)Forward Lamps Wiring Harness
(7)Turn Signal Lamp - LF
(8)Headlamp Washer Pump Fluid Reservoir
(9)Headlamp Washer Fluid Pump Connector
(10)S109 and S110
(11)Headlamp Washer Fluid Pump Relay
(12)Splice Pack SP101
(13)Turn Signal Lamp - RF
(14)Headlamp, High Beam - Right Connector
(15)Headlamp, Low Beam - Right Connector
(16)Radiator Support
(17)S108
(18)S112
(19)S111
(20)Ground G112
Figure 2:

Radiator Support, Inside RH


Object Number: 354578  Size: MF
(1)Radiator Support
(2)Forward Lamps Harness
(3)Splice Pack SP101
(4)Ground G112
Figure 3:

Battery Fuse


Object Number: 354776  Size: LF
(1)Radiator Support
(2)Fuse Holder - Battery Fuse
(3)G108
(4)S153
Figure 4:

Front Frame Grounds


Object Number: 354759  Size: LF
(1)Wheel Speed Sensor (WSS) -- LF
(2)Inflatable Restraint Front End Discriminating Sensor -- Left
(3)Inflatable Restraint Front End Discriminating Sensor -- Right
(4)G106
(5)G118
(6)Wheel Speed Sensor (WSS) -- RF
Figure 5:

Negative Battery Cable


Object Number: 610428  Size: LF
(1)Water Pump
(2)G107
(3)Negative Battery Cable
Figure 6:

Body Harness, Right Front


Object Number: 610430  Size: LF
(1)Brake Pressure Differential Switch Connector
(2)Electronic Brake Control Module (EBCM)
(3)Fuse Block-Underhood, Connector C1
(4)Fuse Block-Underhood, Connector C5
(5)Fuse Block-Underhood, Connector C6
(6)C114
(7)G110
(7)G110
(8)G108, G112
(9)Right Front Radiator Support
(10)Right Front Fender
(11)C106
(12)C109
Figure 7:

Forward Lamps Harness, LH


Object Number: 406302  Size: LF
(1)C132
(2)Repeater Lamp -- LF Extension Harness
(3)Horn -- Left
(4)Horn -- Left Connector
(5)Repeater Lamp -- LF Connector
(6)Forward Lamps Harness
(7)C130
(8)Fender, LH
Figure 8:

Engine Wiring, RH Side


Object Number: 794783  Size: LF
(1)Ignition Control Module (ICM)
(2)Ignition Coil
(3)Ignition Coil Assembly
(4)Generator
(5)Crankshaft Position (CKP) Sensor
(6)S100
(7)S101
(8)S102
(9)Starter Solenoid
(10)Starter
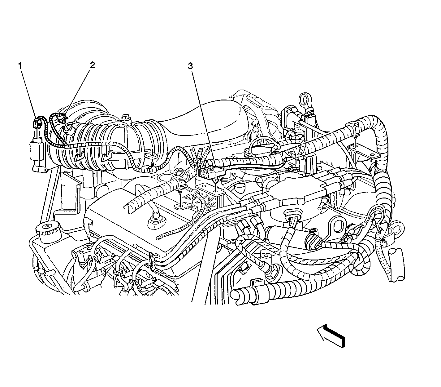
Figure 9:

Engine Wiring, Top Left


Object Number: 610715  Size: LF
(1)Mass Airflow (MAF) Sensor Connector
(2)Intake Air Temperature (IAT) Sensor Connector
(3)C103
Figure 10:

Engine Wiring, Right Rear


Object Number: 610716  Size: LF
(1)Evaporative Emission (EVAP) Canister Purge Solenoid
(2)Manifold Absolute Pressure (MAP) Sensor
(3)Engine Wiring Harness
(4)G102, G103
(5)Engine Oil Pressure (EOP) Sensor Connector
(6)S152
(7)G104, G105
(8)Camshaft Position (CMP) Sensor Connector
(9)Central Sequential Fuel Injection (Central SFI) Connector
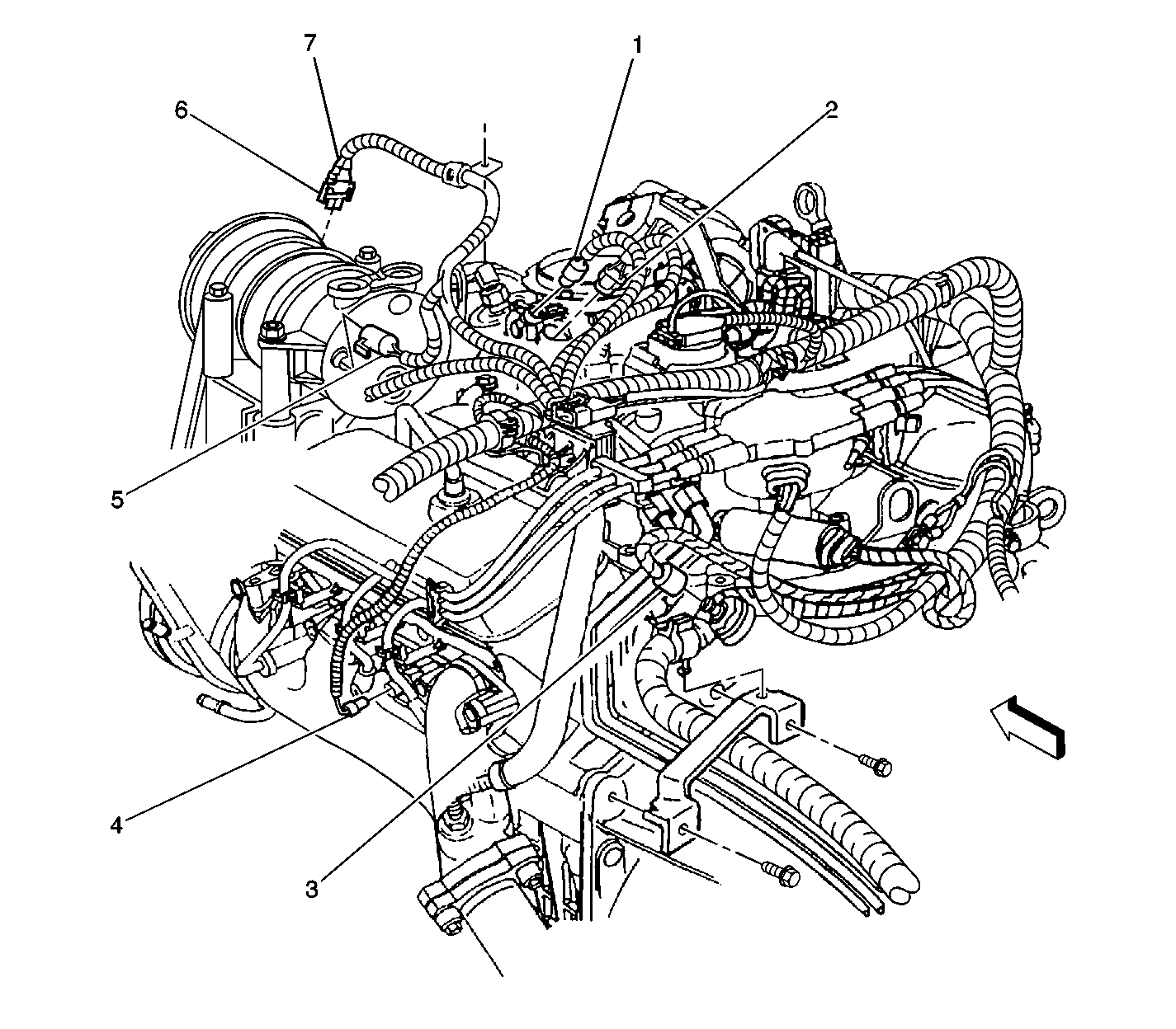
Figure 11:

Engine Wiring- LR


Object Number: 610717  Size: LF
(1)Throttle Position (TP) Sensor Connector
(2)Idle Air Control (IAC) Valve Connector
(3)Knock Sensor (KS) Connector
(4)Engine Coolant Temperature (ECT) Sensor Connector
(5)A/C High Pressure Switch
(6)A/C Compressor Clutch Connector
(7)A/C Compressor Clutch Diode, S103 and S104
Figure 12:

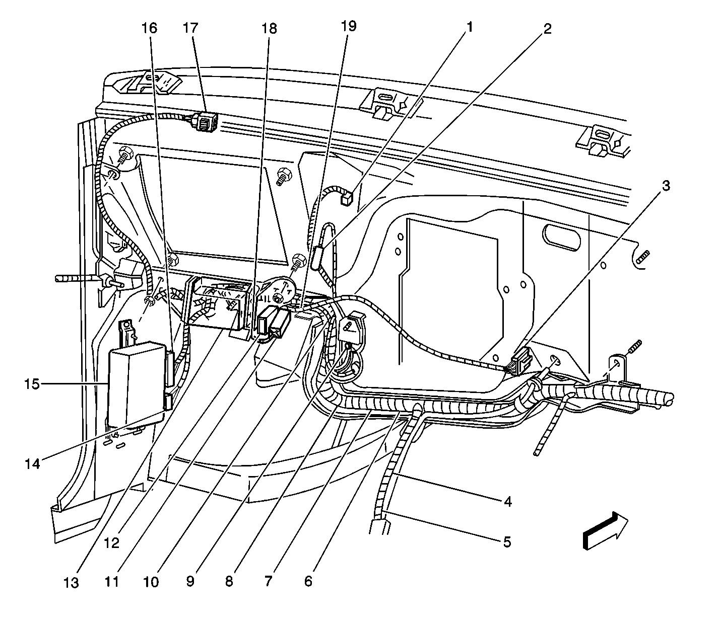
Body Harness, Bulkhead


Object Number: 786201  Size: LF
(1)Electronic Brake Control Module (EBCM) Connector C1
(2)G117
(3)S117
(4)Body Wiring Harness
(5)S119
(6)Flash-to-Pass Relay
(7)Park Lamp Switch Relay
(8)S113
(9)S118
(10)S138
(11)C103
(12)Underhood Lamp Connector
(13)Front Axle Vacuum Solenoid
(14)Windshield Wiper Motor Connector
(15)S127, S122
(16)Electronic Brake Control Module (EBCM) Connector C3
(17)Brake Pressure Differential Switch
(18)Cruise Control Module (CCM) Connector
Figure 13:

Automatic Transmission C175


Object Number: 407900  Size: LF
(1)Automatic Transmission
(2)C175
(3)Engine Harness
(4)Engine Harness
Figure 14:

Manual Transmission Harness View


Object Number: 406298  Size: LF
(1)Manual Transmission
(2)Heated Oxygen Sensor- LF, H02S, Bank 1, Sensor 1
(3)Backup Lamp Switch Connector
(4)C104, Chassis Harness
(5)C104, Engine Harness
(6)C105
(7)Engine Harness
Figure 15:

Transfer Case (NP8) Harness Routing View


Object Number: 580984  Size: LF
(1)C116, C2 - M50 Only
(2)Active Transfer Case Harness
(3)Propshaft Speed Sensor - Rear
(4)Transfer Case Encoder Motor, C2
(5)Transfer Case Encoder Motor, C1
(6)Vehicle Speed Sensor (VSS)
(7)Transfer Case (NP8)
(8)Propshaft Speed Sensor - Front
(9)S134
(10)C116, C2 - M30 Only
Figure 16:

Heated Oxygen Sensor (HO2S) Extension Harness


Object Number: 610440  Size: LF
(1)C100
(2)Heated Oxygen Sensor (HO2S) Extension Harness
(3)Heated Oxygen Sensor (HO2S) Bank 2, Sensor 1
(4)Heated Oxygen Sensor (HO2S) Bank 1, Sensor 2
Figure 17:

I/P Wiring Harness


Object Number: 406324  Size: LF
(1)Passenger Inflatable Restraint Module
(2)Inflatable Restraint I/P Module Connector
(3)I/P Compartment Lamp
Figure 18:

Body Harness, Left Front


Object Number: 610441  Size: LF
(1)Air Temperature Actuator
(2)Radio Antenna Cable
(3)Vacuum Control Assembly
(4)S200
(5)Body Harness to the Automatic Transmission
(6)S216
(7)S222
(8)S219
(9)G200, G201, G202
(10)S209
(11)Headlamp Grounding Relay
(12)C200
(13)C203
(14)Transfer Case Shift Control Module, Connector C2
(15)Transfer Case Shift Control Module
(16)Transfer Case Shift Control Module, Connector C1
(17)C209
(18)S228, S229, D101
(19)S213
Figure 19:

Body Harness, Right Front


Object Number: 610442  Size: LF
(1)Stop Lamp Switch
(2)P100
(3)S231, S232, D200
(4)S221
(5)Relay Block - Body
(6)C217
(7)S223, S224, D202
(8)S211
(9)G204, G205
(10)G203
(11)Remote Control Door Lock Receiver (RCDLR) - Japan Only
(12)Data Link Connector (DLC)
(13)S235, S236, D201
(14)C214
(15)C211
(16)Body Control Module (BCM), Connector C2
(17)Body Control Module (BCM), Connector C1
(18)Air Temperature Sensor - Lower
(19)S201
(20)S202
(21)S212
(22)Clutch Start Switch Connector
(23)S207
(24)S203
(25)S204
Figure 20:

Instrument Panel - RH


Object Number: 610699  Size: LF
(1)I/P Dimmer Switch Connector
(2)Fuse Block - I/P
(3)I/P Harness
(4)S230
(5)C217
(6)Door Jamb Switch - Driver Connector
(7)Side Door Jamb Switch - Driver
(8)Fuse Block - I/P Access Panel
(9)Fog Lamp Switch - Rear
(10)Fog Lamp Switch - Front
(11)Instrument Panel
(12)I/P Dimmer Switch
Figure 21:

Accessory Power Outlet Tray


Object Number: 785345  Size: LF
(1)Accessory Power Outlet Harness
(2)C223
(3)I/P Insulator
(4)Accessory Power Outlet Tray
(5)Accessory Power Outlet - Right
(6)Accessory Power Outlet - Left
(7)S268
(8)S269
Figure 22:

I/P Wiring Harness Composite View


Object Number: 785376  Size: LF
(1)Remote Control Door Lock Receiver (RCDLR) Connector
(2)Hazard Switch Connector
(3)Transfer Case Shift Control Switch Connectors  C2 and  C1
(4)Air Temperature Sensor - Upper
(5)Radio Connector
(6)HVAC Control Module Connector
(7)Speaker - LF Connector
(8)Ambient Light Sensor Connector
(9)I/P Compartment Lamp
(10)Inflatable Restraint I/P Module
(11)Instrument Panel
(12)S227
(13)C203
(14)C200
(15)Courtesy Lamp - Left Console
(16)C223
(17)S208, S272, S273, S274, S275, S287, S288
(18)SP203
(19)C224
(20)S283
(21)S205, S224, S225, S226
(22)Body Control Module Connector  C3
(23)Sunload Sensor Connector
(24)Courtesy Lamp - Right Console
(25)C217
(26)S230
(27)Door Jamb Switch - Driver
(28)Fuse Block - I/P
(29)Speaker - RF Connector
(30)I/P Dimmer Switch Connector
(31)Fog Lamp Switch - Rear
(32)Instrument Panel Cluster (IPC) Connector
(33)S223
Figure 23:

Automatic Transmission Control Module


Object Number: 610443  Size: LF
(1)Automatic Transmission Control Module
(2)Park Lock Solenoid
(3)Park Brake Switch
(4)Automatic Transmission Shift Lever Position Indicator
(5)S206
(6)A/T Shift Lock Control Solenoid
(7)Body Harness to Rear Wiper/Washer and Endgate Window Release Switch
(8)Automatic Transmission Control Module Connector
Figure 24:

Dome Lamp Harness - w/Sunroof


Object Number: 785365  Size: LF
(1)Air Temperature Sensor Assembly - Inside
(2)S300
(3)Sunroof Motor and Drive
(4)Sunroof Module, Connector C2
(5)Sunroof Module, Connector C1
(6)C300
(7)Sunroof Module
(8)S310
(9)Vanity Mirror Lamp - Left
(10)S302
(11)S332
(12)Vanity Mirror Lamp - Right
(13)Driver Information Center (DIC) Connector C1
(14)Driver Information Center
(15)Driver Information Center (DIC) Connector C2
Figure 25:

Floor Panel


Object Number: 610703  Size: LF
(1)S305
(2)S309
(3)S306
(4)S308
(5)C317
(6)S304
(7)Inflatable Restraint Sensing and Diagnostic Module (SDM)Connector
(8)Inflatable Restraint Sensing and Diagnostic Module (SDM)
(9)C315
(10)S301
Figure 26:

Body Wiring to Left Front Seat


Object Number: 357190  Size: MF
(1)C317
(2)Seat
Figure 27:

Seat Harness Routing, 8-Way w/o Memory


Object Number: 618035  Size: LF
(1)Seat Cushion, Bottom
(2)Seat Lumbar Motor Connector - Front Passenger, Driver Similar
(3)Seat adjuster Switch - Front Passenger, Driver Similar
(4)Heated Seat Control Module Connector - Front Passenger, Driver Similar
(5)C302 - LH, C303 - RH
Figure 28:

Door Harness - RF Shown, LF Opposite


Object Number: 608788  Size: LF
(1)Outside Rearview Power Folding Mirror Switch Connector
(2)S603 - RH, S502 - LH
(3)S604 - RH
(4)Door Lock Cylinder Switch - Driver Connector
(5)Door Handle Switch - Right Connector
(6)Door Lock Actuator - Driver Connector
(7)Window Motor - Driver Connector C1
(8)Window Motor - Driver Connector C2
(9)Speaker - RF Door Connector
(10)S600 - RH
(11)S602 - RH
(12)P600 - RH, P500 - LH
(13)C610 - RH
(14)C601 - RH, C501 - LH
(15)Outside Rearview Mirror Connector - Driver
(16)S601 - RH, S501 - LH
Figure 29:

Outside Rearview Mirror


Object Number: 610708  Size: LF
(1)P501 - LH, P601 - RH
(2)Outside Rearview Mirror - Passenger, Driver Similar
(3)Outside Rearview Mirror Connector - Passenger, Driver Similar
Figure 30:

Rear Door Harness Routing - RH Shown, LH Opposite


Object Number: 788765  Size: LF
(1)P800 - RH or P700 - LH
(2)C306 - RH or C304 - LH
(3)Door Jamb Switch - RR, LR Similar
(4)Door Jamb Switch Connector - RR, LR Similar
(5)C307 - RH or C305 - LH
(6)S305 - RH or S308 - LH
(7)Wiring Harness, Body
(8)S301 - RH or S306 - LH
(9)Rear Door - Right, Left Similar
Figure 31:

Rear Frame Location View


Object Number: 357334  Size: LF
(1)Trailer Wiring Provision
(2)Splice Pack SP423
(3)Evaporative Emission (EVAP) Canister Vent Solenoid
(4)C430
(5)Fuel Filler Neck Ground Strap
(6)G402
Figure 32:

Accessory Power Outlet - Rear


Object Number: 397905  Size: MF
(1)Body Side Trim Panel
(2)Accessory Power Outlet - Rear
Figure 33:

Body Opening Frame, Rear


Object Number: 787451  Size: LF
(1)Rear Body Wiring Harness
(2)C403
(3)G450
(4)S427
(5)S428
(6)G420
(7)C402
(8)S406
(9)S405
(10)S404
Figure 34:

Body Opening Frame, Rear Window Defogger, Extension Harness


Object Number: 357346  Size: MF
(1)Endgate
(2)Rear Window Defogger Connector, RH - C432, LH - C433
(3)Rear Window Defogger Extension Harness
Figure 35:

Rear Roof Lighting


Object Number: 787446  Size: LF
(1)Center High Mount Stop Lamp (CHMSL)
(2)Cargo Lamp
(3)Cargo Lamp Connector
(4)Center High Mounted Stop Lamp (CHMSL) Connector
(5)Body Wiring Harness
Figure 36:

Endgate Connectors


Object Number: 357349  Size: LF
(1)Body Floor
(2)C411, C412 and C413
(3)Endgate
(4)Window Washer Tube Check Valve, Rear
Figure 37:

Liftglass Release


Object Number: 610710  Size: LF
(1)Endgate
(2)Window Wiper Motor Controller - Rear Connector
(3)Rear Window Wiper Motor Controller - Rear
(4)Rear Window Wiper Cutout and Liftglass Ajar Jamb Switch Connector
(5)Rear Window Wiper Cutout and Liftglass Ajar Jamb Switch
(6)Endgate Lock Cylinder Switch
(7)P900
(8)Liftglass Release Actuator Connector
(9)Endgate Lock Cylinder Switch Connector
Figure 38:

Rear Lamp Connectors - LR shown, RR Similar


Object Number: 787475  Size: LF
(1)Rear Lamp Wiring Harness
(2)Tail/Stop Lamp - Left, Right Similar
(3)Turn Signal Lamp - LR, RR Similar
(4)Backup Lamp - Left, Right Similar
(5)Fog Lamp - LR, RR Similar
(6)S419 (LH) and S420 (RH)
(7)C403 (LH) and C402 (RH)
(8)P403 (LH) and P402 (RH)
Figure 39:

Rear License Lamps


Object Number: 406635  Size: LF
(1)C430
(2)License Lamp Mounting Bracket
(3)License Lamp - Right
(4)License Lamp - Center
(5)License Lamp - Left
(6)S425
(7)S426
(8)License Lamp Wiring Harness