GM Service Manual Online
For 1990-2009 cars only
Makes
🢒
Chevrolet
🢒
2003
🢒
Blazer - 4WD - RHD
🢒
Body and Accessories
🢒
Lighting Systems
🢒 Interior Lights Dimming Schematics
Figure
1:
Power, Ground and BCM
Master Electrical Component List
Interior Lighting Systems Description and Operation
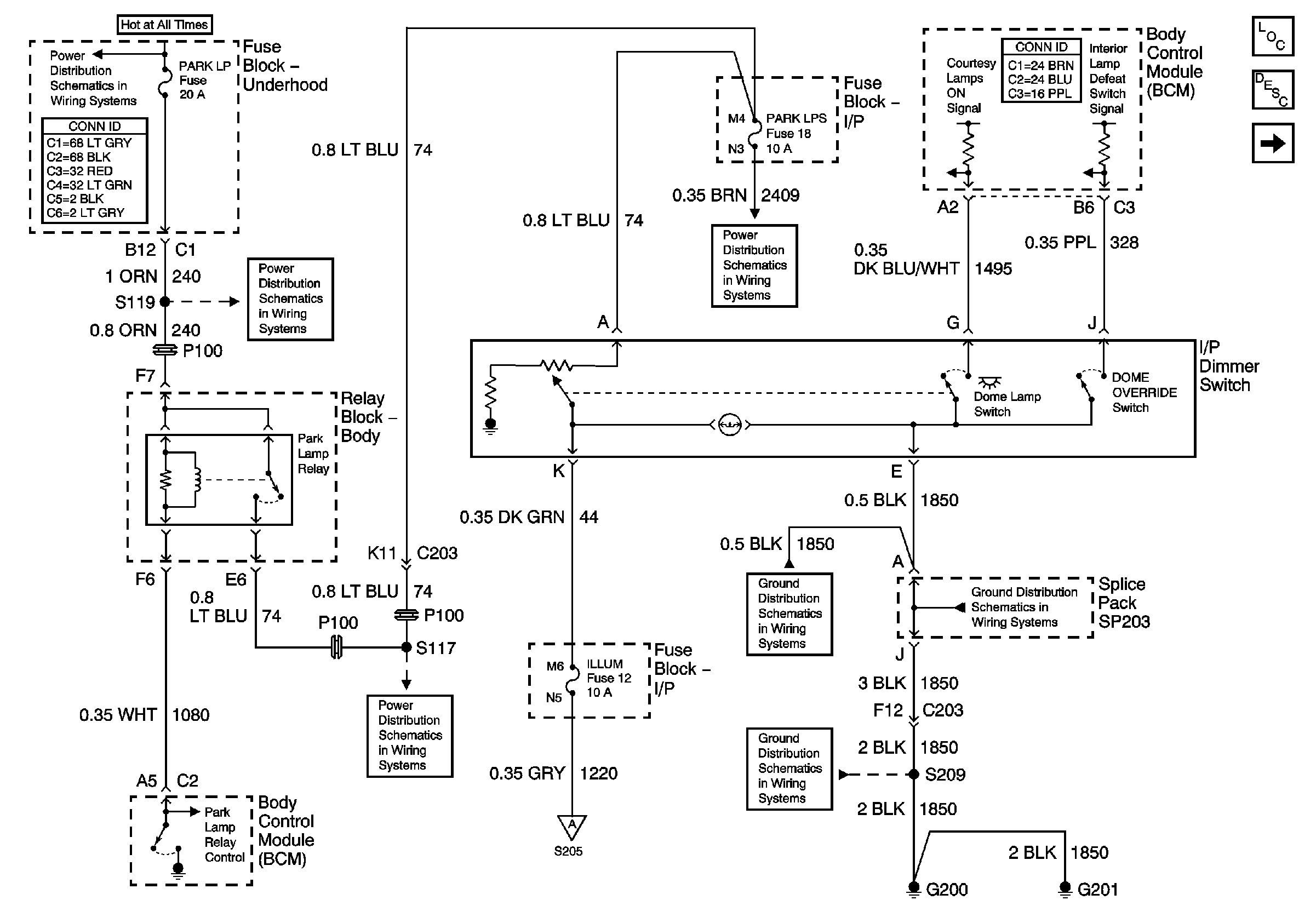
Hazard Switch, Radio, Instrument Panel Cluster (IPC) and Ground
B+ Bus Bar
PARK LP, FR PRK, LR PRK, RR PRK, and TRL PRK Fuses
ILLUM and PARK LP Fuses
PARK LP, FR PRK, LR PRK, RR PRK, and TRL PRK Fuses
Hazard Switch, Radio, Instrument Panel Cluster (IPC) and Ground
SP203
G200 and G201
SP203
Figure
2:
Hazard Switch, Radio, Instrument Panel Cluster (IPC) and Ground
Master Electrical Component List
Interior Lighting Systems Description and Operation
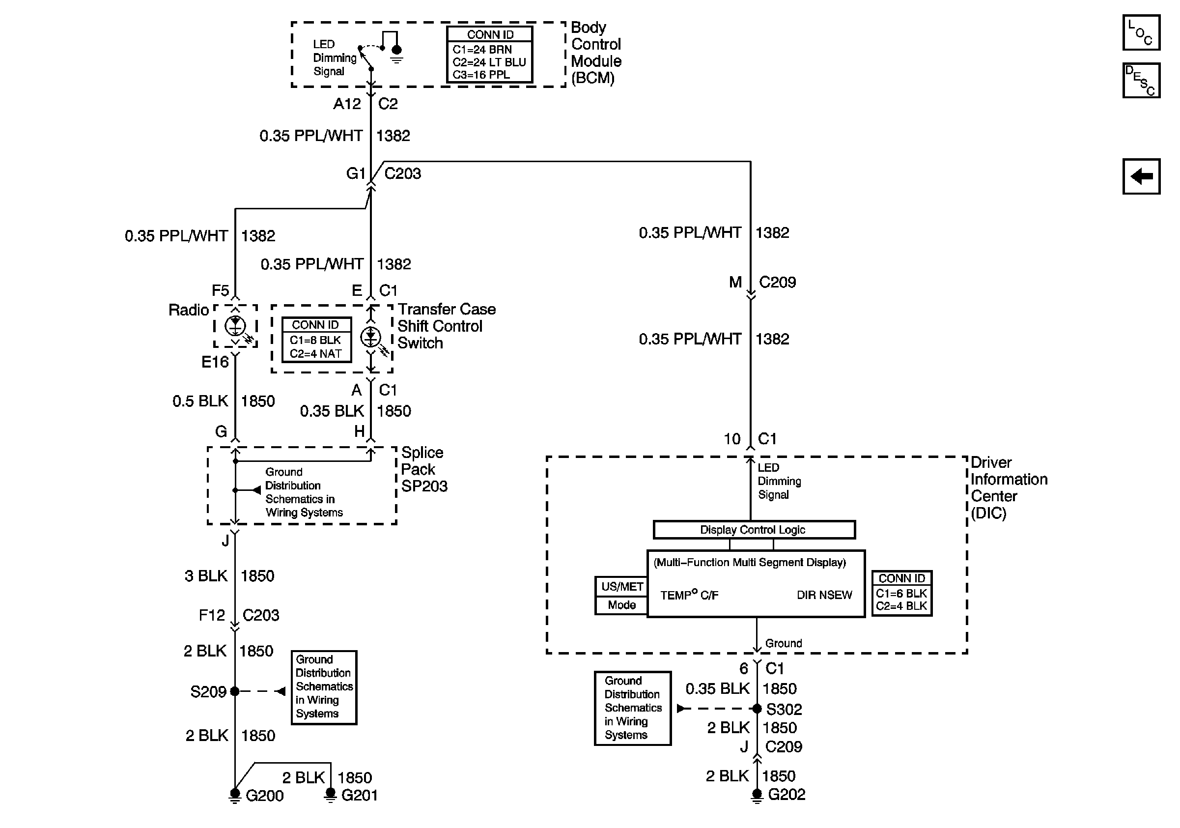
LED Dimming
Power, Ground and BCM
Power, Ground and BCM
SP203
G200 and G201
A/T Shift Lock Control Schematics
G202 and G204
Figure
3:
LED Dimming
Master Electrical Component List
Interior Lighting Systems Description and Operation
Hazard Switch, Radio, Instrument Panel Cluster (IPC) and Ground
SP203
G200 and G201
G202 and G204