GM Service Manual Online
For 1990-2009 cars only
Makes
🢒
Chevrolet
🢒
2003
🢒
Blazer - 4WD - RHD
🢒
Body and Accessories
🢒
Doors
🢒 Door Lock/Indicator Schematics
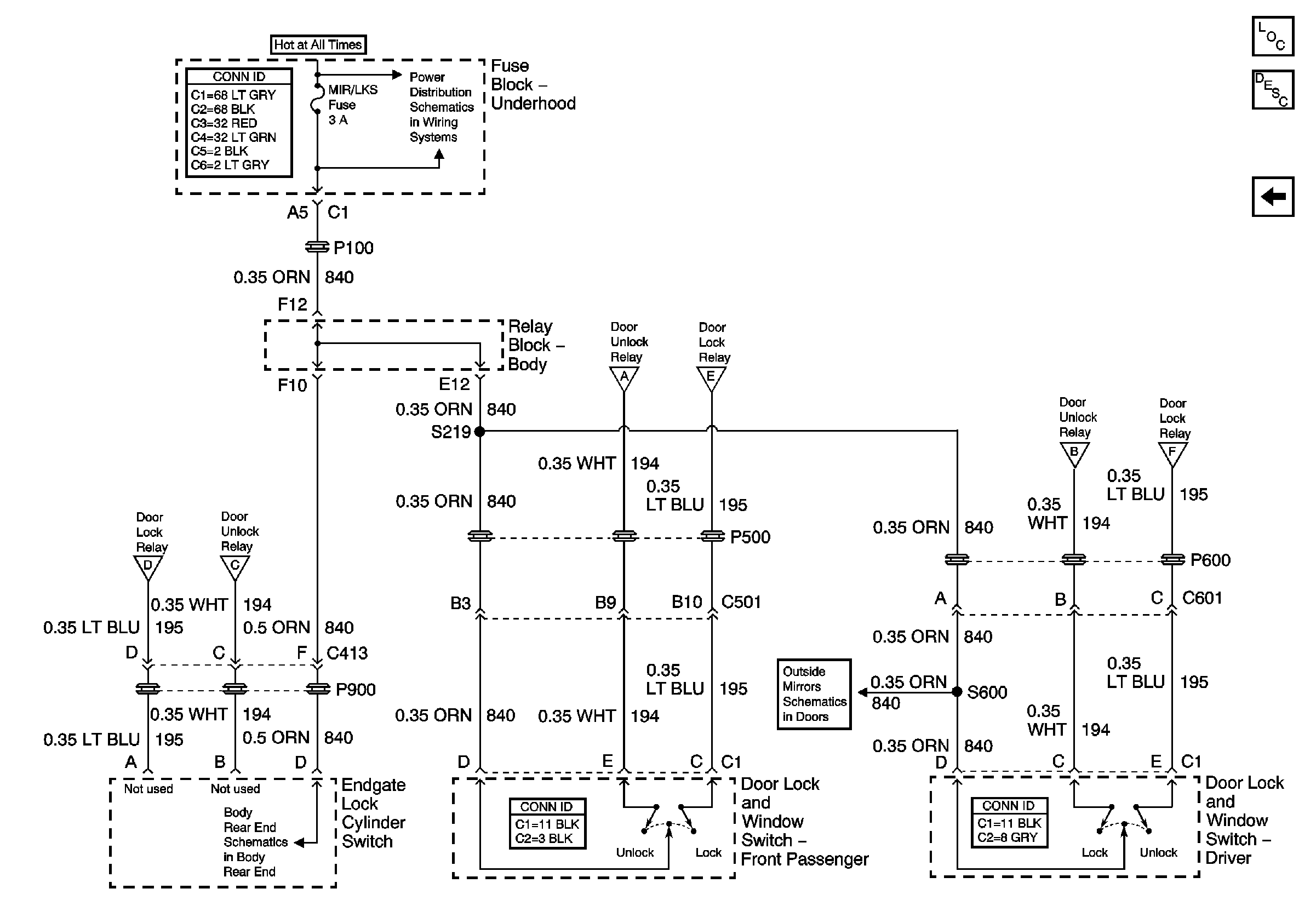
Figure
1:
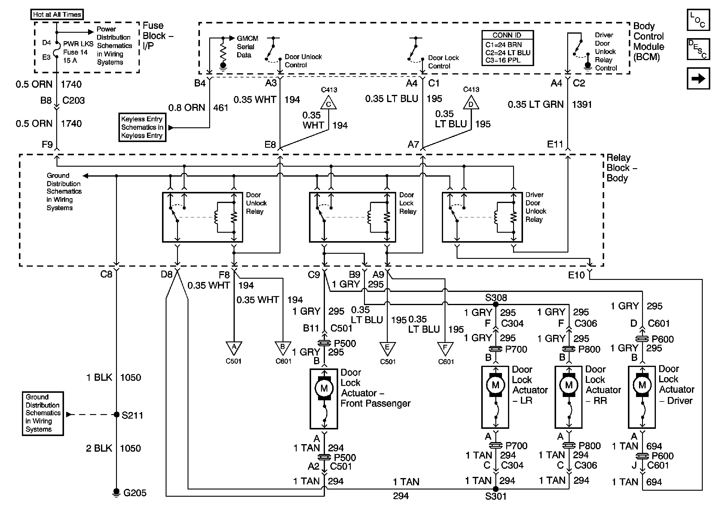
IP Fuse Block, Body Relay Block and BCM
Master Electrical Component List
Power Door Locks Description and Operation
Underhood Fuse Block and Endgate Lock Cylinder Switch
STUD 2, INT BAT, CIGAR LTR, CTSY LP and PWR LKS Fuses
Keyless Entry Schematics
Underhood Fuse Block and Endgate Lock Cylinder Switch
Underhood Fuse Block and Endgate Lock Cylinder Switch
G203 and G205
G203 and G205
Underhood Fuse Block and Endgate Lock Cylinder Switch
Underhood Fuse Block and Endgate Lock Cylinder Switch
Underhood Fuse Block and Endgate Lock Cylinder Switch
Underhood Fuse Block and Endgate Lock Cylinder Switch
Figure
2:
Underhood Fuse Block and Endgate Lock Cylinder Switch
Master Electrical Component List
Power Door Locks Description and Operation
IP Fuse Block, Body Relay Block and BCM
B+ Bus Bar
IP Fuse Block, Body Relay Block and BCM
IP Fuse Block, Body Relay Block and BCM
Liftglass Release Actuator and Switch
IP Fuse Block, Body Relay Block and BCM
IP Fuse Block, Body Relay Block and BCM
IP Fuse Block, Body Relay Block and BCM
IP Fuse Block, Body Relay Block and BCM
Outside Rear View Mirror Controls