GM Service Manual Online
For 1990-2009 cars only
Makes
🢒
Chevrolet
🢒
2003
🢒
Blazer - 4WD - RHD
🢒
Body and Accessories
🢒
Doors
🢒 Outside Rearview Mirror Schematics
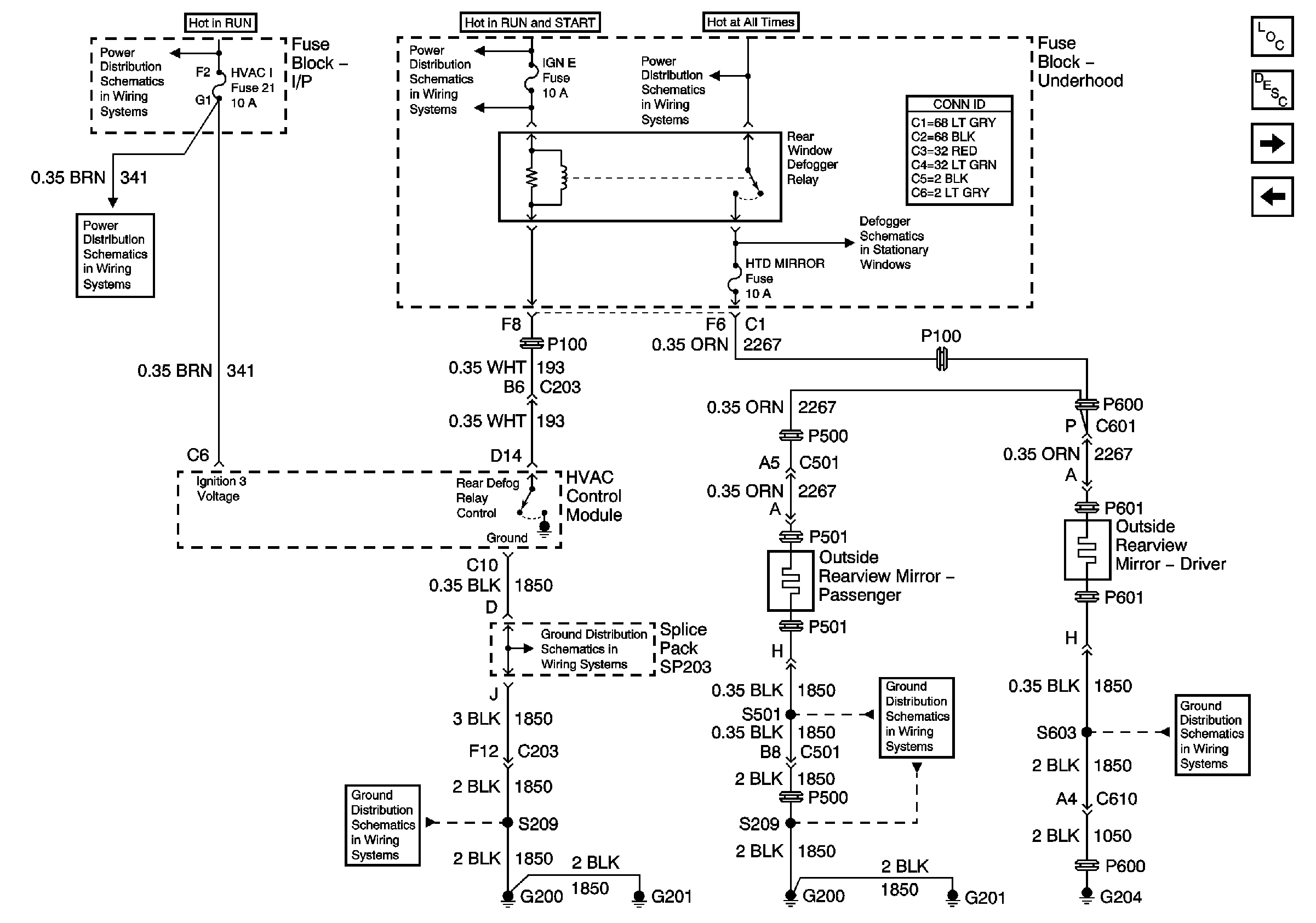
Figure
1:
Power and Ground
Master Electrical Component List
Outside Mirror Description and Operation Folding Mirrors
Heated Mirrors
Radio and Speakers
Driver Information Center Schematics
G202 and G204
Figure
2:
Heated Mirrors
Master Electrical Component List
Outside Mirror Description and Operation Heated Mirrors
Outside Rear View Mirror Controls
Power and Ground
Ign RUN and START Bus Bar
Ign START, RUN and ACC Bus Bar
B+ Bus Bar
4WD and HVAC I Fuses
Defogger Schematics
SP203
G200 and G201
G200 and G201
G202 and G204
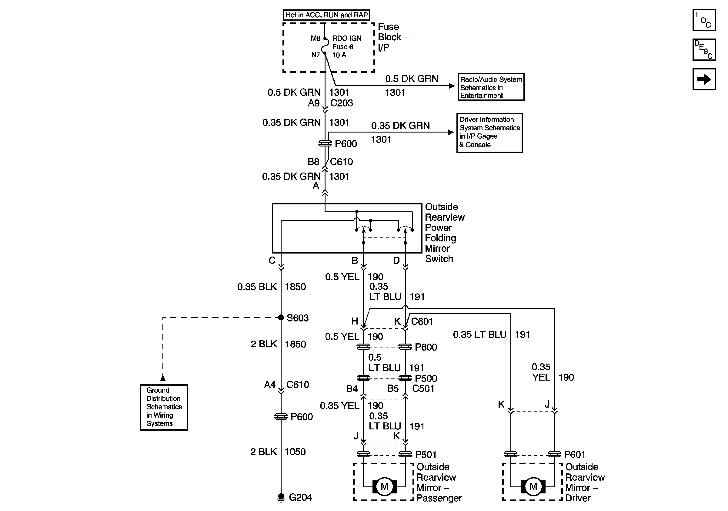
Figure
3:
Outside Rear View Mirror Controls
Master Electrical Component List
Outside Mirror Description and Operation Power Mirrors
Heated Mirrors
B+ Bus Bar
Power and Ground
MIR/LKS, LH HDLP and RH HDLP Fuses
MIR/LKS, LH HDLP and RH HDLP Fuses
Automatic Day-Night Mirrors Schematics
G202 and G204