GM Service Manual Online
For 1990-2009 cars only
Makes
🢒
Chevrolet
🢒
2003
🢒
Blazer - 4WD - RHD
🢒
Body and Accessories
🢒
Seats
🢒 Lumbar Support Schematics
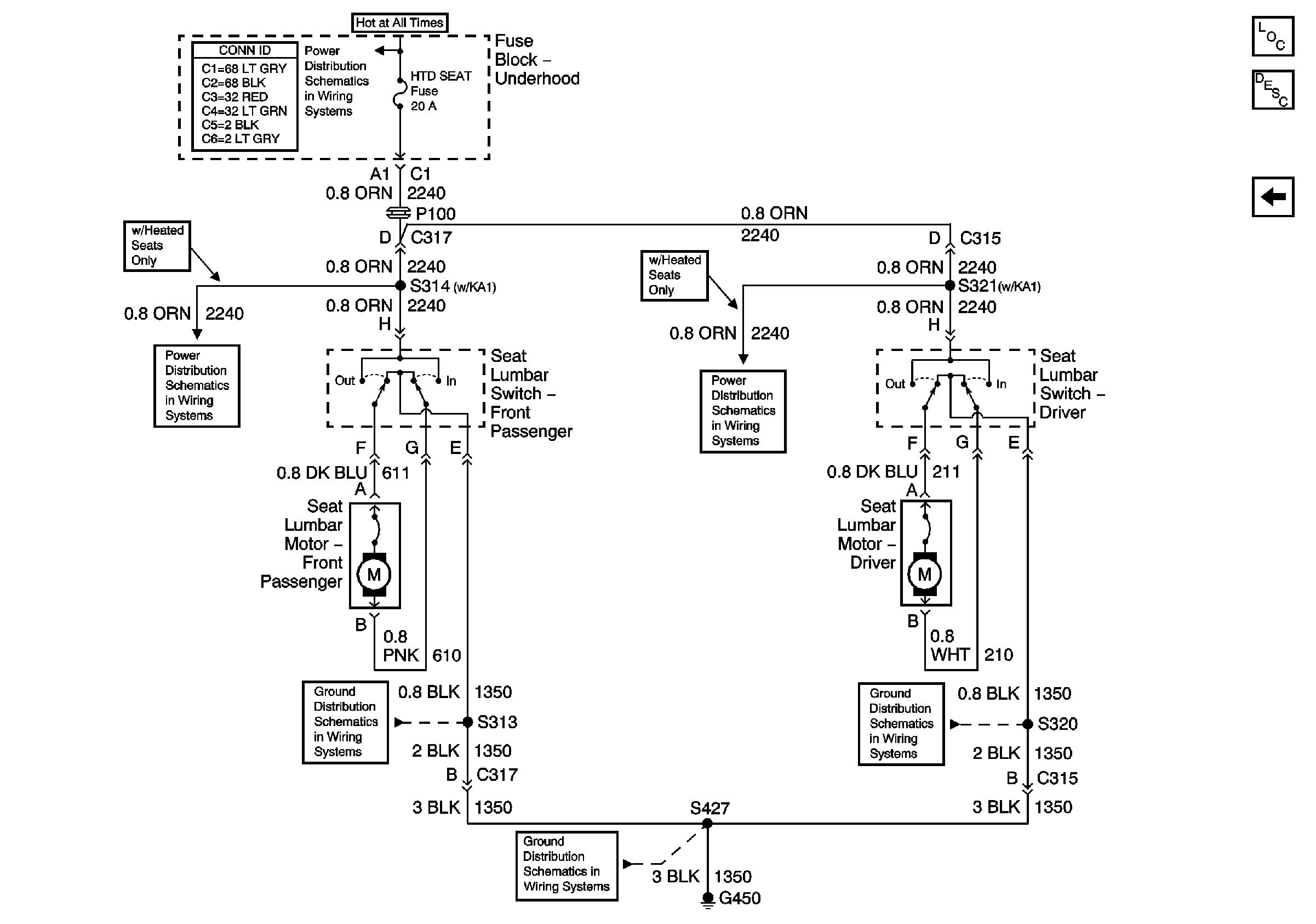
Figure
1:
Lumbar w/o Heated Seats
Master Electrical Component List
Lumbar Support Description and Operation
Lumbar w/ Heated Seats
Ign START, RUN and ACC Bus Bar
B+ Bus Bar
Power Seats and Power Window Circuit Breakers
S313 and S419
S320 and S420
G450
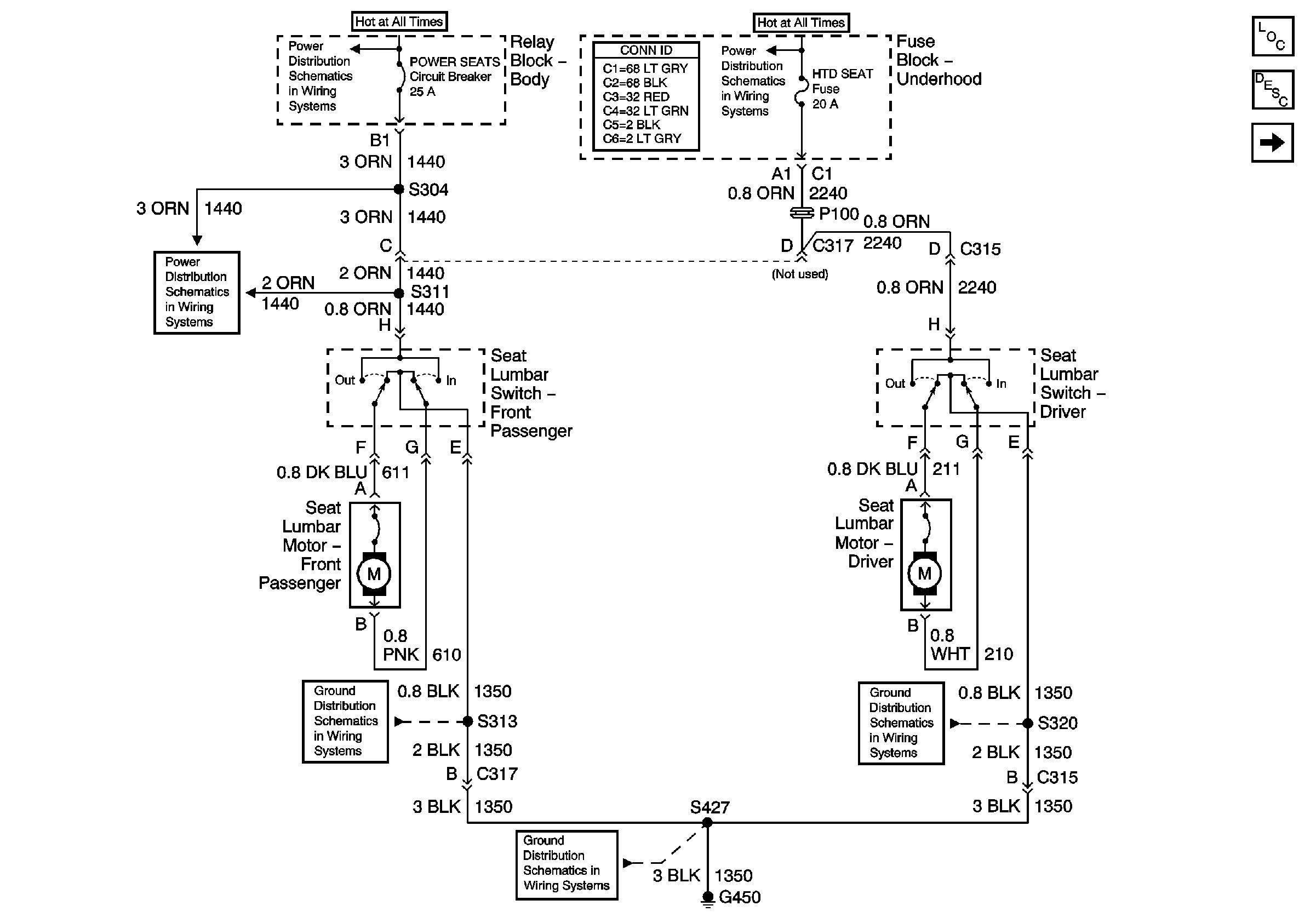
Figure
2:
Lumbar w/ Heated Seats
Master Electrical Component List
Lumbar Support Description and Operation
Lumbar w/o Heated Seats
B+ Bus Bar
HVAC, RR W/W, ATC, HTD SEAT, RR DEFOG and HTD MIR Fuses
S313 and S419
S320 and S420
G450