GM Service Manual Online
For 1990-2009 cars only
Makes
🢒
Chevrolet
🢒
2003
🢒
Blazer - 4WD - RHD
🢒 Ground and PCM
Ground and PCM
Ground and PCM
Master Electrical Component List
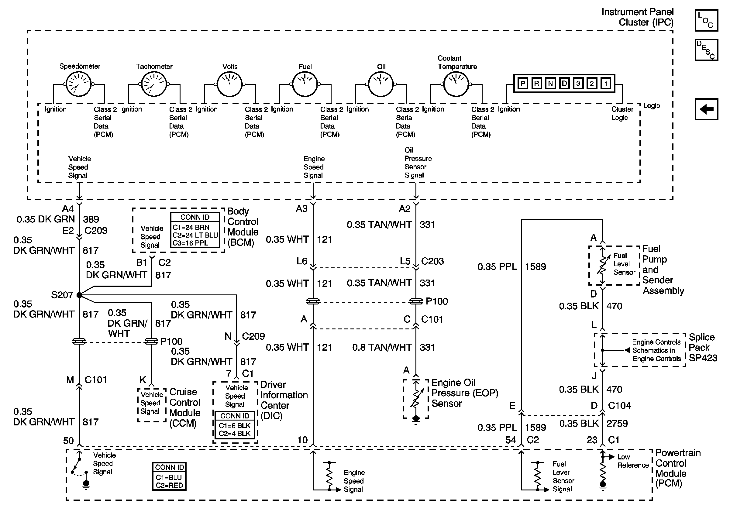
Instrument Cluster Description and Operation
Data Link Connector (DLC), PCM and Engine Oil Pressure Gauge Sensor
Fuel Controls - EVAP Controls