GM Service Manual Online
For 1990-2009 cars only
Makes
🢒
Chevrolet
🢒
1996
🢒
Camaro
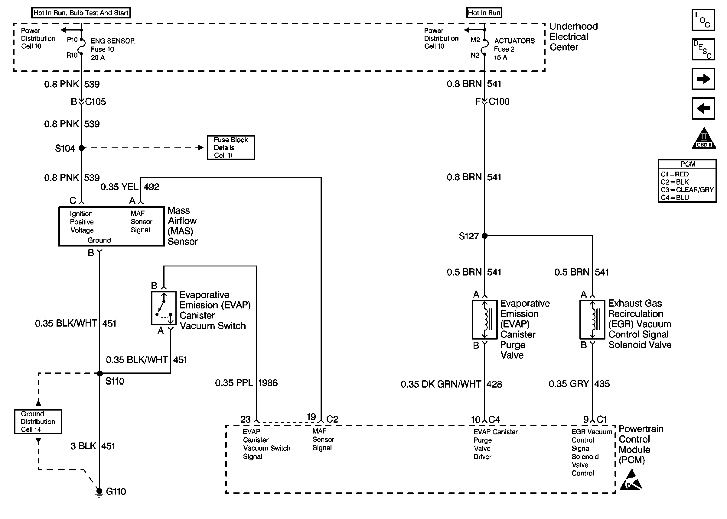
🢒 MAF, EVAP and EGR
MAF, EVAP and EGR
MAF, EVAP and EGR
Engine Controls Components
Powertrain Control Module (PCM)
AIR and IAC
Engine Data Sensors, TCS Active Signal, VSS Output
OBD II Symbol Description Notice
Handling ESD Sensitive Parts Notice