GM Service Manual Online
For 1990-2009 cars only
Makes
🢒
Chevrolet
🢒
1996
🢒
Camaro
🢒 A/C Controls
A/C Controls
A/C Controls
Engine Controls Components
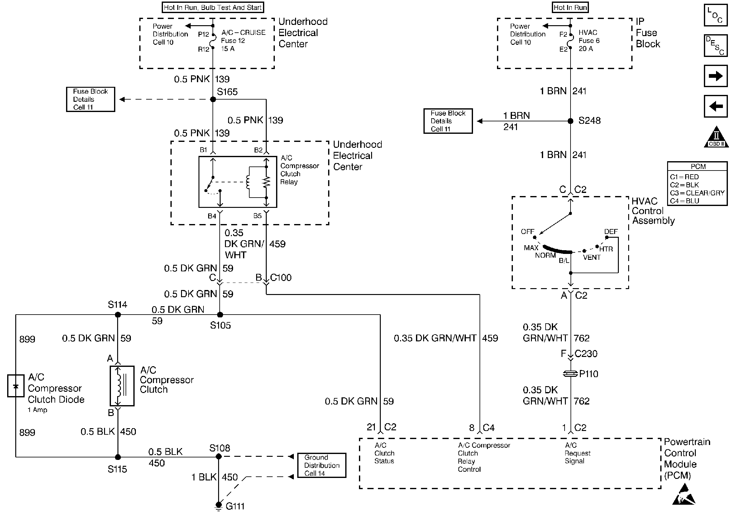
Air Conditioning (A/C) Clutch Circuit
Engine Cooling Fans
Transmission Controls
OBD II Symbol Description Notice
Handling ESD Sensitive Parts Notice