GM Service Manual Online
For 1990-2009 cars only
Makes
🢒
Chevrolet
🢒
1996
🢒
Camaro
🢒 Cooling Fans
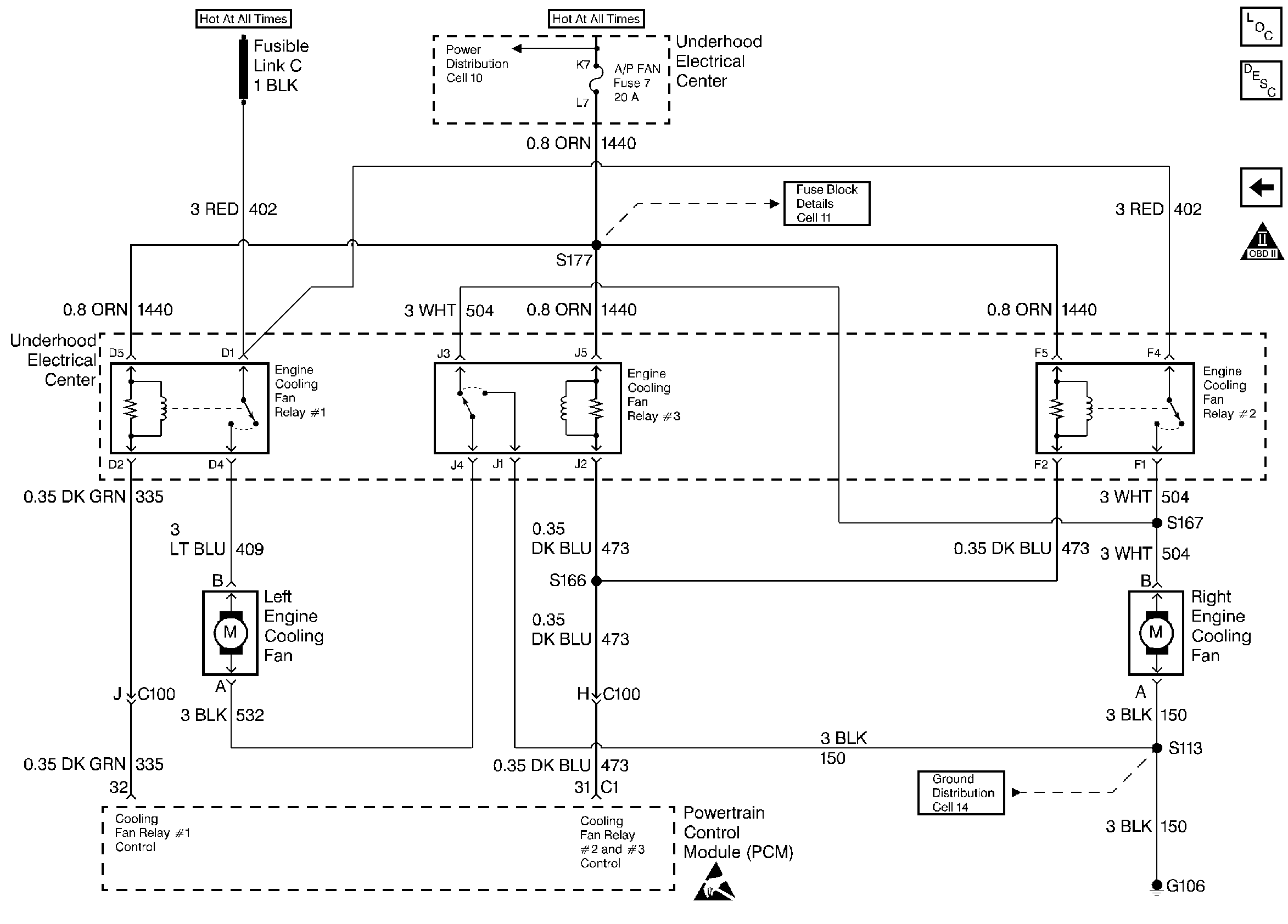
Cooling Fans
Cooling Fans
Engine Controls Components
Electric Cooling Fan
Trans Range
OBD II Symbol Description Notice
Handling ESD Sensitive Parts Notice