GM Service Manual Online
For 1990-2009 cars only

Circuit Description

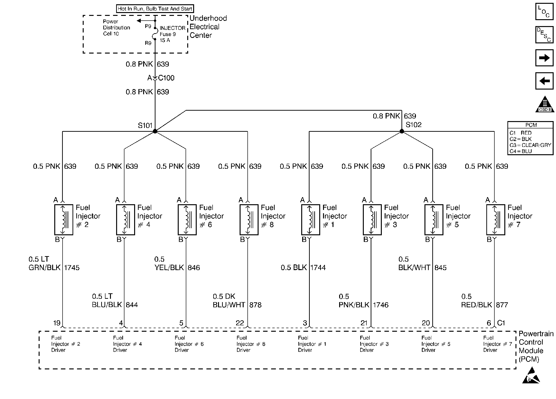
The PCM will enable an injector on the intake stroke of each cylinder. Individual cylinder fuel control is referred to as Sequential Multiport Fuel Injection (SFI).

Ignition voltage is supplied directly to the fuel injectors. The PCM controls each injector by grounding the control circuit via an internal switch called a driver. The primary function of the driver is to supply the ground for the component being controlled. Each driver has a fault line which is monitored by the PCM. When the PCM is commanding a component ON, the voltage of the control circuit should be (refer to

Fuel Injectors


Object Number: 21450  Size: FS
Engine Controls Components
Fuel Metering System Components
Engine Data Sensors
Fuel Pump
OBD II Symbol Description Notice
Handling ESD Sensitive Parts Notice
for schematic) low (near 0 volts). When the PCM is commanding the control circuit to a component OFF, the voltage potential of the circuit should be high (near battery voltage). If the fault detection circuit senses a voltage other than what is expected, the fault line status will change causing the DTC to set.

The PCM will monitor each injector circuit for the following:

    • A grounded circuit.
    • An open circuit.
    • A circuit shorted to voltage.
    • An injector that is open.
    • An injector that is shorted or has low resistance.

When the PCM detects any of the above malfunctions, a DTC P0200/P1222 will set and the driver will be disabled.

Conditions for Setting the DTC

    • Engine operating.
    • Ignition voltage greater than 10.0 volts.
    • The PCM detects the wrong voltage potential on any injector driver circuits for 4.0 seconds or more.

Action Taken When the DTC Sets

    • The PCM will illuminate the Malfunction Indicator Lamp (MIL) when the diagnostic runs and fails.
    • The PCM will record operating conditions at the time the diagnostic fails. This information will be stored in the Freeze Frame and/or Failure Records.
    • The injector will be disabled for the entire ignition cycle.

Conditions for Clearing the MIL/DTC

    • The PCM will turn the MIL OFF after three consecutive drive trips that the diagnostic runs and does not fail.
    • A last test failed (Current DTC) will clear when the ignition is cycled and the diagnostic runs and does not fail.
    • A History DTC will clear after forty consecutive warm-up cycles, if no failures are reported by this or any other emission related diagnostic.
    • PCM battery voltage is interrupted.
    • Using a Scan tool.

Diagnostic Aids

    • If an injector is disconnected while the engine is operating and a DTC P0200 sets, the injector driver will be disabled for the entire ignition cycle.
    • When the injector driver is disabled, an engine misfire will be apparent and a misfire DTC will set.

For intermittents, refer to Symptoms .

Test Description

Number(s) below refer to step numbers on the diagnostic table.

  1. Determines if a malfunction is present. For any test that requires probing the PCM or a component harness connector, must use the Connector Test Adapter Kit J 35616-A. Using this kit will prevent damage to the harness connector terminals.

  2. There are two ways to isolate a malfunctioning injector circuit:

  3. • DTC P0300 indicates a misfire is present. So if an injector DTC is present at the same time a misfire DTC is set, use misfire event counters to locate the cylinder that is misfiring.
    •  If no misfire DTC is present, Start and idle the engine while monitoring misfire event counters. If a misfire is present, the misfire event counters will increase for a cylinder that has a misfire.
  4. Check injector connections before replacing the injector. A faulty connection will cause a DTC P0200 to set.

  5. Checks for an ignition feed circuit that is shorted to ground.

Disconnecting the PCM will allow using the DVM (J 39200) to check continuity of the circuits. This will aid in locating an open or shorted circuit.

Step

Action

Value(s)

Yes

No

1

Was the Powertrain On-Board Diagnostic (OBD) System Check performed?

--

Go to Step 2

Go to Powertrain On Board Diagnostic (OBD) System Check

2

  1. Install the scan tool.
  2. Start and idle engine.
  3. Using a scan tool, monitor all the Misfire Cur. Counters on the Misfire Data List (There are a total of 8 counters. One counter per cylinder.)

Are any of the Misfire Cur. Counters incrementing?

--

Go to Step 4

Go to Step 3

3

Using a scan tool, monitor the Misfire Hist. Counters on the Misfire Data List (There are a total of 8 counters. One counter per cylinder.)

Do any of the Misfire Hist. Counters indicate a number other than 0.0 counts?

--

Go to DTC P1222 Injector Control Circuit Intermittent

Go to Diagnostic Aids

4

Important: This step is only for B, D and Y cars. Proceed to step 5 If the vehicle is not a B, D or Y car.

Are the injector fuses OK?

--

Go to Step 5

Go to Step 8

5

  1. Turn the ignition OFF.
  2. Disconnect the injector(s) harness that the Misfire Cur counter was incrementing for.
  3. Turn the ignition ON.
  4. Using a test light (J 34142-B) connected to ground, probe the injector harness ignition feed circuit.

Does the test light illuminate?

--

Go to Step 6

Go to Step 10

6

  1. Turn the ignition OFF.
  2. Connect injector test light (J 34730-2C) to isolated injector harness.
  3. Start engine and idle.

Does the test light blink?

--

Go to Step 7

Go to Step 11

7

  1. Inspect the injector harness terminals for proper terminal tension.
  2. Replace terminal as necessary. Refer to Repair Procedures in Electrical Diagnosis (8A Cell 5).

Did the terminal need replacing?

--

Go to Step 17

Go to Step 15

8

  1. Turn the ignition OFF.
  2. Disconnect the four injector harness connectors related to the fuse that was open.
  3. Using a test light (J 34142-B) connected to B+, probe the injector ignition feed circuits of one of the injector harnesses that are disconnected.

Does the test light illuminate?

--

Go to Step 13

Go to Step 9

9

Using a DVM (J 39200), measure resistance of each injector that is powered by the fuse that was open.

Does any injector measure less than the specified value?

11.6 ohms

Go to Step 15

Go to Step 14

10

Repair the injector ignition feed circuit to isolated injector. Refer to Repair Procedures in Electrical Diagnosis (8A Cell 5).

Is the action complete?

--

Go to Step 17

--

11

  1. Turn the ignition OFF.
  2. Disconnect the PCM electrical connector.
  3. Check injector driver circuit for an open.

Is the injector driver circuit open?

--

Go to Step 12

Go to Step 16

12

Repair injector driver circuit for an open. Refer to Repair Procedures in Electrical Diagnosis (8A Cell 5).

Is the action complete?

--

Go to Step 17

--

13

Repair the grounded ignition feed circuit to the injectors. Refer to Repair Procedures in Electrical Diagnosis (8A Cell 5).

Is the action complete?

--

Go to Step 17

--

14

Repair intermittent short to ground in the injector ignition feed circuit. Refer to Repair Procedures in Electrical Diagnosis (8A Cell 5).

Is the action complete?

--

Go to Step 17

--

15

Replace the faulty injector(s) that was isolated. Refer to Fuel Injector Replacement .

Is the action complete?

--

Go to Step 17

--

16

Important:: Replacement PCM must be programmed. Refer to Powertrain Control Module Replacement/Programming .

Replace the PCM.

Is the action complete?

--

Go to Step 17

--

17

  1. Using the scan tool, select DTC, Clear Info.
  2. Start the engine and idle at normal operating temperature.
  3. Select DTC, Specific, then enter the DTC number which was set.
  4. Operate the vehicle within the conditions for setting this DTC as specified in the supporting text, if applicable.

Does the scan tool indicate that this test ran and passed?

--

Go to Step 18

Go to Step 2

18

Using the scan tool, select Capture Info, Review Info.

Are any DTCs displayed that have not been diagnosed?

--

Go to the applicable DTC table

System OK