GM Service Manual Online
For 1990-2009 cars only
Table 1: Electric Cooling Fan Functional Check
Table 2: Electric Cooling Fan Table #1
Table 3: Electric Cooling Fan Table #2
Table 4: Electric Cooling Fan Table #3

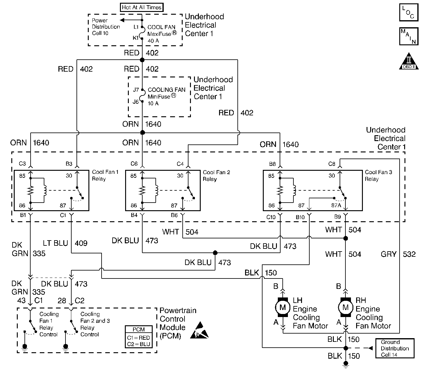
Object Number: 218709  Size: LF
Engine Controls Components
Engine Cooling Fan
OBD II Symbol Description Notice
Handling ESD Sensitive Parts Notice
Handling ESD Sensitive Parts Notice

Circuit Description:

The cooling fans are controlled by the PCM based on various inputs. Ignition voltage is supplied to all three cooling fan relay coils. The PCM controls cooling fan relay # 1 by providing the ground path. The PCM controls cooling fan relays # 2 and # 3 together by providing a ground path. The left and right cooling fans are connected in series. This will enable both fans on low speed when the fan #1 relay is energized. When all three fan relays are energized, both fans will operate at high speed. The high speed is possible because the fan relays are wired in a parallel circuit. When the PCM detects that certain DTCs are set, the PCM will enable the cooling fans.

The PCM will enable the engine cooling fans when certain Diagnostic Trouble Codes are set. The PCM will also enable the cooling fans after the ignition is turned off. When engine coolant temperature exceeds 140°C (284°F) and the ignition is turned off, the cooling fans will be enabled on low speed.

Diagnostic Aids

If the owner complained of an overheating problem, determine if the complaint was due to an actual boil over, or the warning indicator light illuminated, or the engine coolant temperature gauge indicated overheating. The gauge accuracy can also be checked by comparing the Engine Coolant Temperature (ECT) sensor reading using a scan tool and comparing its reading with the gauge reading. If the engine is actually overheating and the gauge indicated overheating, but the cooling fan is not coming ON, the Engine Coolant Temperature (ECT) sensor has probably shifted out of calibration and should be replaced.

If the engine is overheating and the cooling fans are ON, the cooling system should be checked, refer to Engine Overheating in Engine Cooling.

The PCM will command low speed fans ON at 108°C (226°F) and OFF at 103°C (217°F) and, high speed fans ON at 113°C (235°F) and OFF at 108°C (226°F).

Test Description

The numbers below refer to numbers on the diagnostic table.

  1. The PCM will enable the engine cooling fans when certain Diagnostic Trouble Codes are set. Go to applicable DTC Table first before proceeding with this table.

  2. Allow engine coolant temperature to cool below 100°C (212°F) before proceeding with diagnosis.

Electric Cooling Fan Functional Check

Step

Action

Value(s)

Yes

No

1

Did you perform the Powertrain On-Board Diagnostic (OBD) System Check?

--

Go to Step 2

Go to Powertrain On Board Diagnostic (OBD) System Check

2

Are any DTCs set?

--

Go to applicable DTC Table

Go to Step 3

3

Important: Engine coolant temperature must be below the specified value for all of the cooling fan diagnoses.

  1. Idle the engine.
  2. Turn the A/C OFF.
  3. Monitor the A/C Request parameter using the scan tool.

Does the scan tool display the A/C request as YES?

100°C (212°F)

Go to Air Conditioning (A/C) Request Circuit Diagnosis

Go to Step 4

4

  1. Turn OFF the ignition.
  2. Turn ON the ignition leaving the engine OFF.

Are the cooling fans ON?

--

Go to Cooling Fan table #1

Go to Step 5

5

Command the cooling fan relay #1 ON using a scan tool.

Are both cooling fans ON?

--

Go to Step 6

Go to Cooling Fan table #2

6

Command the cooling fan relays #1, #2 and #3 ON using a scan tool.

Do both cooling fans switch to high speed?

--

Go to Step 7

Go to Cooling Fan table #3

7

  1. Using a scan tool, exit outputs.
  2. Idle the engine leaving the A/C OFF.

Are the cooling fans ON?

--

Go to Cooling Fan table #1

Go to Step 8

8

Turn the A/C ON.

Are the cooling fans ON?

--

System OK

Go to Step 9

9

Does the scan tool display A/C request as YES?

--

Go to Functional Check in HVAC Systems.

Go to Air Conditioning (A/C) Request Circuit Diagnosis

Test Description

The numbers below refer to the step numbers in the diagnostic table.

  1. This step determines if the cooling fan relay contacts are stuck closed.

  2. This step determines if there is a short to voltage on circuit 532.

  3. Any test that requires probing a component or a component harness connector, use the Connector Test Adaptor Kit J 35616 . Using this kit prevents damage to the harness connector terminals. Refer to Using Connector Test Adapters .

  4. This step determines if the cooling fan relay contacts are stuck closed.

Electric Cooling Fan Table #1

Step

Action

Value(s)

Yes

No

1

Did you perform the Cooling Fan Functional Check?

--

Go to Step 2

Go to Cooling Fan Functional Check

2

  1. Turn ON the ignition leaving the engine OFF.
  2. Disconnect the cooling fan relay #1.

Are both of the cooling fans OFF?

--

Go to Step 6

Go to Step 3

3

Disconnect the cooling fan relay #3.

Are both of the cooling fans OFF?

--

Go to Step 4

Go to Step 5

4

  1. Turn OFF the ignition.
  2. Raise the vehicle. Refer to Lifting and Jacking the Vehicle in General Information.
  3. Disconnect the left cooling fan electrical connector.
  4. Probe the cooling fan electrical connector terminal B using the test lamp J 35616-200 connected to ground.
  5. Turn ON the ignition leaving the engine OFF.

Does the test lamp illuminate?

--

Go to Step 7

Go to Step 8

5

Disconnect the cooling fan relay #2.

Are both of the cooling fans OFF?

--

Go to Step 10

Go to Step 9

6

Replace the cooling fan relay #1. Refer to Cooling Fan Relay Replacement in Engine Cooling.

Is the action complete

--

Go to Cooling Fan Functional Check

--

7

Repair circuit 409 for a short to B+. Refer to Wiring Repairs in Wiring Systems.

Is the action complete

--

Go to Cooling Fan Functional Check

--

8

Repair circuit 532 for a short to B+. Refer to Wiring Repairs in Wiring Systems.

Is the action complete

--

Go to Cooling Fan Functional Check

--

9

Repair circuit 504 for a short to B+. Refer to Wiring Repairs in Wiring Systems.

Is the action complete?

--

Go to Cooling Fan Functional Check

--

10

Replace the cooling fan relay #2. Refer to Cooling Fan Relay Replacement in Engine Cooling.

Is the action complete?

--

Go to Cooling Fan Functional Check

--

Test Description

The numbers below refer to the step numbers in the diagnostic table.

  1. Any test that requires probing a component or a component harness connector, use the Connector Test Adaptor Kit J 35616 . Using this kit prevents damage to the harness connector terminals. Refer to Using Connector Test Adapters .

  2. This step tests for an inoperative cooling fan relay.

  3. This step tests for an open left cooling fan motor. When the left cooling fan terminals are connected, the right cooling fan should operate on high speed.

  4. This step is testing for a short to ground between the left cooling fan motor and cooling fan relay #3.

Electric Cooling Fan Table #2

Step

Action

Value(s)

Yes

No

1

Did you perform the Cooling Fan Functional Check?

--

Go to Step 2

Go to Cooling Fan Functional Check

2

  1. Turn ON the ignition leaving the engine OFF.
  2. Disconnect cooling fan relay #1.
  3. Probe the cooling fan relay #1 terminal B3 at the underhood electrical center using the test lamp J 35616-200 connected to ground.

Does the test lamp illuminate?

--

Go to Step 3

Go to Step 11

3

Important: Leave jumper in place for remainder of this table.

Connect a fused jumper wire between the cooling fan relay #1 terminals B3 and C1 at the underhood electrical center. Refer to Using Fused Jumper Wires in Wiring Systems.

Do both cooling fans turn ON?

--

Go to Step 12

Go to Step 4

4

  1. Raise the vehicle. Refer to Lifting and Jacking the Vehicle in General Information.
  2. Disconnect the left cooling fan electrical connector.
  3. Probe the left cooling fan electrical connector terminal B using the test lamp J 35616-200 connected to ground.

Does the test lamp illuminate?

--

Go to Step 5

Go to Step 13

5

  1. Disconnect the cooling fan relay #3.
  2. Probe the cooling fan relay #3 terminal C8 using the test lamp J 35616-200 connected to B+.

Does the test lamp illuminate?

--

Go to Step 22

Go to Step 6

6

  1. Install the cooling fan relay #3.
  2. Important: Leave jumper in place for remainder of this table.

  3. Connect a fused jumper wire between left cooling fan electrical connector terminals A and B. Refer to Using Fused Jumper Wires in Wiring Systems.

Does the right cooling fan turn ON?

--

Go to Step 14

Go to Step 7

7

  1. Disconnect the cooling fan relay #3.
  2. Probe the cooling fan relay #3 terminal C8 at the underhood electrical center using the test lamp J 35616-200 connected to ground.

Does the test lamp illuminate?

--

Go to Step 8

Go to Step 16

8

Important: Leave the jumper in place for remainder of this table.

Connect a fused jumper wire between the cooling fan relay #3 terminals C8 and B9 at the underhood electrical center. Refer to Using Fused Jumper Wires in Wiring Systems.

Does the right cooling fan turn ON?

--

Go to Step 17

Go to Step 9

9

  1. Disconnect the right cooling fan electrical connector.
  2. Probe the right cooling fan electrical connector terminal B using the test lamp J 35616-200 connected to ground.

Does the test lamp illuminate?

--

Go to Step 10

Go to Step 21

10

Probe the right cooling fan electrical connector terminal A using the test lamp J 35616-200 connected to B+.

Does the test lamp illuminate?

--

Go to Step 18

Go to Step 20

11

Repair the cooling fan relay B+ supply circuit. Refer to Wiring Repairs in Wiring Systems.

Is the action complete?

--

Go to Cooling Fan Functional Check

--

12

Replace the #1 Cooling fan relay. Refer to Cooling Fan Relay Replacement in Engine Cooling.

Is the action complete?

--

Go to Cooling Fan Functional Check

--

13

Repair the open circuit between the cooling fan relay #1 and the left cooling fan motor. Refer to Wiring Repairs in Wiring Systems.

Is the action complete?

--

Go to Cooling Fan Functional Check

--

14

  1. Inspect for poor connections at the left cooling fan motor. Refer to Intermittents and Poor Connections Diagnosis in Wiring Systems.
  2. If you find a poor connection, repair the condition as necessary. Refer to Repairing Connector Terminals in Wiring Systems.

Did you find and correct the condition?

--

Go to Cooling Fan Functional Check

Go to Step 15

15

Replace the LH fan motor. Refer to Engine Coolant Fan Motor Replacement in Engine Cooling.

Is the action complete?

--

Go to Cooling Fan Functional Check

--

16

Repair the open circuit between the LH cooling fan electrical connector terminal A and the cooling fan relay #3 terminal C8. Refer to Wiring Repairs in Wiring Systems.

Is the action complete?

--

Go to Cooling Fan Functional Check

--

17

Replace the #3 cooling fan relay. Refer to Cooling Fan Relay Replacement in Engine Cooling.

Is the action complete?

--

Go to Cooling Fan Functional Check

--

18

  1. Inspect for poor connections at the right cooling fan motor. Refer to Intermittents and Poor Connections Diagnosis in Wiring Systems.
  2. If you find a poor connection, repair the condition as necessary. Refer to Repairing Connector Terminals in Wiring Systems.

Did you find and correct the condition?

--

Go to Cooling Fan Functional Check

Go to Step 19

19

Replace the RH fan motor. Refer to Engine Coolant Fan Motor Replacement in Engine Cooling.

Is the action complete?

--

Go to Cooling Fan Functional Check

--

20

Repair the open ground circuit. Refer to Wiring Repairs in Wiring Systems.

Is the action complete?

--

Go to Cooling Fan Functional Check

--

21

Repair the open circuit between the cooling fan relay #3 and the RH cooling fan motor. Refer to Wiring Repairs in Wiring Systems.

Is the action complete?

--

Go to Cooling Fan Functional Check

--

22

Repair the short to ground between the left cooling fan motor and relay #3. Refer to Wiring Repairs in Wiring Systems.

Is the action complete?

--

Go to Cooling Fan Functional Check

--

Test Description

The numbers below refer to the step numbers in the diagnostic table.

  1. This step tests the cooling fan relay #3 control circuit.

  2. This step tests the cooling fan relay #2 control circuit.

Electric Cooling Fan Table #3

Step

Action

Value(s)

Yes

No

1

Did you perform the Cooling Fan Functional Check?

--

Go to Step 2

Go to Cooling Fan Functional Check

2

  1. Turn ON the ignition leaving the engine OFF.
  2. Command the cooling fan relays #1, #2 and #3 ON using the scan tool.

Is the right cooling fan operating at high speed?

--

Go to Step 3

Go to Step 8

3

Is the left cooling fan operating at high speed?

--

Go to Cooling Fan Functional Check

Go to Step 4

4

  1. Remove the cooling fan relay #3.
  2. Probe the cooling fan relay #3 terminal B8 at the underhood electrical center using the test lamp J 35616-200 connected to ground.

Does the test lamp illuminate?

--

Go to Step 5

Go to Step 11

5

  1. Probe the cooling fan relay #3 terminal C10 at the underhood electrical center using the test lamp J 35616-200 connected to B+.
  2. Command the cooling fan relays #2 and #3 ON using the scan tool.

Does the test lamp illuminate?

--

Go to step 6

Go to Step 13

6

Connect a fused jumper wire between the cooling fan relay #3 terminals C8 and B10 at the underhood electrical center. Refer to Using Fused Jumper Wires in Wiring Systems.

Does the left cooling fan turn ON?

--

Go to Step 16

Go to Step 7

7

Probe the cooling fan relay #3 terminal B10 at the underhood electrical center using the test lamp J 35616-200 connected to B+.

Does the test lamp illuminate?

--

Go to Step 17

Go to Step 15

8

  1. Turn ON the ignition leaving the engine OFF.
  2. Disconnect the cooling fan relay #2.
  3. Probe the cooling fan relay #2 terminals C4 and C6 at the underhood electrical center using the test lamp J 35616-200 connected to ground.

Does the test lamp illuminate for both terminals?

--

Go to Step 9

Go to Step 11

9

  1. Probe the cooling fan relay #2 terminal B4 at the underhood electrical center using the test lamp J 35616-200 connected to B+.
  2. Command the cooling fan relays #2 and #3 ON using the scan tool.

Does the test lamp illuminate?

--

Go to Step 10

Go to Step 13

10

Jumper the cooling fan relay #2 terminals C4 and B6 at the underhood electrical center using a fused jumper wire. Refer to Using Fused Jumper Wires in Wiring Systems.

Does the right cooling fan turn ON?

--

Go to Step 12

Go to Step 14

11

Repair the cooling fan relay B+ circuit for an open. Refer to Wiring Repairs in Wiring System.

Is the action complete?

--

Go to Cooling Fan Functional Check

--

12

Replace the #2 Cooling fan relay. Refer to Cooling Fan Relay Replacement in Engine Cooling.

Is the action complete?

--

Go to Cooling Fan Functional Check

--

13

Repair the cooling fan relay control circuit for an open. Refer to Wiring Repairs in Wiring System.

Is the action complete?

--

Go to Cooling Fan Functional Check

--

14

Repair circuit 504 for an open. Refer to Wiring Repairs in Wiring System.

Is the action complete?

--

Go to Cooling Fan Functional Check

--

15

Repair the open ground circuit between cooling fan relay #3 and the splice. Refer to Wiring Repairs in Wiring Systems.

Is the action complete?

--

Go to Cooling Fan Functional Check

--

16

Replace the #3 cooling fan relay. Refer to Cooling Fan Relay Replacement in Engine Cooling.

Is the action complete?

--

Go to Cooling Fan Functional Check

--

17

  1. Inspect for poor relay connections at the underhood electrical. Refer to Intermittents and Poor Connections Diagnosis in Wiring Systems.
  2. If you find a poor connection, repair the condition as necessary. Refer to Repairing Connector Terminals in Wiring Systems.

Is the action complete?

--

Go to Cooling Fan Functional Check

--