GM Service Manual Online
For 1990-2009 cars only

Removal Procedure


    Object Number: 349720  Size: SH
  1. Raise and suitably support the vehicle. Refer to Lifting and Jacking the Vehicle in General Information.
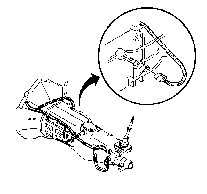
  2. Disconnect the electrical connector (1) from the backup lamp switch (2).

  3. Object Number: 38364  Size: SH
  4. Remove the backup lamp switch

Installation Procedure


    Object Number: 38364  Size: SH
  1. Apply pipe sealant with Teflon® to the threads of the backup lamp switch. Use GM P/N 1052080 or equivalent.
  2. Install the backup lamp switch.
  3. Tighten
    Tighten the backup lamp switch to 27 N·m (20 lb ft).


    Object Number: 255673  Size: SH
  4. Connect the electrical connector (1) to the backup lamp switch (2).
  5. Lower the vehicle.