GM Service Manual Online
For 1990-2009 cars only
Makes
🢒
Chevrolet
🢒
1998
🢒
Camaro
🢒 Ignition System, Knock Sensors
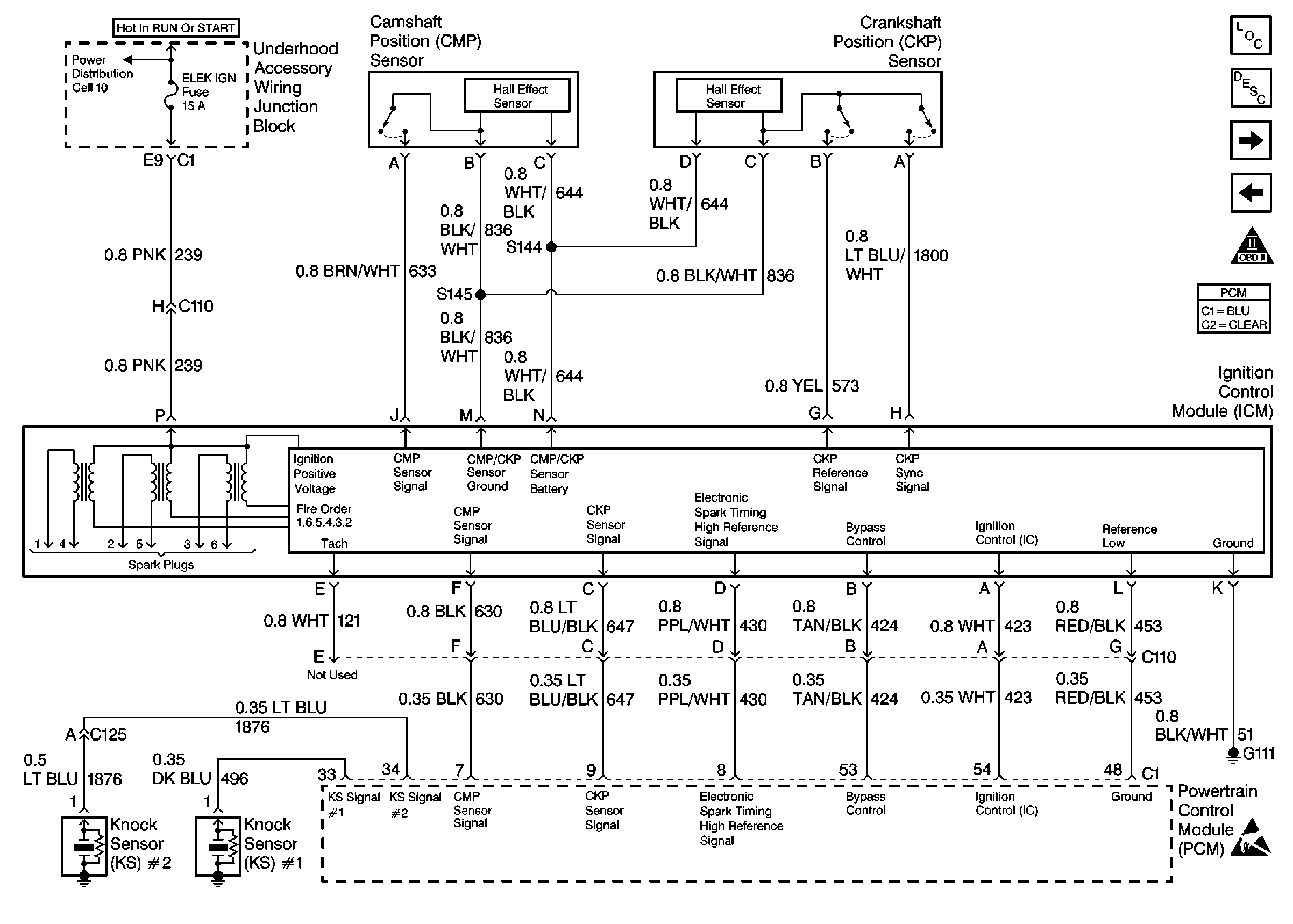
Ignition System, Knock Sensors
Ignition System, Knock Sensors
Engine Controls Components
Powertrain Control Module Description
Fuel Control
Power, Ground, MIL, DLC
OBDII Symbol Description Notice
Handling Electrostatic Discharge Sensitive Parts Notice
Power Distribution Schematics