GM Service Manual Online
For 1990-2009 cars only
Makes
🢒
Chevrolet
🢒
1998
🢒
Camaro
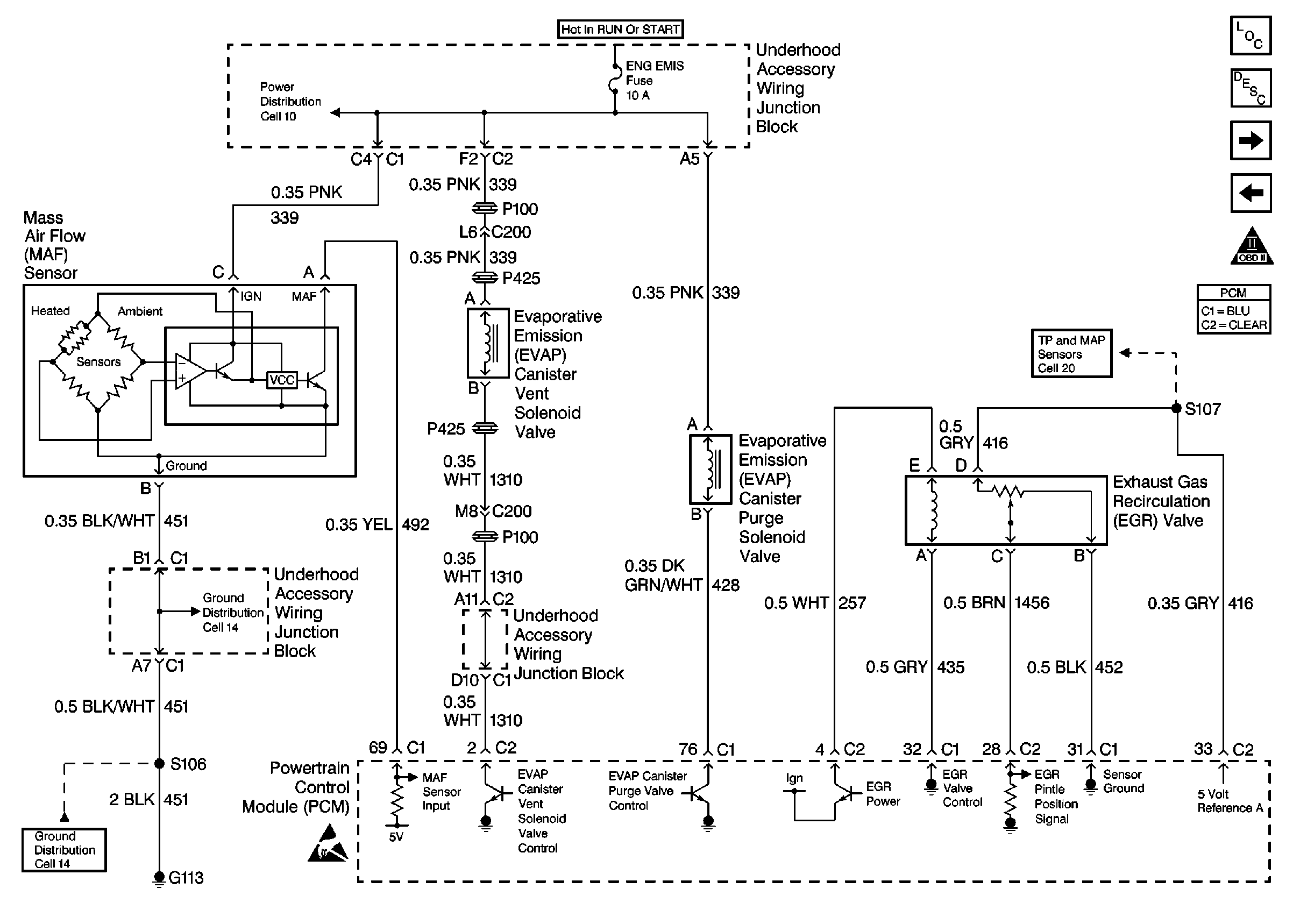
🢒 Engine Data Sensors-MAF, EVAP Vent, EVAP Purge, EGR
Engine Data Sensors-MAF, EVAP Vent, EVAP Purge, EGR
Engine Data Sensors-MAF, EVAP Vent, EVAP Purge, EGR
Engine Controls Components
Powertrain Control Module Description
Engine Data Sensors-HO2S #1, HO2S #2
Engine Data Sensors-A/C Refrig Press, TP, MAP, ECT, IAT
OBDII Symbol Description Notice
Handling Electrostatic Discharge Sensitive Parts Notice
Engine Controls Schematics
Power Distribution Schematics
Ground Distribution Schematics
Ground Distribution Schematics