GM Service Manual Online
For 1990-2009 cars only
Makes
🢒
Chevrolet
🢒
1998
🢒
Camaro
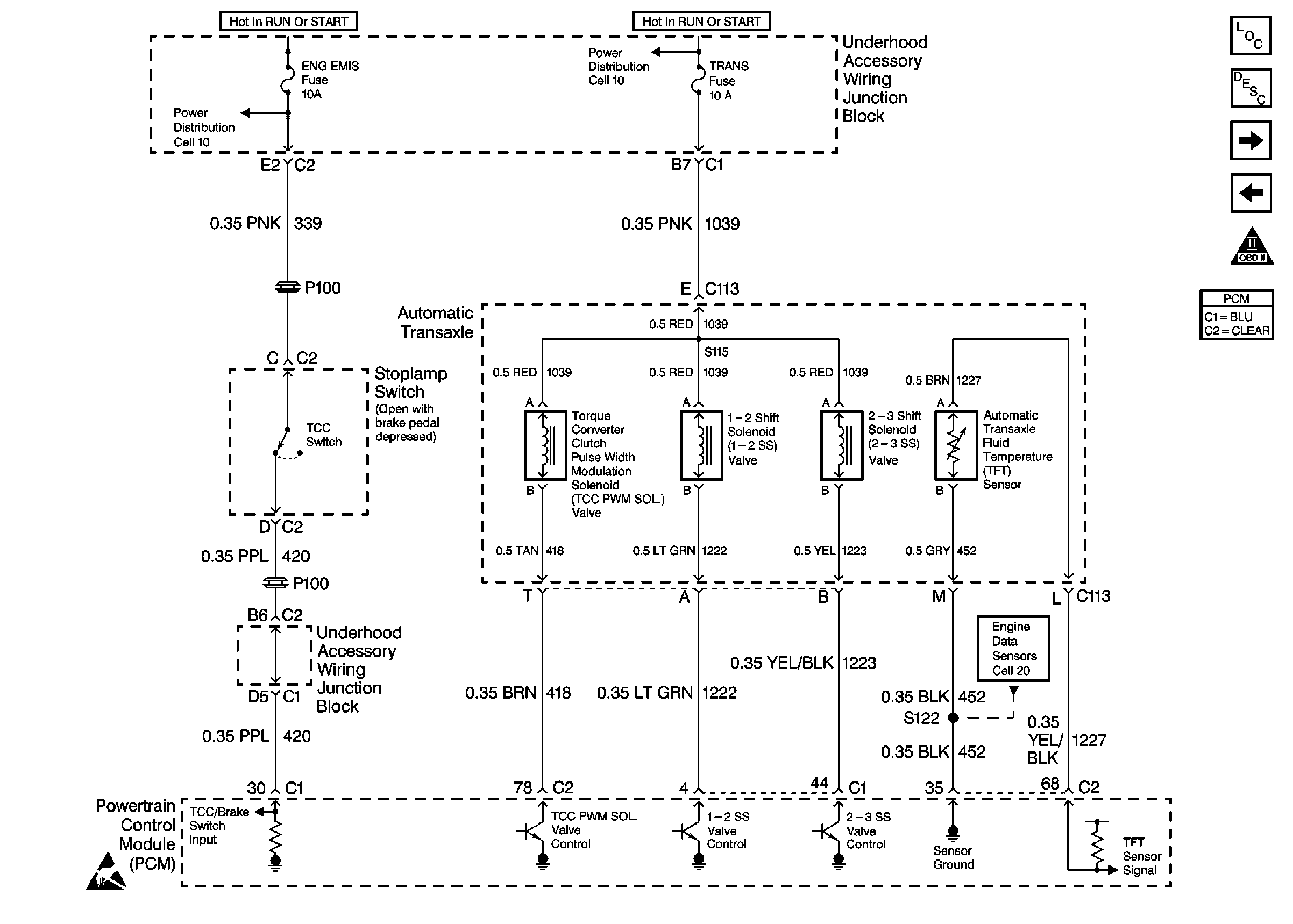
🢒 Automatic Transaxle (4T65-E) part 1, TCC Switch
Automatic Transaxle (4T65-E) part 1, TCC Switch
Automatic Transaxle (4T65-E) part 1, TCC Switch
Engine Controls Components
Powertrain Control Module Description
Automatic Transaxle (4T65-E) part 2
IAC Valve, Engine Oil Level Switch, Engine Oil Pressure Switch
OBDII Symbol Description Notice
Handling Electrostatic Discharge Sensitive Parts Notice
Engine Controls Schematics
Power Distribution Schematics
Power Distribution Schematics