GM Service Manual Online
For 1990-2009 cars only
Makes
🢒
Chevrolet
🢒
1998
🢒
Camaro
🢒 A/C Compressor Controls
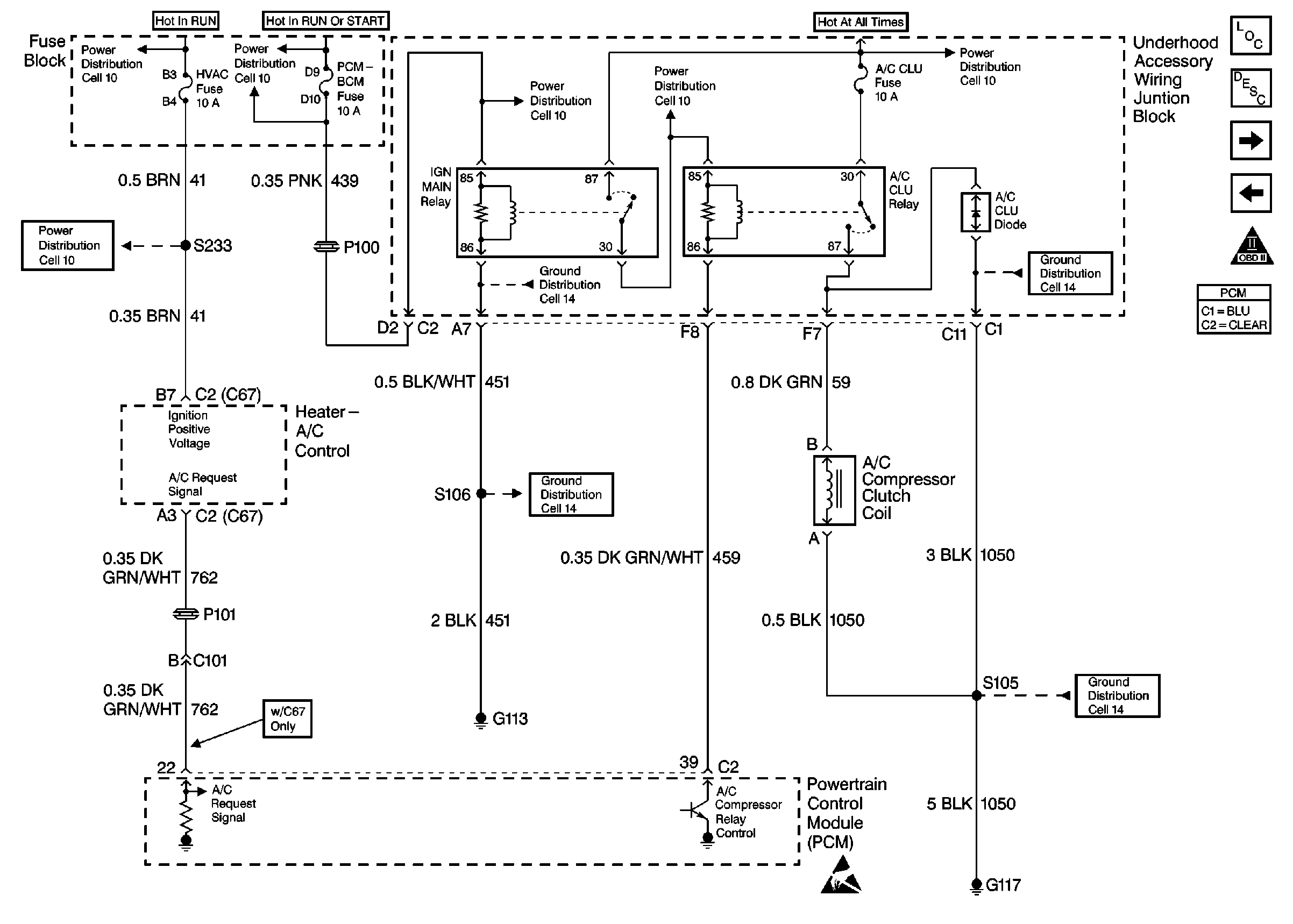
A/C Compressor Controls
A/C Compressor Controls
Engine Controls Components
Powertrain Control Module Description
Coolant Fans
Automatic Transaxle (4T65-E) part 2
OBDII Symbol Description Notice
Handling Electrostatic Discharge Sensitive Parts Notice
Power Distribution Schematics
Power Distribution Schematics
Power Distribution Schematics
Power Distribution Schematics
Power Distribution Schematics
Power Distribution Schematics
Ground Distribution Schematics
Ground Distribution Schematics
Ground Distribution Schematics
Ground Distribution Schematics