GM Service Manual Online
For 1990-2009 cars only
Makes
🢒
Chevrolet
🢒
1998
🢒
Camaro
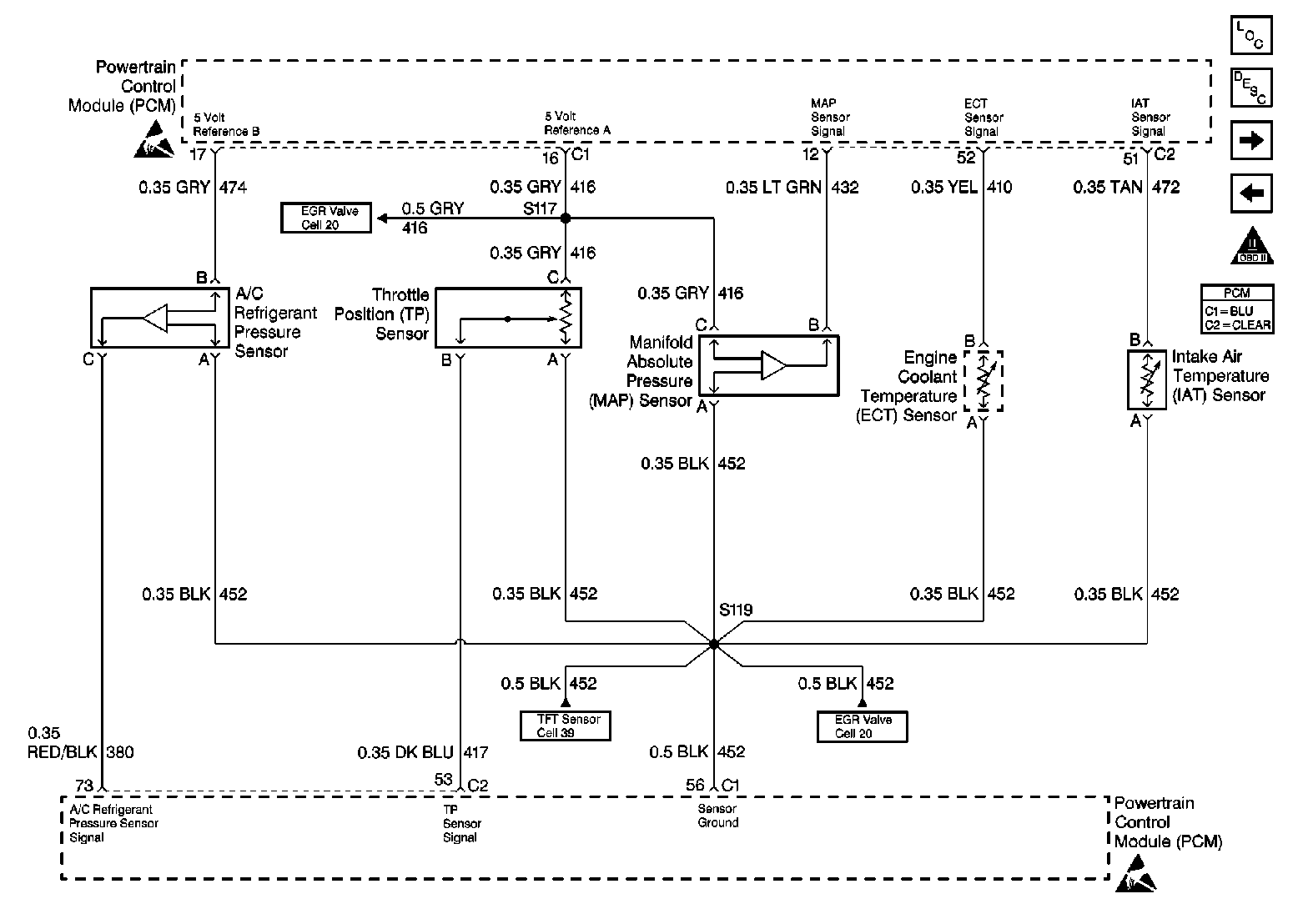
🢒 A/C Refrigerant Pressure, TP, MAP, ECT, IAT Sensors
A/C Refrigerant Pressure, TP, MAP, ECT, IAT Sensors
A/C Refrigerant Pressure, TP, MAP, ECT, IAT Sensors
Engine Controls Components
Information Sensors
MAF Sensor, EVAP System, EGR Valve
Fuel Pump Control
OBD II Symbol Description Notice
Handling ESD Sensitive Parts Notice
Handling ESD Sensitive Parts Notice