GM Service Manual Online
For 1990-2009 cars only

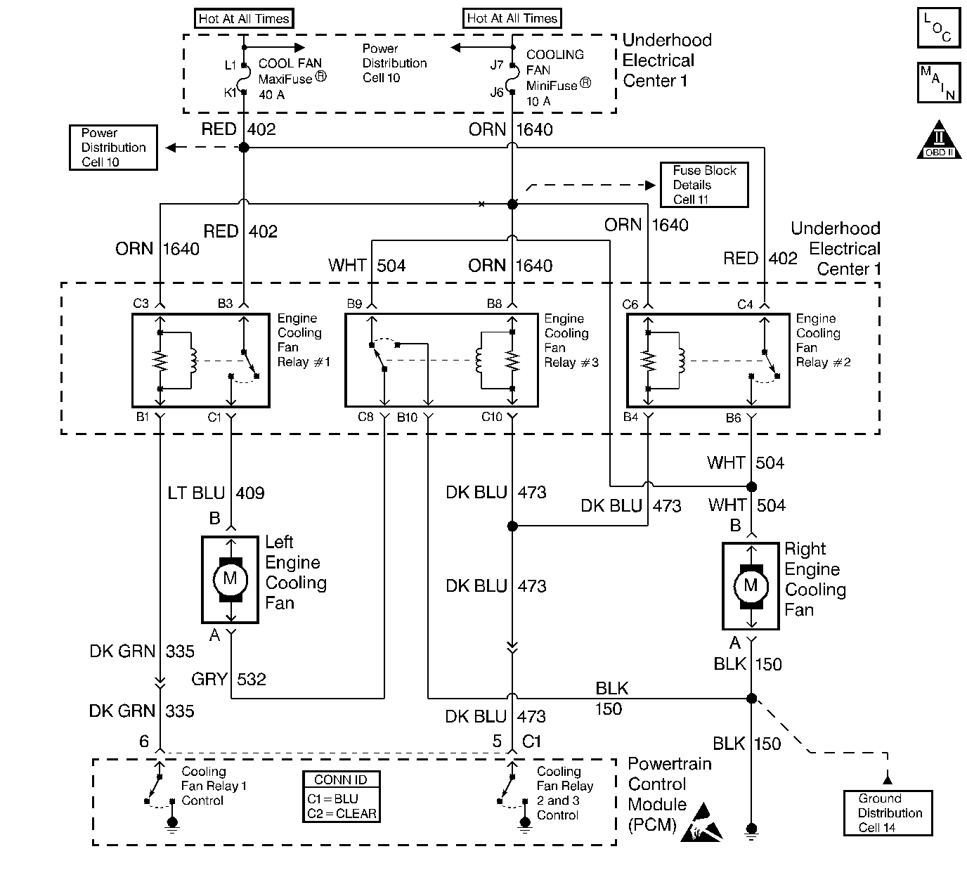
Object Number: 254432  Size: LF
Engine Controls Components
Cooling Fans
OBD II Symbol Description Notice
Handling ESD Sensitive Parts Notice

Circuit Description

Output driver modules (ODMs) are used by the PCM to turn on many of the current-driven devices that are needed to control various engine and transaxle functions. Each ODM is capable of controlling up to 7 separate outputs by applying ground to the device which the PCM is commanding ON. Unlike the quad driver modules (QDMs) used in prior model years, ODMs have the capability of diagnosing each output circuit individually. DTC P1652 set indicates an improper voltage level has been detected on ODM B output 2, which controls the high speed and series/parallel cooling fan relays.

Conditions for Setting the DTC

    • The ignition is ON.
    • An improper voltage level has been detected on the output circuit which controls the high speed fans.
    • The above conditions are present for at least 30 seconds.

Action Taken When the DTC Sets

    • The PCM will illuminate the MIL during the second consecutive trip in which the diagnostic test has been run and failed.
    • The PCM will store conditions which were present when the DTC set as Freeze Frame and Fail Records data.

Conditions for Clearing the MIL/DTC

    • The PCM will turn the MIL OFF during the third consecutive trip in which the diagnostic has been run and passed.
    • The history DTC will clear after 40 consecutive warm-up cycles have occurred without a malfunction.
    • The DTC can be cleared by using the scan tool Clear Information function or by disconnecting the PCM battery feed.

Diagnostic Aids

Check for the following conditions:

    • Poor connection at PCM - Inspect harness connectors for the following items:
       - Backed out terminals
       - Improper mating
       - Broken locks
       - Improperly formed or damaged terminals
       - Poor terminal to wire connections
    • Damaged harness - Inspect the wiring harness for damage.
    • If the harness appears to be OK, disconnect the PCM, turn the ignition ON and observe a DMM connected between the Fan 2 driver circuit and ground at the PCM harness connector while moving connectors and wiring harnesses related to the series/parallel fan relay and the high speed fan relay. A change in voltage will indicate the location of the fault.

Review the Fail Records vehicle mileage since the diagnostic test last failed. This may help determine how often the condition that caused the DTC to be set occurs.

Test Description

Number(s) below refer to the step number(s) on the Diagnostic Table.

  1. Normally, battery feed voltage should be present on the control circuit with the PCM disconnected and the ignition turned ON.

  2. Checks for a shorted component or a short to B+ on the control circuit. Either condition would result in a measured current of over 500 milliamps. Also checks for a component that is going open while being operated, resulting in a measured current of 0 milliamps.

  3. Checks for a short to B+ on the cooling fan relay #2 and #3 control circuit.

  4. This vehicle is equipped with a PCM which utilizes an Electrically Erasable Programmable Read Only Memory (EEPROM). When the PCM is being replaced, the new PCM must be programmed.

DTC P1652 - Fan 2 Relay Control Circuit

Step

Action

Value(s)

Yes

No

1

Was the Powertrain On-Board Diagnostic (OBD) System Check performed?

--

Go to Step 2

Go to the Powertrain On Board Diagnostic (OBD) System Check

2

  1. Turn OFF the ignition switch.
  2. Disconnect the PCM.
  3. Turn ON the ignition switch.
  4. Using a J 39200 DMM, measure voltage between the cooling fan relay #2 and #3 control circuit at the PCM harness connector and ground.

Is the voltage near the specified value?

B+

Go to Step 3

Go to Step 6

3

  1. Disconnect the right engine cooling fan.
  2. Connect the J 39200 DMM to measure current between the cooling fan relay #2 and #3 control circuit at the PCM harness connector and ground.
  3. Monitor the current reading on the J 39200 DMM for at least 2 minutes.

Does the current reading remain between the specified values?

0.1 to 0.5 amps

(100 to 500 mA)

Go to Step 11

Go to Step 4

4

  1. Disconnect engine cooling fan relays #2 and #3 (leave the PCM disconnected).
  2. Reconnect the right engine cooling fan.
  3. Using the J 39200 DMM, measure voltage between the the cooling fan relay #2 and #3 control circuit and ground.

Is voltage at the specified value?

0V

Go to Step 14

Go to Step 5

5

Locate and repair short to voltage in the fan 2 and 3 relay control circuit. Refer to Wiring Repairs .

Is action complete?

--

Go to Step 18

--

6

  1. Turn OFF the ignition switch.
  2. Check the battery feed fuse for the engine cooling fan relay #3 and engine cooling fan relay #2 coil.

Is the fuse open?

--

Go to Step 7

Go to Step 8

7

  1. Locate and repair short to ground in the battery feed circuit for engine cooling fan relays #3 and #2. Refer to Wiring Repairs .
  2. Replace the fuse.

Is action complete?

--

Go to Step 18

--

8

  1. Disconnect engine cooling fan relay #2.
  2. Turn ON the ignition switch.
  3. Measure voltage between the relay coil battery feed circuit at engine cooling fan relay #2 cavity F5 and ground.

Is voltage near the specified value?

B+

Go to Step 9

Go to Step 13

9

  1. Check the engine cooling fan relay #2 and #3 control circuit for an open or a short to ground.
  2. If a problem is found, repair the engine cooling fan relay #2 and #3 control circuit. Refer to Wiring Repairs .

Was a problem found?

--

Go to Step 18

Go to Step 10

10

Check for the following conditions:

    • The engine cooling fan relay #2 and #3 control circuit for poor connections at the cooling fan relays.
    • The battery feed circuit for poor connections at the cooling fan relays.
    • The engine cooling fan relay #2 and #3 control circuit for a poor connection at the PCM.

Was a problem found?

--

Go to Step 18

Go to Diagnostic Aids

11

  1. Turn OFF the ignition switch.
  2. Reconnect the right cooling fan.
  3. Reconnect the PCM.
  4. Disconnect engine cooling fan relay #2.
  5. Turn ON the ignition switch.
  6. Connect a J 35616-200 Unpowered test lamp between the cooling fan relay #2 and #3 control circuit at the right side cooling fan relay harness connector and B+.
  7. Using the scan tool outputs test function, cycle fan 2 ON and OFF.

Does the test lamp flash ON and OFF?

--

Go to Diagnostic Aids

Go to Step 12

12

  1. Check the cooling fan relay #2 and #3 control circuit for a poor connection at the PCM.
  2. If a problem is found, replace faulty terminal. Refer to Wiring Repairs .

Was a problem found?

--

Go to Step 18

Go to Step 15

13

Locate and repair open in battery feed circuit to the cooling fan relay(s) coil. Refer to Wiring Repairs .

Is action complete?

--

Go to Step 18

--

14

  1. Reconnect engine cooling fan relay #3.
  2. Install the J 39200 DMM to measure current between the cooling fan relay #2 and #3 control circuit and ground.
  3. Monitor the current reading on the J 39200 DMM for at least 2 minutes.

Does the current reading remain below the specified value?

0.25 amp

(250 mA)

Go to Step 16

Go to Step 17

15

Important:: The replacement PCM must be programmed. Refer to Powertrain Control Module Replacement/Programming .

Replace the PCM.

Is action complete?

--

Go to Step 18

--

16

Replace engine cooling fan relay #2.

Is action complete?

--

Go to Step 18

--

17

Replace engine cooling fan relay #3.

Is action complete?

--

Go to Step 18

--

18

  1. Turn OFF the ignition switch.
  2. Reconnect any relay, cooling fan, and PCM connectors that were disconnected in the previous step.
  3. Turn ON the ignition switch.
  4. Review and record scan tool Fail Records data.
  5. Clear DTCs.
  6. Operate the vehicle within Fail Records conditions as noted.
  7. Using a scan tool, monitor Specific DTC info for DTC P1652 until the DTC P1652 test runs

Does the scan tool indicate DTC P1652 failed this ignition?

--

Go to Step 2

System OK