GM Service Manual Online
For 1990-2009 cars only
Makes
🢒
Chevrolet
🢒
1999
🢒
Camaro
🢒 Prior to VIN 2G1FP226XX2115914 (Chevrolet) or VIN 2G2FV22G8X2212143(Pontiac)
Prior to VIN 2G1FP226XX2115914 (Chevrolet) or VIN 2G2FV22G8X2212143(Pontiac)
Prior to VIN 2G1FP226XX2115914 (Chevrolet) or VIN 2G2FV22G8X2212143 (Pontiac)
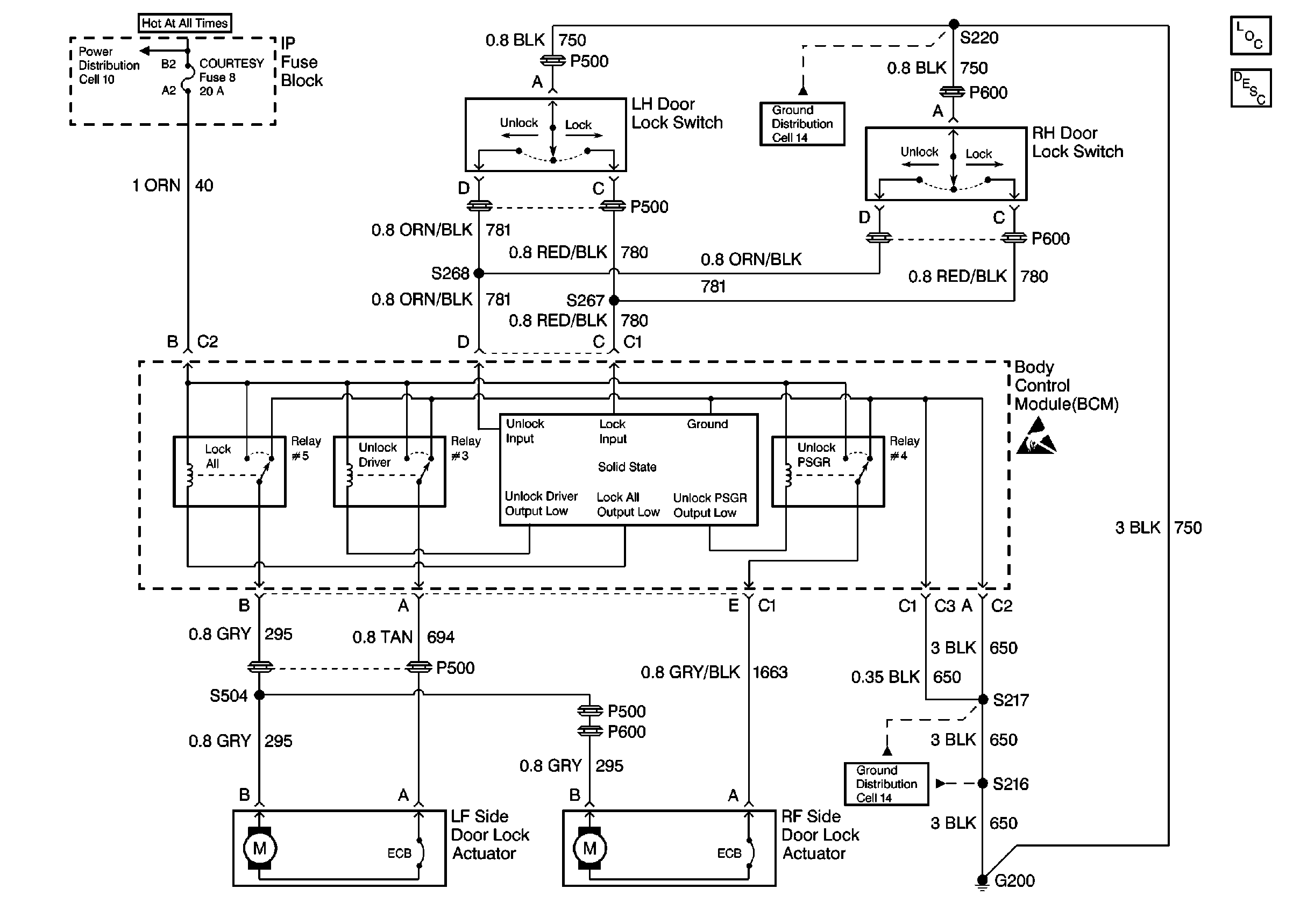
Power Door Systems Components
Power Door Locks Circuit Description
Fusible Links, IP Fuse Block, and Underhood Electrical Centers
G200 Door Locks, Mirrors, Windows
G200 Door Locks, Mirrors, Windows
Handling ESD Sensitive Parts Notice