GM Service Manual Online
For 1990-2009 cars only
Makes
🢒
Chevrolet
🢒
1999
🢒
Camaro
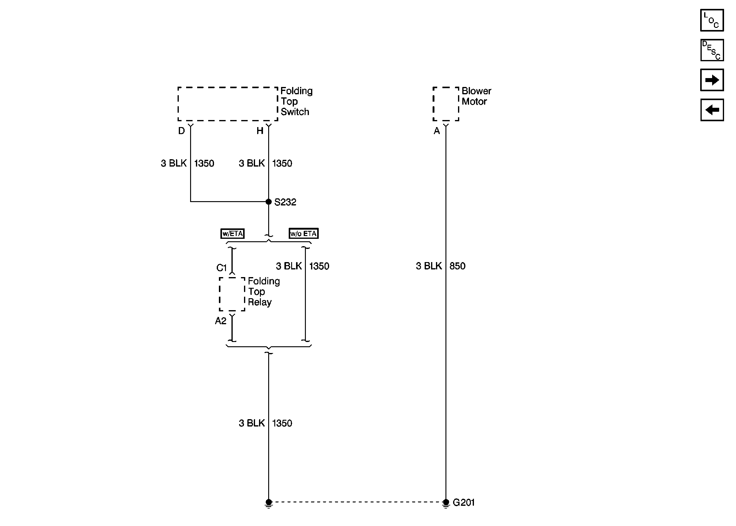
🢒 G201
G201
G201
Power and Grounding Components
G305, G310, G320
G200 BCM, DLC, UTD, Radio