GM Service Manual Online
For 1990-2009 cars only
Makes
🢒
Chevrolet
🢒
1999
🢒
Camaro
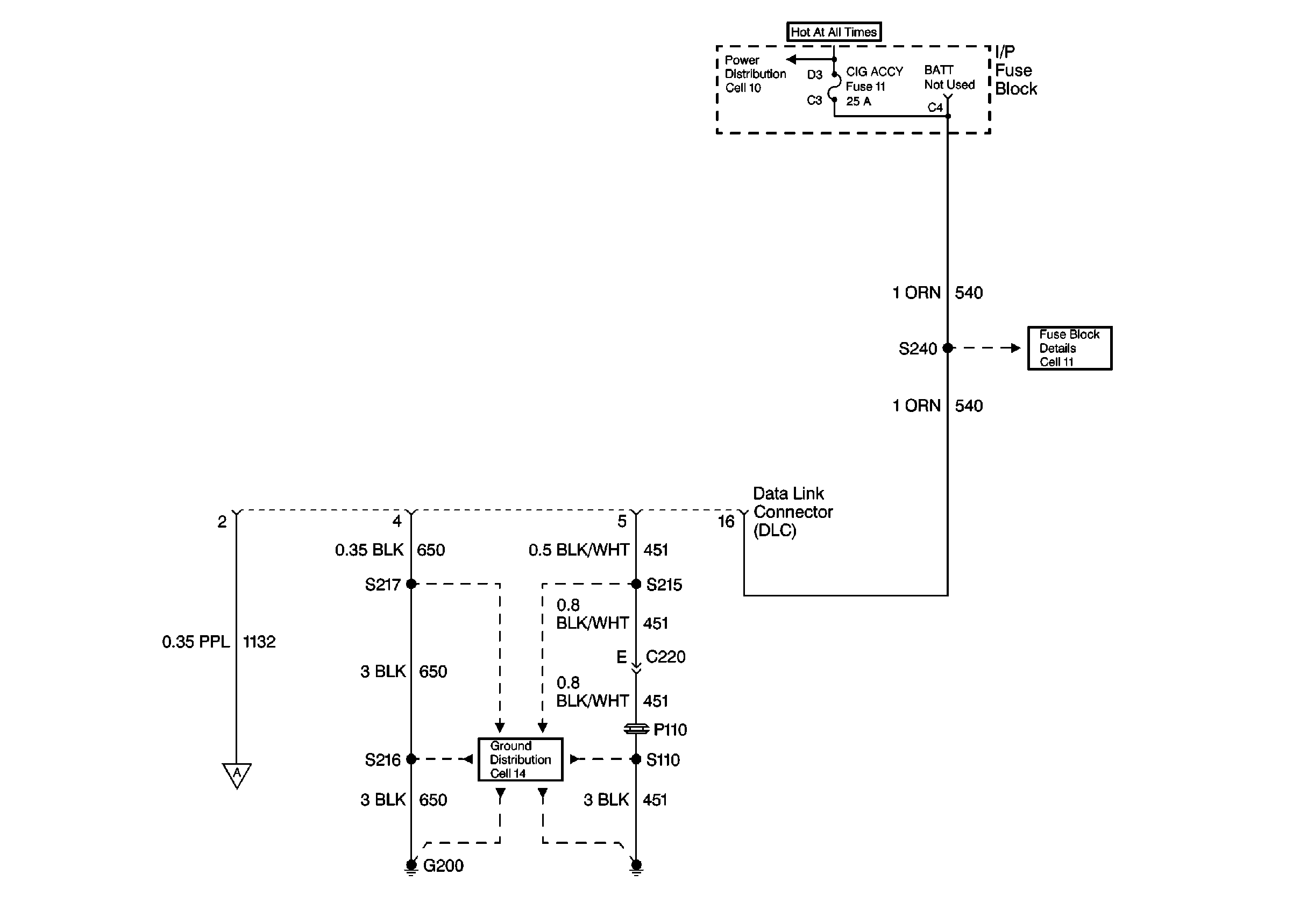
🢒 Power and Ground Cell 50
Power and Ground Cell 50
Power and Ground Cell 50
Fusible Links, IP Fuse Block, and Underhood Electrical Centers
I/P Fuses 7, 9, 10 and 11
G110 V8 VIN G
Class 2 Serial Data Line Cell 50