GM Service Manual Online
For 1990-2009 cars only
Makes
🢒
Chevrolet
🢒
1999
🢒
Camaro
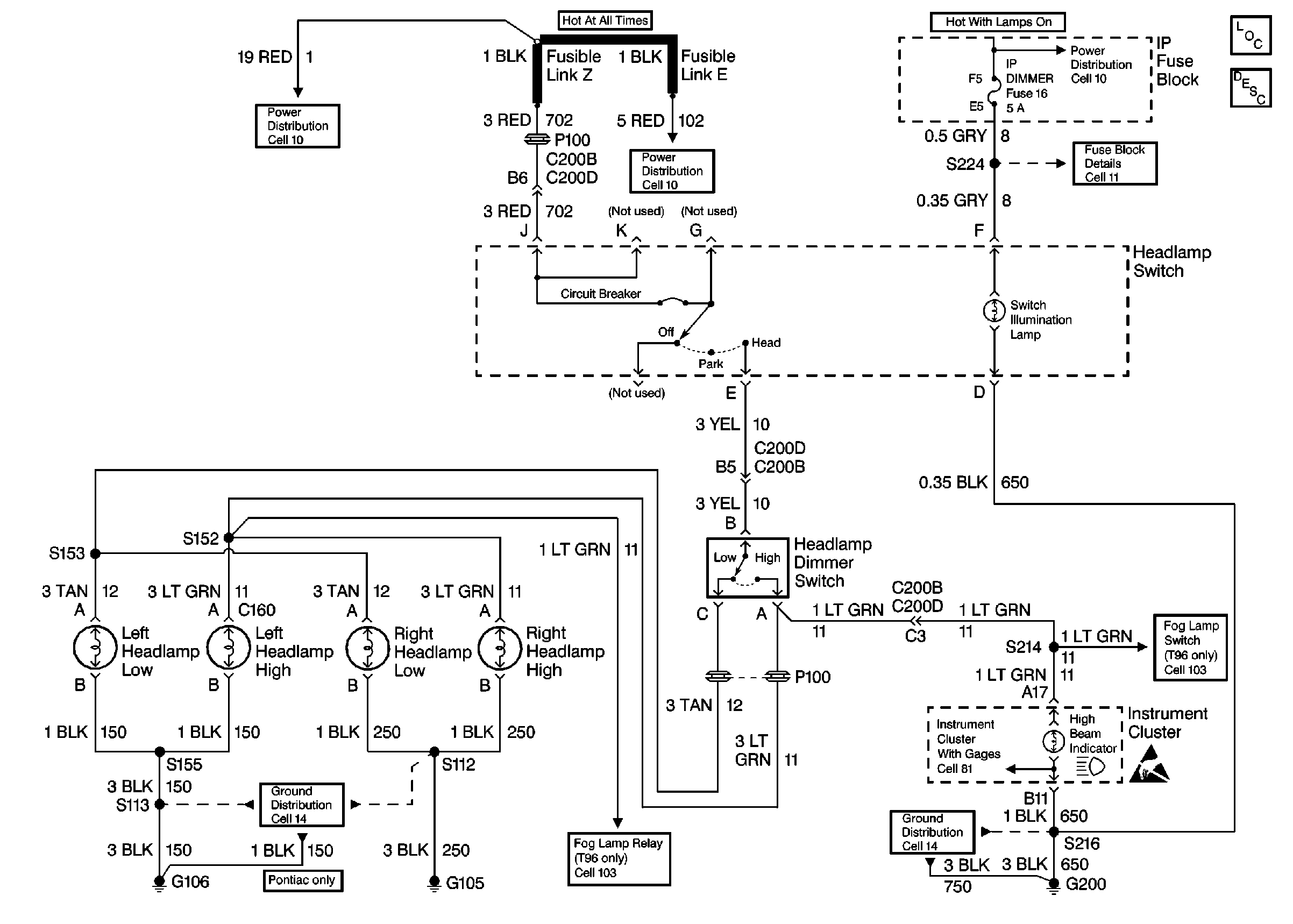
🢒 Chevrolet: Without Daytime Running Lights Cell 100
Chevrolet: Without Daytime Running Lights Cell 100
Chevrolet: Without Daytime Running Lights Cell 100
Fusible Links, IP Fuse Block, and Underhood Electrical Centers
Fusible Links, IP Fuse Block, and Underhood Electrical Centers
I/P Fuses 13 and 16
Ignition Switch and IP Fuse Block
Lighting Systems Components
Headlights Circuit Description Chevrolet
Chevrolet Cell 103
BCM and Headlamp Dimmer Switch
G200 DRL, HVAC, Rear Defog
G105
Chevrolet Cell 103
Handling Electrostatic Discharge Sensitive Parts Notice