GM Service Manual Online
For 1990-2009 cars only

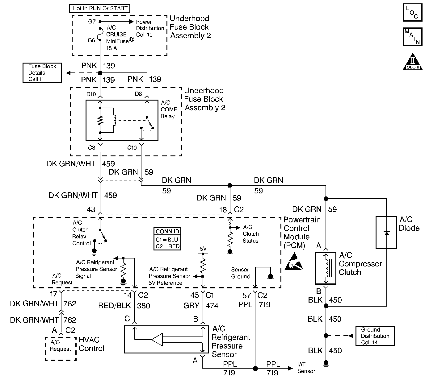
Object Number: 373472  Size: LF
Engine Controls Component Views
A/C System
OBD II Symbol Description Notice
Handling ESD Sensitive Parts Notice

Circuit Description

The PCM activates the A/C clutch relay when the PCM detects an A/C request. Voltage is present at both the A/C compressor clutch and the A/C clutch status terminal at the PCM when the relay is activated.

A DTC P1539 sets if the PCM detects a voltage on the A/C clutch status terminal when the system has not requested the A/C.

A short to voltage at any point in the A/C status circuit, or the A/C relay contacts are stuck, sets a DTC P1539.

Conditions for Running the DTC

The A/C is not requested.

Conditions for Setting the DTC

Voltage is detected on the A/C status circuit for more than 15.0 seconds after the PCM has disengaged the A/C clutch relay.

Action Taken When the DTC Sets

    • The powertrain control module (PCM) stores the DTC information into memory when the diagnostic runs and fails.
    • The malfunction indicator lamp (MIL) will not illuminate.
    • The PCM records the operating conditions at the time the diagnostic fails. The PCM stores this information in the Failure Records.

Conditions for Clearing the DTC

    • A last test failed, or current DTC, clears when the diagnostic runs and does not fail.
    • A history DTC will clear after 40 consecutive warm-up cycles, if no failures are reported by this or any other non-emission related diagnostic.
    • Use a scan tool in order to clear the DTC.

Diagnostic Aids

    • The A/C status circuit goes to the A/C compressor clutch and to the A/C clutch relay. Inspect all circuits going to these components.
    • For an intermittent condition, refer to Symptoms .

Test Description

The numbers below refer to the step numbers on the diagnostic table.

  1. If the PCM detects a voltage on the A/C status circuit with the A/C OFF the scan tool indicates the A/C status as ON.

  2. If the scan tool displayed YES in the RAN column and INT in the FAIL column, this indicates an intermittent condition is present. Inspect the A/C status circuit for an intermittent short to B+. Using the Freeze Frame and/or the Failure Records data aids in locating an intermittent condition. If you can not duplicate the DTC, the information included in the Freeze Frame and/or Failure Records data determines how many miles since the DTC set. The Fail Counter and the Pass Counter can also be used to determine how many ignition cycles the diagnostic reported a pass and/or a fail. Operate the vehicle within the same freeze frame conditions (RPM, load, vehicle speed, temperature etc.) that the PCM recorded. This isolates when the DTC failed.

  3. The relay is shorted internally if the scan tool indicates that the test passed.

Step

Action

Value(s)

Yes

No

1

Did you perform the Powertrain On-Board Diagnostic (OBD) System Check?

--

Go to Step 2

Go to Powertrain On Board Diagnostic (OBD) System Check

2

    Important: Diagnose DTC P0645 first if it is set.

  1. Install a scan tool.
  2. Idle the engine with the A/C OFF.
  3. Monitor the A/C Status display on the Engine 1 Data List using a scan tool.

Does the scan tool indicate the A/C Status is ON?

--

Go to Step 4

Go to Step 3

3

  1. Turn ON the ignition leaving the engine OFF.
  2. Review the Freeze Frame and/or Failure Records data for this DTC and observe the parameters.
  3. Turn OFF the ignition for 15 seconds.
  4. Idle the engine.
  5. Operate the vehicle within the conditions required for this diagnostic to run, and as close to the conditions recorded in Freeze Frame/Failure Records as possible. Special operating conditions that need to be met before the PCM will run this diagnostic, where applicable, are listed in Conditions for Running the DTC.
  6. Select the Diagnostic Trouble Code (DTC) option and the Specific DTC option, then enter the DTC number using the scan tool.

Does the scan tool indicate that this diagnostic failed this ignition?

--

Go to Step 4

Go to Diagnostic Aids

4

  1. Turn OFF the ignition.
  2. Remove the A/C clutch relay.
  3. Idle the engine for 30 seconds.
  4. Monitor the Diagnostic Trouble Code (DTC) Information using the scan tool.

Does the scan tool indicate that DTC P1539 failed?

--

Go to Step 5

Go to Step 6

5

Repair the short to B+ on the A/C clutch status circuit. Refer to Wiring Repairs in Wiring Systems.

Is the action complete?

--

Go to Step 7

--

6

Replace the faulty A/C clutch relay. Refer to Compressor Relay Replacement in HVAC Systems.

Is the action complete?

--

Go to Step 7

--

7

  1. Select the Diagnostic Trouble Code (DTC) option and the Clear DTC Information option using the scan tool.
  2. Idle the engine at the normal operating temperature.
  3. Select the Diagnostic Trouble Code (DTC) option and the Specific DTC option, then enter the DTC number using the scan tool.
  4. Operate the vehicle within the Conditions for Running the DTC as specified in the supporting text, if applicable.

Does the scan tool indicate that this test failed?

--

Go to Step 2

Go to Step 8

8

Select the Capture Info option and the Review Info option using the scan tool.

Does the scan tool display any DTCs that you have not diagnosed?

--

Go to the applicable DTC table

System OK