GM Service Manual Online
For 1990-2009 cars only

Removal Procedure

    Caution: Unless directed otherwise, the ignition and start switch must be in the OFF or LOCK position, and all electrical loads must be OFF before servicing any electrical component. Disconnect the negative battery cable to prevent an electrical spark should a tool or equipment come in contact with an exposed electrical terminal. Failure to follow these precautions may result in personal injury and/or damage to the vehicle or its components.

  1. Disconnect the negative battery cable.
  2. Remove the left side instrument panel insulator. Refer to Instrument Panel Insulator Panel Replacement - Left Side in Instrument Panel, Gauges and Console.
  3. Remove the following components from the pedal with the bracket. Refer to Stop Lamp Switch Replacement .
  4. • Cruise control release switch
    • Stoplamp and Torque Converter Clutch (TCC) switch
    • Cruise control clutch switch or cruise control clutch anticipate switch
  5. Remove the clutch start switch from the brake pedal with the bracket, if equipped with a manual transmission.

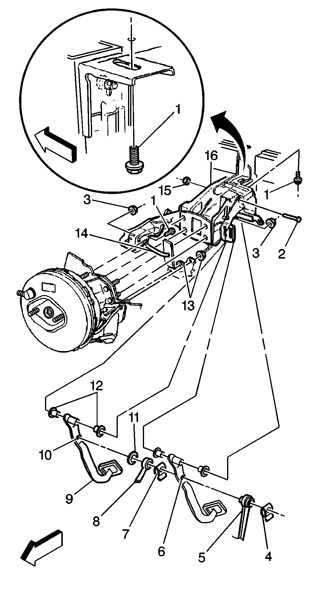
  6. Object Number: 182814  Size: LH
  7. Remove the accelerator pedal (11).
  8. Remove the following components from the brake pedal pin (9):
  9. • The brake pedal pushrod pin retainer (5)
    • The brake pedal pushrod (6)
    • The brake pedal pushrod washer (4)

    Object Number: 182817  Size: LH
  10. Remove the clutch pedal lever pin retainer (4) and the clutch pushrod (5) from the clutch pedal pin (6), if equipped with a manual transmission.
  11. Remove the brake pedal nuts (3) and the brake pedal bracket bolts/screws (1).
  12. Remove the clutch master cylinder nuts (13), if equipped with a manual transmission.
  13. Remove the brake pedal with the bracket (16).

Installation Procedure


    Object Number: 182814  Size: LH

    Important: When installing the brake pedal with the bracket, ensure that the dash panel insulator material does not get pinched between the brake pedal and the dash panel.

  1. Install the brake pedal with the bracket (13).

  2. Object Number: 182817  Size: LH
  3. Install the clutch master cylinder nuts (13), if equipped with a manual transmission.
  4. Notice: Use the correct fastener in the correct location. Replacement fasteners must be the correct part number for that application. Fasteners requiring replacement or fasteners requiring the use of thread locking compound or sealant are identified in the service procedure. Do not use paints, lubricants, or corrosion inhibitors on fasteners or fastener joint surfaces unless specified. These coatings affect fastener torque and joint clamping force and may damage the fastener. Use the correct tightening sequence and specifications when installing fasteners in order to avoid damage to parts and systems.

  5. Install the brake pedal nuts (3) and brake pedal bracket bolts/screws (1).
  6. Tighten

        • Tighten the clutch master cylinder nuts (13) to 27 N·m (20 lb ft), if equipped with a manual transmission.
        • Tighten the brake pedal bracket bolts (1) to 25 N·m (18 lb ft).
        • Tighten the brake pedal nuts (3) to 20 N·m (15 lb ft) in the following sequence:
    3.1. Inboard upper
    3.2. Outboard lower
    3.3. Outboard upper
    3.4. Inboard lower
  7. Install the accelerator pedal (14).
  8. Lubricate the clutch pedal pin (6) with chassis lubricant.
  9. Install the clutch pedal lever pin retainer (4) and the clutch master cylinder pushrod (5) to the clutch pedal pin (6), if equipped with a manual transmission.
  10. Lubricate the brake pedal pin (10) with chassis lubricant.
  11. Install the following components to the brake pedal pin:
  12. • The brake pedal pushrod pin retainer
    • The brake pedal pushrod
    • The brake pedal pushrod washer
  13. Install the following components to the pedal with the bracket (16). Refer to Stop Lamp Switch Replacement .
  14. • Cruise control release switch
    • Stoplamp and TCC switch
    • Cruise control clutch switch or cruise control clutch anticipate switch
  15. Install the clutch start switch to the brake pedal with the bracket, if equipped with a manual transmission.
  16. Adjust the following components. Refer to Stop Lamp Switch Adjustment .
  17. • Cruise control release switch
    • Stoplamp and TCC switch
    • Cruise control clutch switch or cruise control clutch anticipate switch
  18. Install the left side instrument panel insulator. Refer to Instrument Panel Insulator Panel Replacement - Left Side in Instrument Panel, Gauges and Console.
  19. Connect the negative battery cable.
  20. Tighten
    Tighten the negative battery cable to 15 N·m (11 lb ft).