GM Service Manual Online
For 1990-2009 cars only
Makes
🢒
Chevrolet
🢒
2000
🢒
Camaro
🢒
HVAC
🢒
HVAC Systems - Manual
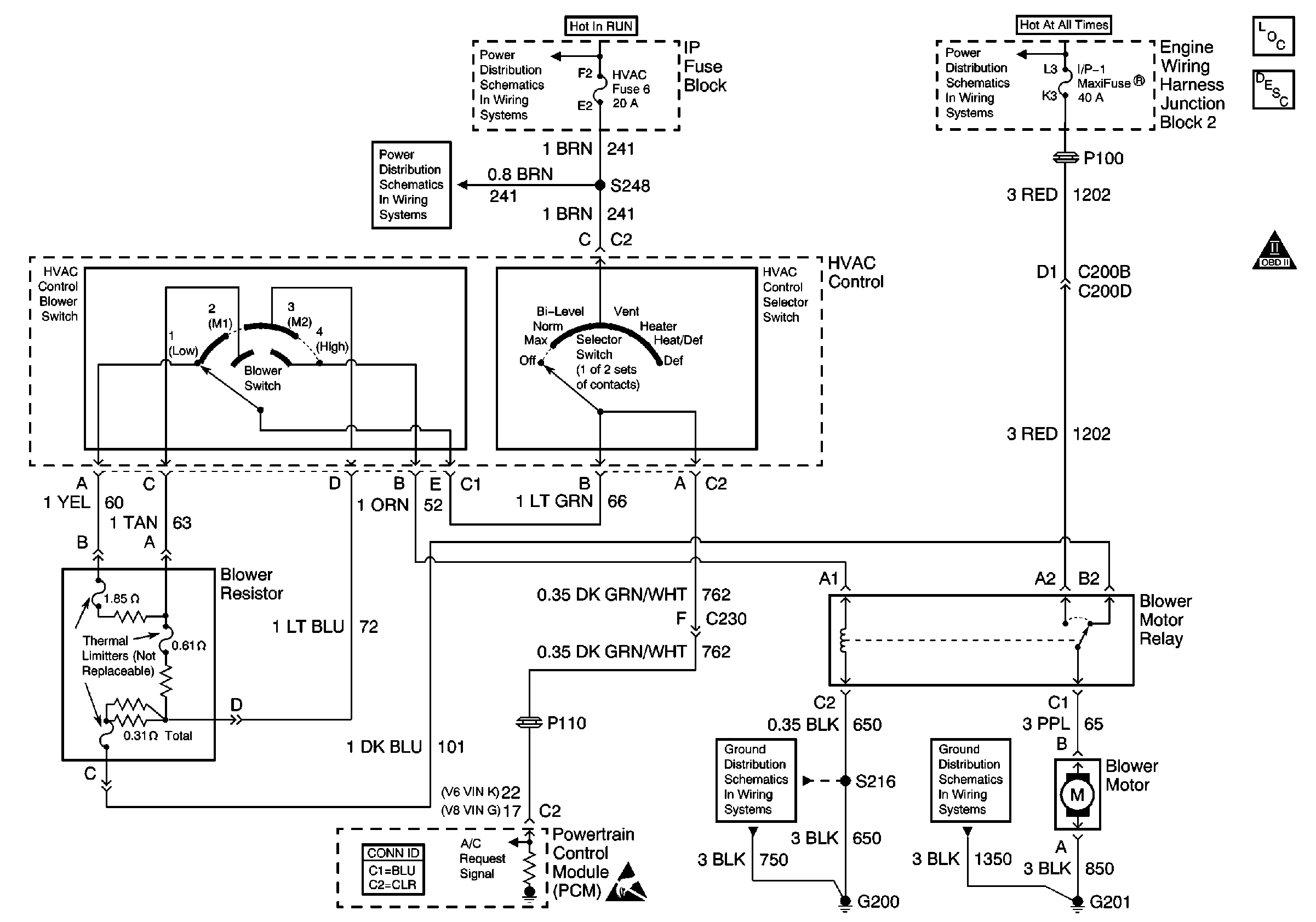
🢒 HVAC Blower Control Schematics
HVAC Control, Blower Resistor, Blower Motor Relay
HVAC Components
HVAC Blower Controls Circuit Description
OBD II Symbol Description Notice
G201
G200 Splice S216
HVAC and TURN B/U Fuses
HVAC and TURN B/U Fuses
Fusible Links, CIG/ACCY, ENG CTRL, IGN, I/P-1, I/P-2, and PWR ACCY Fuses
Powertrain Control Module Connector End Views
Powertrain Control Module Connector End Views