GM Service Manual Online
For 1990-2009 cars only
Makes
🢒
Chevrolet
🢒
2000
🢒
Camaro
🢒
Body and Accessories
🢒
Horns
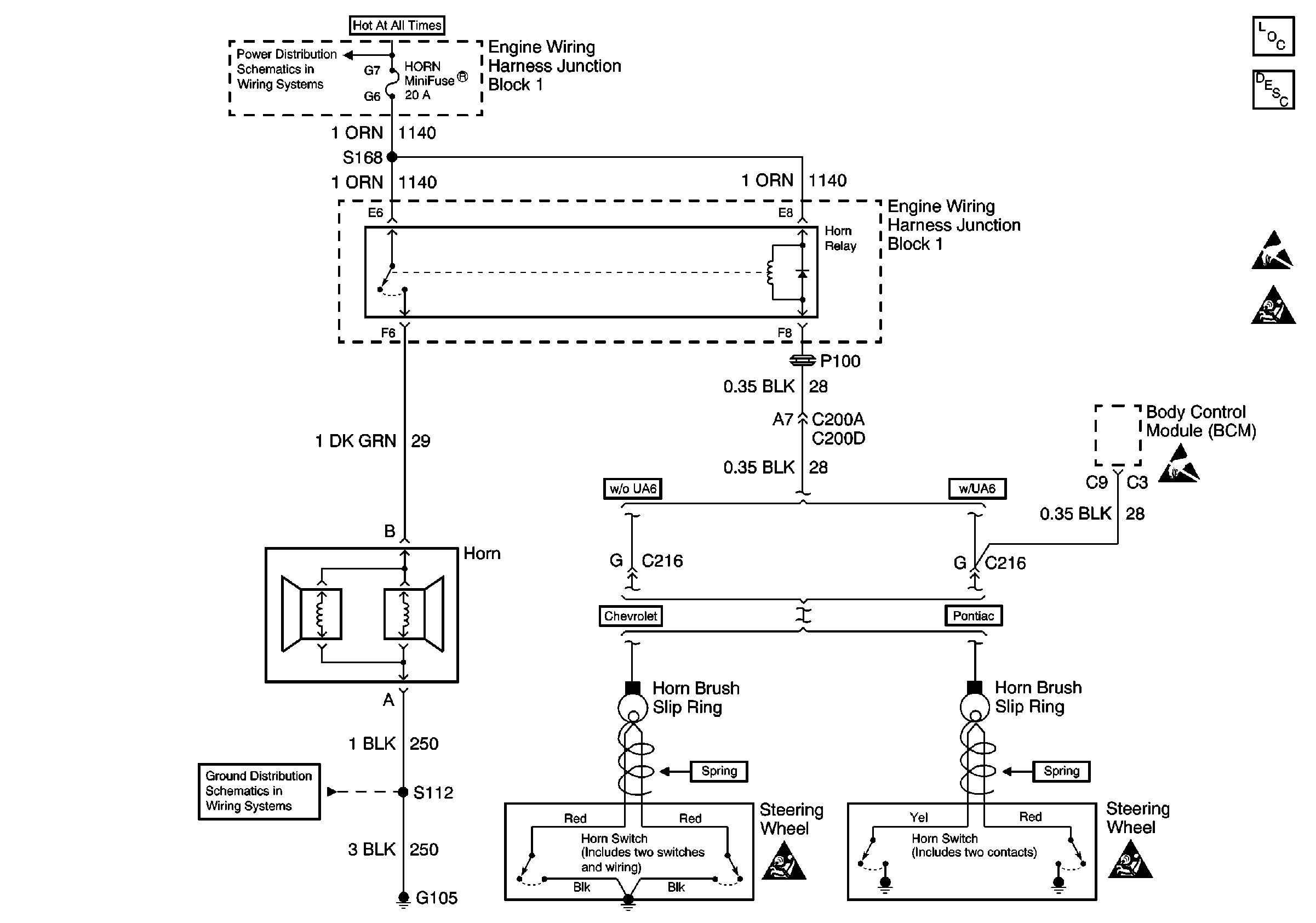
🢒 Horn Schematics
Horns Components
Horns Circuit Description
Handling ESD Sensitive Parts Notice
SIR Handling Caution
ABS BAT SOL, ABS BAT-2, HORN, H/L DOOR-HORN, LH HDLP DR, RH HDLP DR, and TCS BAT Fuses
G105