GM Service Manual Online
For 1990-2009 cars only
Makes
🢒
Chevrolet
🢒
2000
🢒
Camaro
🢒
Body and Accessories
🢒
Cruise Control
🢒 Cruise Control Schematics
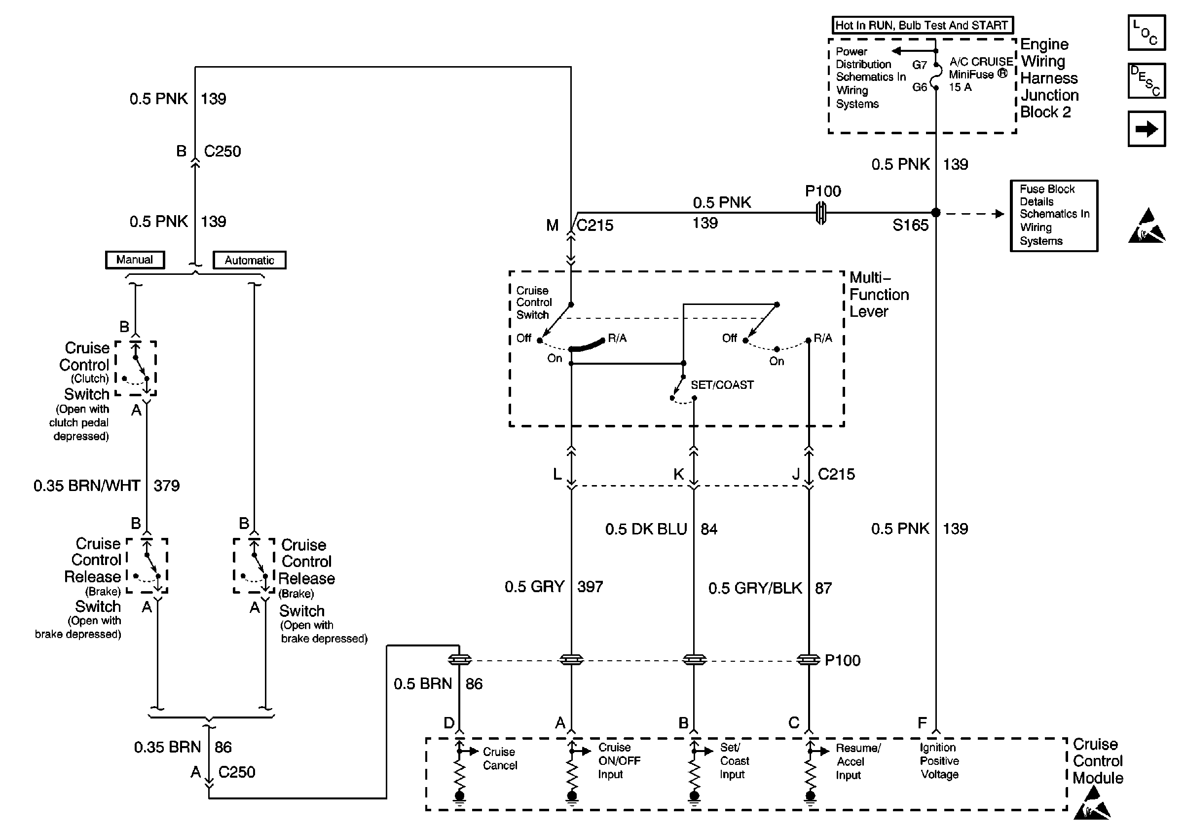
Figure
1:
Cruise Control Module and Cruise Release Switches
Cruise Control Components
Cruise Control System Circuit Description WO/ETC
V6 VIN K
Handling ESD Sensitive Parts Notice
A/C CRUISE and ETC Fuses
A/C CRUISE and ETC Fuses
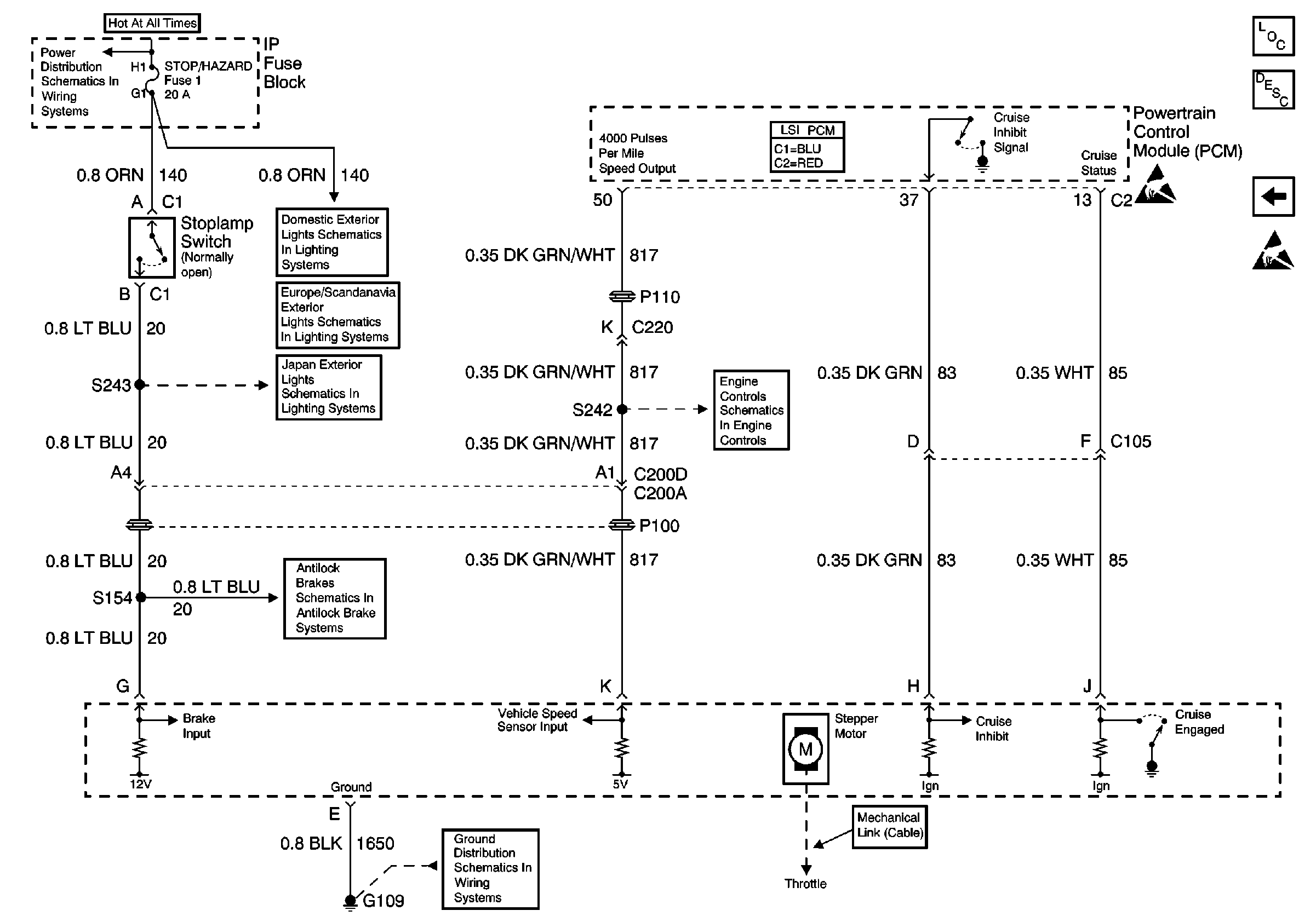
Figure
2:
Cruise Control Module and Powertrain Control Module
Cruise Control Components
Cruise Control System Circuit Description WO/ETC
Cruise Control Module and Cruise Release Switches
Handling ESD Sensitive Parts Notice
Exterior Lights Schematics Chevrolet: Domestic and Gulf States
Exterior Lights Schematics Europe and Scandinavia
Exterior Lights Schematics Japan
Antilock Brake System Schematics
BCM, Cruise Control Module, EBCM, IPC, Radio, and VSS
G100, G101, G102, G109, G111, G202