GM Service Manual Online
For 1990-2009 cars only
Makes
🢒
Chevrolet
🢒
2000
🢒
Camaro
🢒
Body and Accessories
🢒
Doors
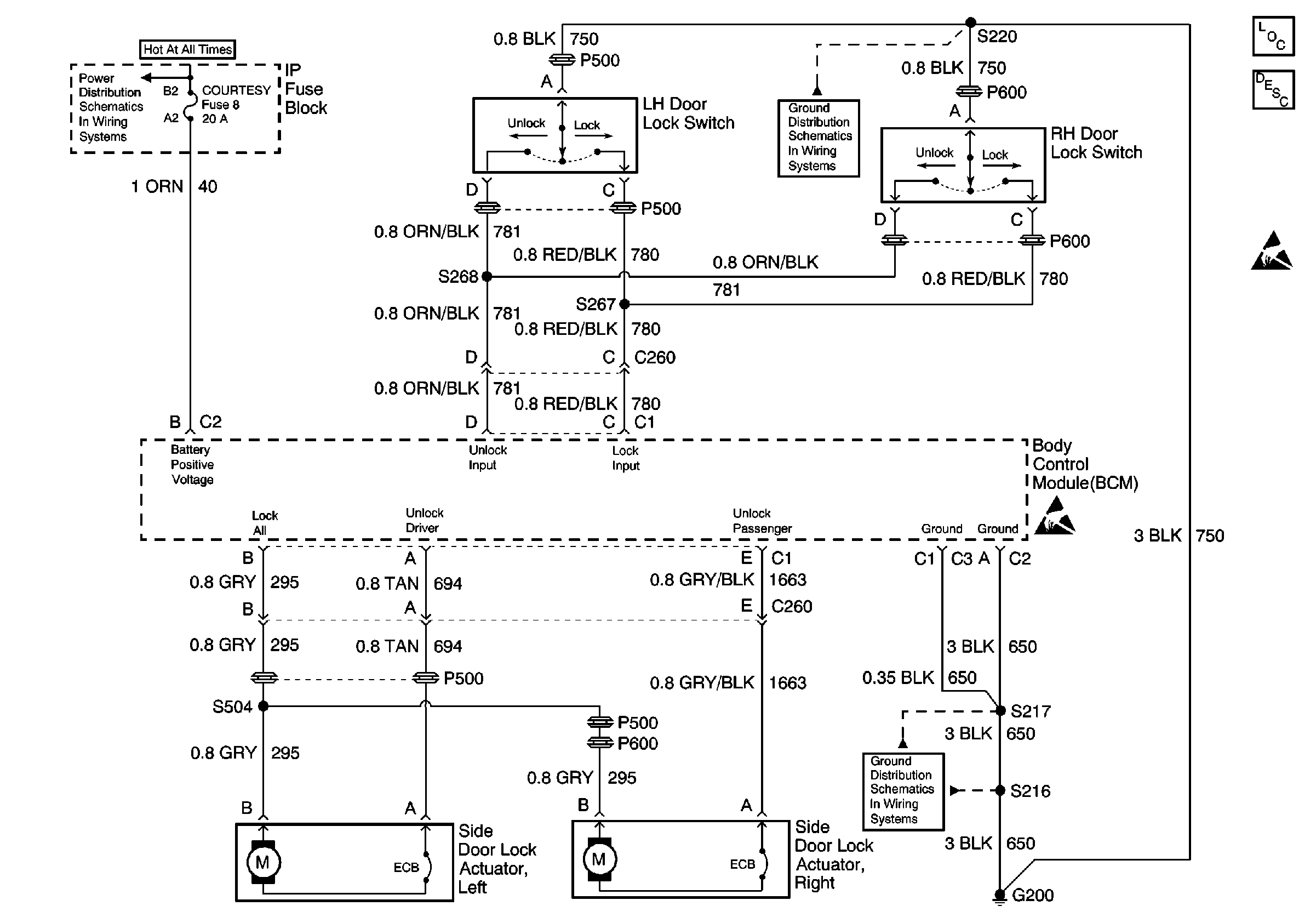
🢒 Door Lock/Indicator Schematics
Body Control Module and Door Lock Switches
Power Door Systems Components
Power Door Locks Circuit Description
Handling ESD Sensitive Parts Notice
COURTESY and RADIO ACCY Fuses
G200 Splice S220
G200 Splice S216