GM Service Manual Online
For 1990-2009 cars only
Makes
🢒
Chevrolet
🢒
2000
🢒
Camaro
🢒
Body and Accessories
🢒
Doors
🢒 Outside Rearview Mirror Schematics
Outside Rearview Mirror Schematics Chevrolet
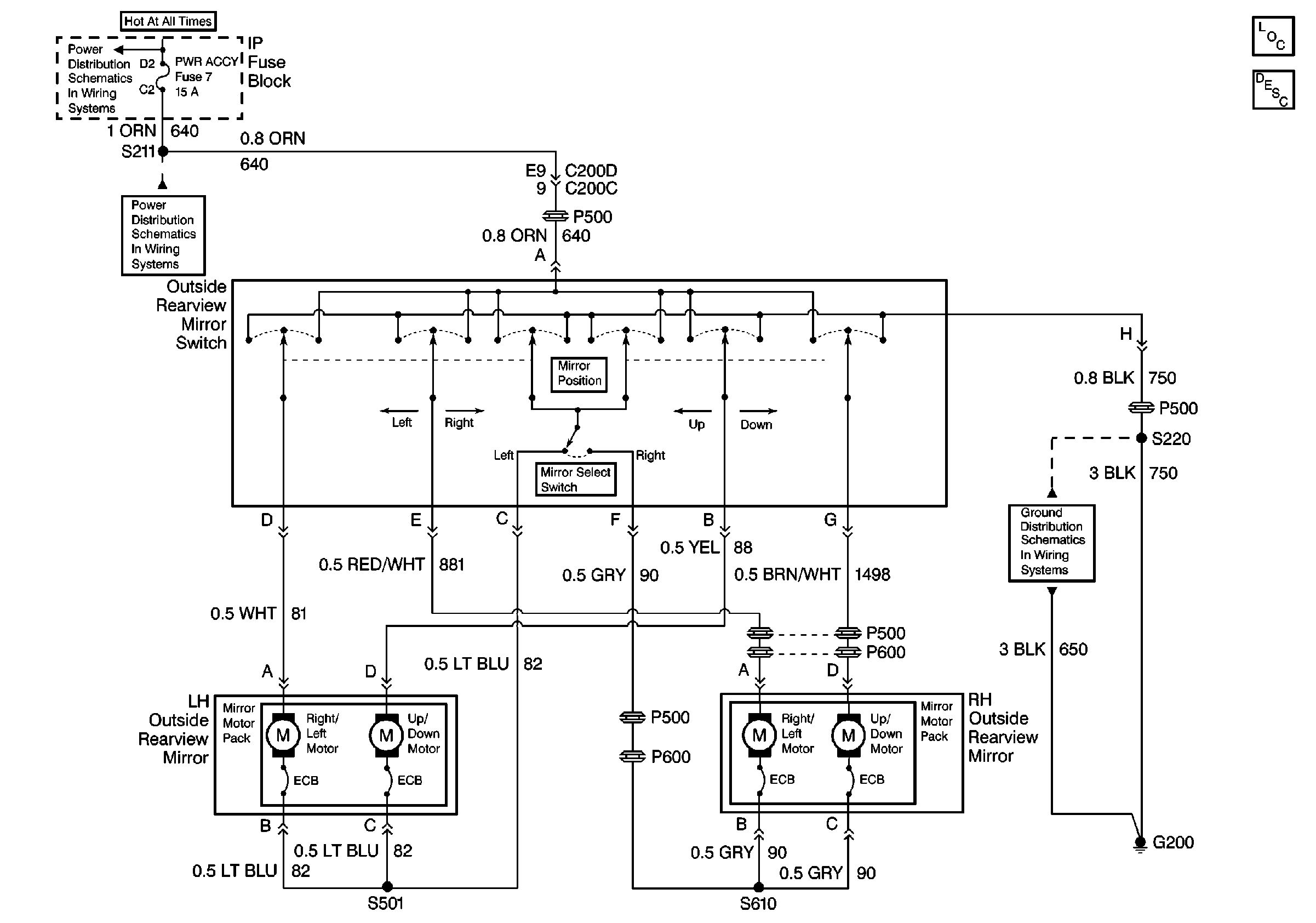
Outside Rearview Mirror Switch and Mirrors
Power Door Systems Components
Outside Mirrors Circuit Description
Fusible Links, CIG/ACCY, ENG CTRL, IGN, I/P-1, I/P-2, and PWR ACCY Fuses
TAIL LPS and STOP/HAZARD Fuses
G200 Splice S220
Outside Rearview Mirror Schematics Pontiac
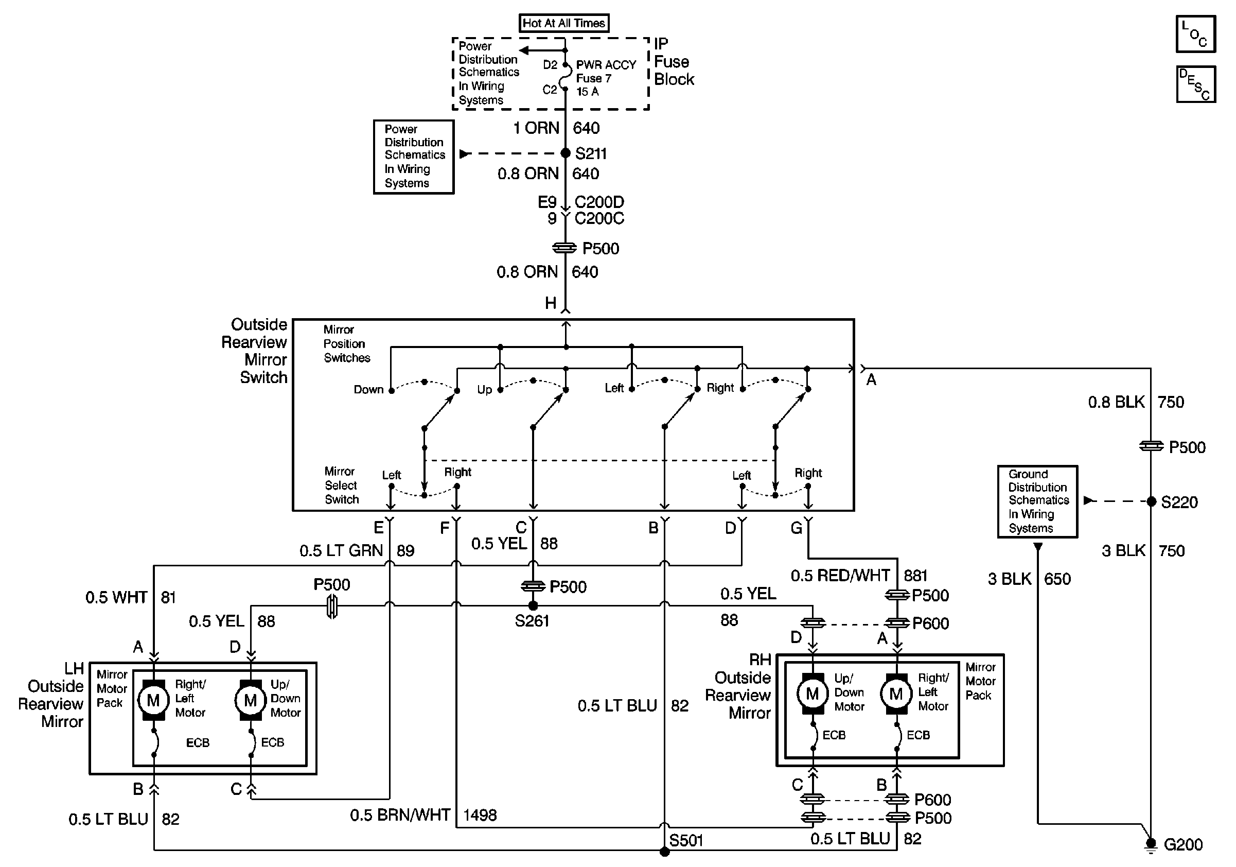
Outside Rearview Mirror Switch and Mirrors
Power Door Systems Components
Outside Mirrors Circuit Description
Fusible Links, CIG/ACCY, ENG CTRL, IGN, I/P-1, I/P-2, and PWR ACCY Fuses
TAIL LPS and STOP/HAZARD Fuses
G200 Splice S220