GM Service Manual Online
For 1990-2009 cars only
Makes
🢒
Chevrolet
🢒
2000
🢒
Camaro
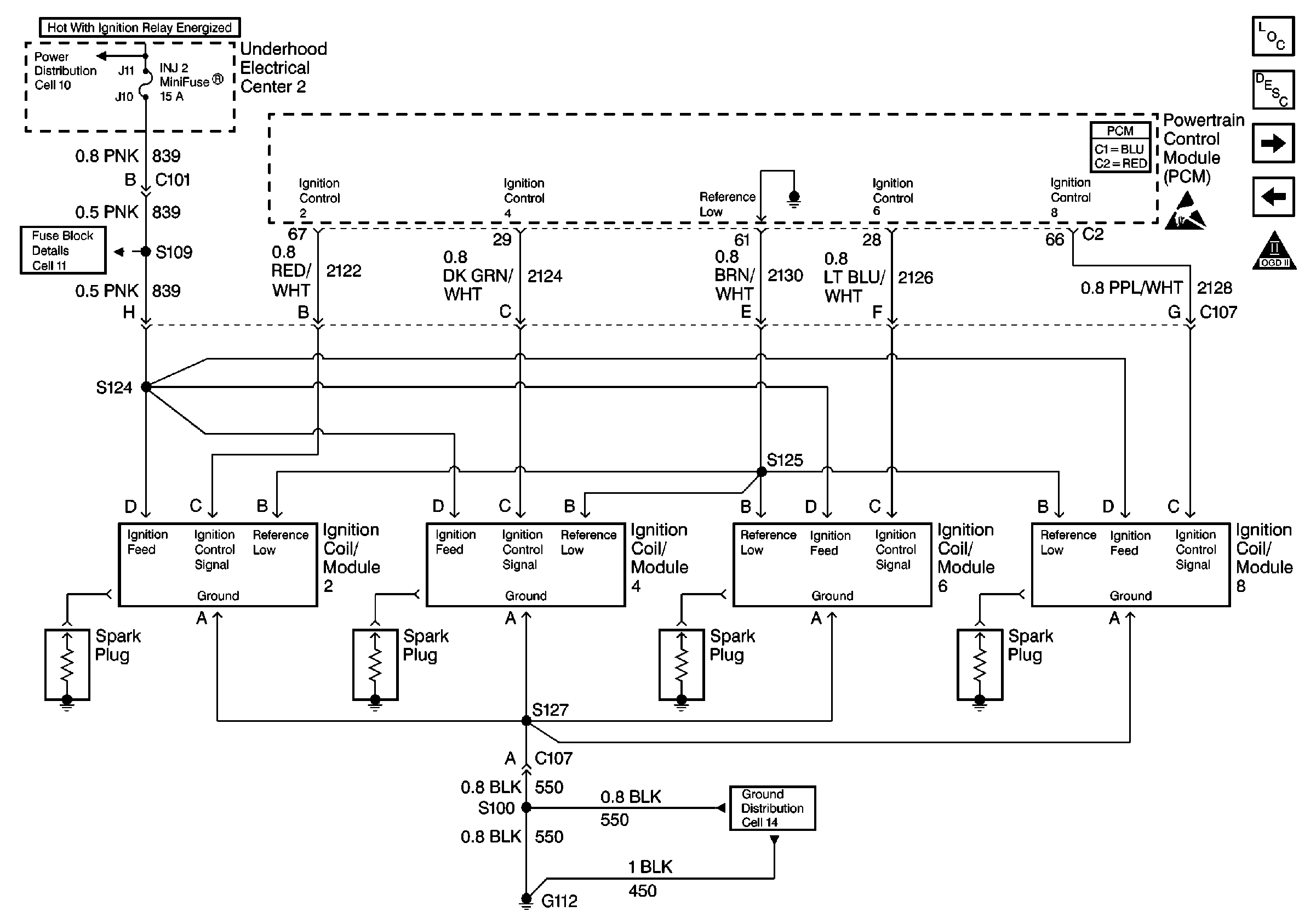
🢒 Bank 2 Ignition Coil/Modules
Bank 2 Ignition Coil/Modules
Bank 2 Ignition Coil/Modules
Engine Controls Components
Electronic Ignition (EI) System Description
Engine Speed Output, CKP, CMP and Knock Sensors
Bank 1 Ignition Coil/Modules
OBD II Symbol Description Notice
Ignition Switch and Underhood Electrical Center 2
G112 V8 VIN G
U/H Center 2: INJ 1 and INJ 2 Fuses
Powertrain Control Module Connector End Views